die 22ér zieht der DR locker, und mit nem sito pus oder t5-pott kommem auch obenrum noch ein paar umdrehungen dazu
Beiträge von speedy55
-
-
was erwartest du davon? ohne weitere modifikationen am zylinder, ändern der steuerzeiten usw. ist das m.M nach so unnötig wie sonst was. der DR ist nunmal in seiner ursprungsform ein reiner tourenzylinder und ohne dremeleinsatz wird er das auch bleiben....und untenrum hat der nunmal dampf genug, oder?
-
wo gibts denn bitte den originalen für 138 euro?? sind doch schweineteuer die dinger...
-
so isses, ausserdem ist meine meinung mit dem malossi hast weniger ärger wie mit dem dr. und wenns mal mehr sein darf ist noch potenzial vorhanden......
-
mit dem dr gar nicht, der ging zurück und anstelle dessen werkelte ein 139 malle problemlos unter der backe... absolut andere charakteristik aber hält wenigstens und macht auch spass
-
der unterschied ist das gutachen ist auf die fa. krüger ausgestellt und die zylis wurden bei dr gefertigt und mit dem krüger logo versehn, zum eintragen beim tüv. so wurds mir zumindest erklärt.
mach das ding mal runter und das laufspiel messen, kanns dir nur raten. dein problem hattte ich auch, allerdings bei 50 kmh ohne sprint nach fünf kilometer....hinterrad blockiert nach ner malboro lief alles wieder -
nach 15 km und warmen motor muss selbst ein graugusszyli einen kurzen sprint überstehen. hat er trotzdem geklemmt ist was anderes faul, zum einen wieviel ist ein schluck öl? zum zweiten ist beim dr das kolbenspiel ein enormer faktor, da soll es grosse schwankungen in den toleranzen geben vorsichtshalber mal kontrollieren. die düsen sind schon ok so, damit sollte er laufen wenn nicht anderswo falschluft hinzukommt. irgendwo dazwischen wirst du den fehler finden.... krüger gibt ein laufspiel von 12-14 hunderstel an, wie es beim reinen dr aussieht weiss ich nicht. die aluspuren gehen nicht von alleine weg, im gegenteil du riskierst damit noch weitere klemmer da diese spuren auch weiter unten richtung zylinderfuss vorhanden sind. also zyli ab, messen, ölpumpe funktion sicherstellen, entllüften oder abklemmen und selbst mischen, falschluft prüfen. aluspuren entfernen und glücklich werden oder den dr aufgeben und auf malle umsteigen.
-
hallo, hab mir einen membranstutzen mit nem dello 28 eingebaut und nun folgendes problem: der gaser streift beim einfedern mit der einen deckelschraube am rahmen. das der dello schrägen bis 40 grad verträgt ist mir bekannt aber mag er es auch wenn man ihn dreht? dann würde das problemlos gehen. hab die sufu genutzt bin aber nicht schlauer.....wer weiss mehr???
-
bin immer noch auf der suche....
-
wär echt super, hab am freitag termin auf dem prüfstand, nächste wo zum tüv, denn ab ostern hat der prüfer urlaub....3 wochen..so gut möcht ichs auch mal haben
-
danke rita, hab nur das problem der prüfer hier besteht auf basis px80....
-
habe eine grosse bitte an die gemeinde, suche dringend eine briefkopie
px 80
pinasco 177
dello 28 oder 30
malossi membran (oder ähnliche)
bsau ( sip evo oder anderer engl.rap)mein prüfer mag das setup nur eintragen wenn ich eine kopie vorlegen kann... er will sehen dass dieses setup schonmal eingtragen wurde...
wär euch echt dankbar -
rost ist wie ein geschwür, entweder restlos entfernen (sandstrahlen oder grossflächig rausschneiden) oder mit leben. alles andere verzögert den erneuten ausbruch nur, hab bei meinen oltimern schon viel probiert, schade für die arbeit....
-
hört sich eher nach einem gebrochenen kolbenring an, zyli schon abgenommen? mach doch mal bilder....
-
-
der regler ist vom sck, würde trotzdem nur einen ausgang der remote verwenden, wenn du nicht reinschauen kannst weiss mann nicht wie gut die trennung der einzelnen kanäle ausgeführt ist, lieber die zwei relais einbauen kosten ja nicht viel und hast mit einer taste zündung ein, motor ein oder zündung aus, motor aus
-
möglich, die dinger sind schon empfindlich. kostst ja nicht viel probiers halt mal
-
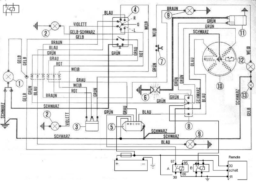
hab mir mal die mühe gemacht...da ich nicht weiss wie viele schaltausgänge deine remote hat bin ich mal von einem ausgegangen. so kannst du eine batterie anschliessen die auch geladen wird. dazu wir aber kl.15 (zündung ein) am anschluss C vom spannungsregler (5) benötigt. dies übernimmt relais A. am ausgang 87 kannst du dann noch einige spielereien anschliessen die geschaltetes plus benötigen. relais B übernimmt motor aus , dazu musst du aber das grüne an anschluss 87b anschliessen und an klemme 30 masse, somit kannst du über remote und drucktaster am lenker abstellen. hoffe es hilft. ach ja den spannungsregler musst du gegen einen 5-poligen tauschen mit klemmen M B C G G , meiner ist von der cosa....
-
bei den vielen möglichen umbauten schau mal nach den kabelfarben in der kleinen schwarzen box am motor und die anzahl....damit lässt sichs eingrenzen, hab schon 12 volt umbauten gesehn ohne spannungsregler, dann gehen die birnen natürlich hops
-
mach mal das polrad runter - sichtprüfung und [lexicon='zündzeitpunkt',''][/lexicon] kontrollieren. wenn sie ausgeht kannst du gleich wieder starten? geht sie auch aus wenn du fährst?
