Sieht aus wie das Prototipo, ist eher aus den 90gern, wurde gern auf 911ern verbaut, damals nicht ganz billig, haben auch noch sowas aus ner Rückrüstung...
Beiträge von powerdrake4
-
-
Bin mir nicht sicher, aber gehst du den richtigen Weg? Meine letzte Automatik bzw Pluri ist lange her, aber gibt's da nicht nen Sicherungsring?
-
Hab noch nicht nachgesehen, hab heut die Blattfeder rausgekeult und werd sie morgen ändern, das Auto ist vorn zu hoch und steht wie n Ziegenbock! Tippe mal auf ne schlechte Nachfertigung...
-
Naja, ich denk das grüne ist der Totmacher, wenns nicht funkt bei Masse! Das wollte der nette Mechaniker dir wahrscheinlich damit sagen. Und ich würd mal auf Wechselstrom stellen wenn du deine Lima mißt, da kommt kein Gleichstrom raus...
-
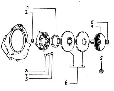
...hab mir ne Schmiege gedreht und mit Schraubzwinge fixiert, darf ja nicht rausstehen, sonst eierts und du ruinierst die Spulen...
-
Hatte ich bei ner Puch mal, habs mit 2k flüssig Metall geklebt, hält bis heut...
-
-
Jo Maybach, ich mach jetzt doch alles, sind etliche Nacharbeiten dran, wird ne lange Woche! Ist aber mal wieder was besonderes und der 300er Roadster bleibt erst mal stehen,freu... Ach ja, sehr schöne Restauration, ich mach nur Details und Motor...
-
die versprochenen Bilder, ist ein seltener Roadster mit Autobahngang...
-
Ich nich, Deich ist schöner, da geht's nicht so lang rauf wie bei euch...
-
Nachdem mir son A....Loch mein schönes Fahrrad geklaut hat und ich das wahrscheinlich nie wieder sehe, hab ich mir was neues gebaut, alles gebraucht ausm Netz, bis auf Reifen und die Werkzeugflasche, freu...
-
Was willst du an dem Unterboden retten, der istdoch neuwertig! Schöne Patina...
-
Dann hast du bestimmt so ne scheiß Unterdruckpumpe, oder? Ich fahr mittlerweile ne elektrische Hardi Pumpe, funzt einwandfrei und falls du noch n Fastflow Ks hahn hast, die ziehen Luft bei hohen Drehzahlen, auch Müll...
-
Hatte nen Motor von ner Schwalbe aufm Tisch, sprang normal an, nahm immer kurz Gas an und klang dann wie deiner und qualmte! Da wars der simmering Getriebeseitig, allerdings anstatt den 20er hatte er den 22er von der Kickerwelle verbaut, deswegen komm ich drauf! Trotzdem alles gute bei der Fehlersuche und nicht vergessen das Ergebnis zu posten...
-
Schönes "Stehzeug!" ..fahren bei dem Wetter ist aber auch fein..

...sieht aus wie die Büchse von P.Wendeln...
-
Ich mach übermorgen nen 290 von 1933, ist heut eingeschleppt worden! Endlich mal wieder was seltenes unter meinen Fingern und ja, ich mach Fotos ...
-
Wenn du selbst nicht schraubst, das beste was man machen kann. Ist ne Firma, also schon mal Gewährleistung, evtl noch jemanden mit Know-how mitnehmen und nicht vergessen zu handeln, optimal für den Einstieg, allerdings nicht ganz billig...
-
...das ist wie ne 500€ Nutte bezahlen und dann nur kuscheln, weil sie noch Jungfrau ist... na ich weiß nich!
-
Sch..., wäre gern dabei gewesen, schnell fahren ist schööööönnnnn...
-
