1. Vespa Forum
    1. Unerledigte Themen
  2. Dashboard
  3. Galerie
    1. Alben
    2. Karte
  4. Lexikon
  • Anmelden
  • Registrieren
  • Suche
Dieses Thema
  • Alles
  • Dieses Thema
  • Dieses Forum
  • Forum
  • Galerie
  • Lexikon
  • Seiten
  • Erweiterte Suche
  1. VespaOnline Forum: Entdecke die Welt der klassischen Vespa-Roller und teile deine Leidenschaft
  2. Vespa Smallframe / Largeframe / Wideframe Roller
  3. Vespa Elektrik

schaltplan pk50 ohne blinker/hupe/bremslicht

  • pola
  • July 14, 2007 at 22:34
  • pola
    Captain Cracked Rib
    Reaktionen
    9
    Punkte
    16,039
    Trophäen
    1
    Beiträge
    2,894
    Bilder
    69
    Wohnort
    Rotown Rockcity
    Vespa Typ
    pola-motori
    • July 14, 2007 at 22:34
    • #1

    kann den nirgendwo finden... wenn jmd was weiß, ich wäre sehr zu dank verpflichtet!

    fahrgestellnummer v5x1t

    gruß pola

    INN-TEAM Rosenheim
    #1 Kill the Hill 2011
    #1 Rollercross 2012

  • pola
    Captain Cracked Rib
    Reaktionen
    9
    Punkte
    16,039
    Trophäen
    1
    Beiträge
    2,894
    Bilder
    69
    Wohnort
    Rotown Rockcity
    Vespa Typ
    pola-motori
    • July 17, 2007 at 16:51
    • #2

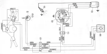
    hab ihn gefunden... danke für die mithilfe!

    Bilder

    • PK50_Spar.jpg
      • 38.8 kB
      • 800 × 402

    INN-TEAM Rosenheim
    #1 Kill the Hill 2011
    #1 Rollercross 2012

Tags

  • Vespa PK 50
  • Vespa Blinker
  • Vespa Schaltplan
  1. Datenschutzerklärung
  2. Impressum
  3. Kontakt
  4. Geschichte der Vespa bei Wikipedia
  5. Nutzungsbedingungen
Made with ♥ in Bavaria
Community-Software: WoltLab Suite™