1. Vespa Forum
    1. Unerledigte Themen
  2. Dashboard
  3. Galerie
    1. Alben
    2. Karte
  4. Lexikon
  • Anmelden oder registrieren
  • Suche
Dieses Thema
  • Alles
  • Dieses Thema
  • Dieses Forum
  • Forum
  • Galerie
  • Lexikon
  • Seiten
  • Erweiterte Suche
  1. VespaOnline Forum: Entdecke die Welt der klassischen Vespa-Roller und teile deine Leidenschaft
  2. Vespa Smallframe / Largeframe / Wideframe Roller
  3. Vespa Elektrik

Wechselblinker für Gleichspannung

  • agr
  • January 16, 2014 at 22:39
  • agr
    Anfänger
    Reaktionen
    3
    Punkte
    78
    Beiträge
    11
    Einträge
    2
    Wohnort
    Ffm
    Vespa Typ
    Cosa FL
    • January 16, 2014 at 22:39
    • #1

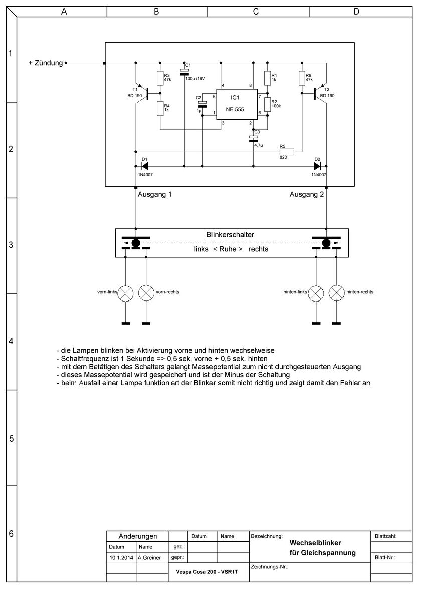
    Hallo zusammen,

    nach dem kompletten Umbau der Elektrik auf ein wunderbar stabiles 13,8V-Gleichspannungsnetz hatten der Drehzahlmesser und der Blinker erstmal nicht mehr funktioniert, da beide mit Wechselspannung versorgt werden müssen. Also habe ich erstmal das Blinkerrelais überarbeitet.

    Vom alten Relais habe ich nur die Steck-Kontakte und das Gehäuse übernommen, der Rest ist im Müll.
    - auf eine Lochrasterplatine mit den Maßen der alten Relaisplatine ist die kleine Schaltung aufgebaut
    - die Teile sind handelsüblich und für kleines Geld (ca. 5 €uronen) bei Reichelt, Conrad, usw. zu bekommen
    - Grundanforderung der Funktion war Wechselblinken (vorn<=>hinten) wegen der gleichmäßigen Last
    - da das Gehäuse und die Stecker wiederverwendet sind, befindet sich das Relais wieder am selben Platz und Stecker.
    - wenn die graue Ader auf die weißen Adern vom Zündschloss umgeklemmt wird, kann das Relais in jedem Roller mit Batterie betrieben werden.
    - man kann nun auch bedenkenlos einen billigen Gleichspannungs-Piepser parallel an einer x-beliebigen Blinkerlampe betreiben

    Denken ist schwer, darum urteilen die meisten.

    Der Spruch "Wer abends säuft kann morgens auch arbeiten!" ist falsch!
    Denn wer abends vögelt kann am nächsten Morgen auch nicht fliegen!

  • mono December 29, 2018 at 17:08

    Hat das Thema aus dem Forum Elektrik nach Vespa Elektrik verschoben.

Tags

  • Vespa Blinker
  1. Datenschutzerklärung
  2. Impressum
  3. Kontakt
  4. Geschichte der Vespa bei Wikipedia
  5. Nutzungsbedingungen
Made with ♥ in Bavaria
Community-Software: WoltLab Suite™