1. Vespa Forum
    1. Unerledigte Themen
  2. Dashboard
  3. Galerie
    1. Alben
    2. Karte
  4. Lexikon
  • Anmelden oder registrieren
  • Suche
Dieses Thema
  • Alles
  • Dieses Thema
  • Dieses Forum
  • Forum
  • Galerie
  • Lexikon
  • Seiten
  • Erweiterte Suche
  1. VespaOnline Forum: Entdecke die Welt der klassischen Vespa-Roller und teile deine Leidenschaft
  2. Vespa Smallframe / Largeframe / Wideframe Roller
  3. Vespa Elektrik

Kabelbaum PK 50 XL 2 Elestart: Wie anschließen?

  • Moare
  • August 5, 2014 at 11:28
  • Moare
    Anfänger
    Punkte
    15
    Beiträge
    2
    Vespa Typ
    PK 50 XL
    • August 5, 2014 at 11:28
    • #1

    Hallo Ich habe folgendes Problem:
    Ich habe mir zum Austausch diesen Kabelbaum hier bestellt:
    Nach dem Verlegen ging es nun ans anschließen, und dort fingen meine Probleme an... ( U.a. passten die Farben nicht, der Hupenanschluss war falsch etc. )
    Nach langen Nachforschungen habe ich herausgefunden, dass es den Baum der XL2 nicht mehr zu kaufen gibt. Und ich mir selbst weiter helfen muss...
    Jetzt meine Frage an euch: Hat denn jemand schon mal seinen Kabelbaum der XL2 Elestart getauscht, und kann mir Lösungstipps geben ?
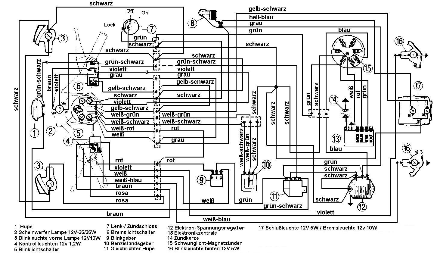
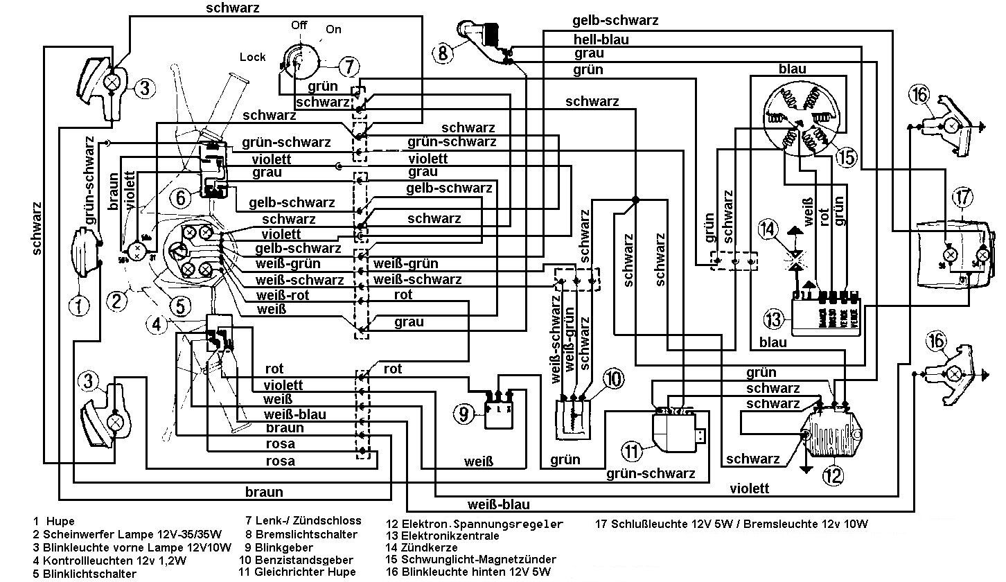
    Im Anhang hab ich mal die beiden Schaltpläne des neuen Kabelbaums und den originalen der XL2 Elestart beigefügt.

    Lg Maxi

    Bilder

    • Schaltplan ORGINAL alt.jpg
      • 176.22 kB
      • 1,600 × 1,027
      • 4,435
    • Schaltplan SIEM Neu.jpg
      • 232.34 kB
      • 1,452 × 840
      • 8,584
  • fgib
    Erleuchteter
    Reaktionen
    222
    Punkte
    15,187
    Trophäen
    2
    Beiträge
    2,890
    Bilder
    14
    Einträge
    2
    Wohnort
    Burgwedel, Deutschland
    Vespa Typ
    PK 50 XL1, PX80 Lusso
    Vespa Club
    Die Milden Jungs
    • August 5, 2014 at 12:48
    • #2

    Das einzige was du machen musst, ist die Pins an der Kombileiste umzupinnen. Dazu nimmst du den alten Baum als Vorlage

  • Moare
    Anfänger
    Punkte
    15
    Beiträge
    2
    Vespa Typ
    PK 50 XL
    • August 5, 2014 at 13:00
    • #3

    Danke für deine Schnelle Antwort !

    Kannst du mir evtl. sagen welche Pins ich umpinnen Muss ?
    Ich bin leider davon ausgegangen dass ich den richtigen Kabelbaum habe und hab den alten weggeworfen -.-

    Ansonsten bleibt mir halt nur die Option jedes Kabel einzeln durch zu pfeifen und lt. Plan zu ändern ?

  • fgib
    Erleuchteter
    Reaktionen
    222
    Punkte
    15,187
    Trophäen
    2
    Beiträge
    2,890
    Bilder
    14
    Einträge
    2
    Wohnort
    Burgwedel, Deutschland
    Vespa Typ
    PK 50 XL1, PX80 Lusso
    Vespa Club
    Die Milden Jungs
    • August 5, 2014 at 13:08
    • #4

    So ziemlich

Tags

  • Vespa PK 50 XL2
  • Vespa PK 50
  • Vespa Elestart
  • Kabelbaum
  1. Datenschutzerklärung
  2. Impressum
  3. Kontakt
  4. Geschichte der Vespa bei Wikipedia
  5. Nutzungsbedingungen
Made with ♥ in Bavaria
Community-Software: WoltLab Suite™