1. Vespa Forum
    1. Unerledigte Themen
  2. Dashboard
  3. Galerie
    1. Alben
    2. Karte
  4. Lexikon
  • Anmelden
  • Registrieren
  • Suche
Alles
  • Alles
  • Forum
  • Galerie
  • Lexikon
  • Seiten
  • Erweiterte Suche
  1. VespaOnline Forum: Entdecke die Welt der klassischen Vespa-Roller und teile deine Leidenschaft
  2. Galerie

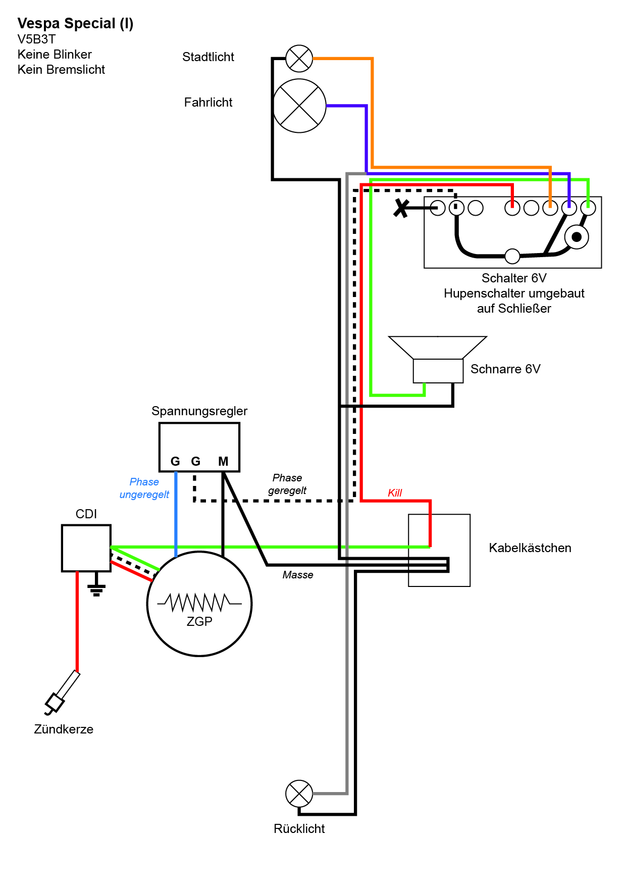
V5B3T 12V-01

  • Evil Knewel
  • January 13, 2013 at 17:16
  • 716 Zugriffe
Originalgröße anzeigen
V5B3T 12V-01

Jetzt mitmachen!

Sie haben noch kein Benutzerkonto auf unserer Seite? Registrieren Sie sich kostenlos und nehmen Sie an unserer Community teil!

Benutzerkonto erstellen Anmelden

Nachrichten

  • 102 Polini Setup erfahrungen/ideen?

    • PK50-Jannick_SH
    • January 12, 2026 at 17:24
    • 23 Antworten

    Moin moin,

    meine Vespa ist nun vollständig abgebeizt, alle Lackschichten sind runter, siehe Profilbild.

    Habe mich in den Letzten Monaten umentschieden nicht mehr einen 75-85er Zylinder zu Kaufen, sondern den 102 Polini.

    Da man von vielen Leuten viele verschiedene Sachen hört was Auspuffanlagen (gut, Krachmacher oder einfach schlecht) sowie die verschiedensten Vergaser 16.10, 16.16 19.19 usw angeht hätte ich gerne mal eine Expertenmeinung zu meiner Idee :-7

    :!:102 Polini Grauguss, Mazzucchelli welle, 19.19 Vergaser, 3.72 Übersetzung und den Sito Plus:!: den ich schon habe.

    Überlegung wäre noch ein Simonini Lefthand (Krachmacher) einmal eure meinung 2-)

    Darf man das so fahren, oder würde mir jemand etwas anderes empfehlen?

    Ich hatte gerne ein Haltbares Stecksetup, es sollte gut für Langstrecke (2-3min) Vollgas sein, aber auch Potential haben so dass man mit 60kmh auch nochmal zum Überholen ansetzen kann. Top Speed die 100kmh wenn das mit dem Zylinder bei gleichbleibend guter Haltbarkeit möglich ist?

    Sollte

    …
    • Weiterlesen
  • Einziehen von Kurbelwelle und Hauptwelle

    • dirx
    • January 11, 2026 at 06:30
    • 5 Antworten

    Moin zusammen,


    ich habe gelesen aber nicht wirklich verstanden, wie ich die Hauptwelle mittels Bremstrommel einziehen kann. Muss ich etwas unterlegen? Ziehe ich die Welle auf Anschlag rein?


    Gleiches gilt für die Kurbelwelle mit Hilfe der Kupplung. Auch wieder auf Anschlag? Muss etwas beachtet werden?

    Es ist ein VNL3M Motor, Kurbelwellenlager der großen Blockseite mit zwei Seegeringen beidseitig gesichert, Simmering Vollgummi mit Rille im Block - sonst alles PX entsprechend. 200er Lusso Vorgelege und Hauptwelle. Lager fielen mit Erhitzen und Kältespray so in den Sitz, würde gerne weiter so behutsam zusammen bauen wollen.

    Würde mich sehr für die zwei Praktiken interessieren und vor allem, ob ich irgendwas nicht bis auf Anschlag einziehen darf. Oder betrifft es nur nur außenliegenden Simmering der Bremstrommel?


    Danke und guten Tag für Euch :-2

    • Weiterlesen
  • Wie heißen die Stecker und Buchsen von PX Lusso, PK XL, XL 2, etc.

    • Se7entySix
    • January 6, 2026 at 14:51
    • 9 Antworten

    Hallo miteinander,

    hat jemand eine Ahnung, wie die originalen "Stecker" der PX Lusso und diversen PK allgemein bezeichnet werden?
    Kann man die irgendwo abseits von SIP, SCK und dem Piaggio System in allgemeiner Ausführung kaufen?

    Ich komme bei Conrad und Co. nicht so richtig weiter.

    • Weiterlesen
  • Auspuff für 50 N. Bj. 1972

    • Caius Bonus
    • January 4, 2026 at 15:11
    • 0 Antworten

    Hallo !


    Möchte demnächst den Serien-Auspuff meiner 50er Vespa wechseln, die u.a. mit DO 16/16, einem 50ccm Zyl. und 3-Gang mit orig. Übersetzung ausgestattet ist. Der Auspuff sollte im oberen Drehzahlbereich für etwas besseren Gasdurchsatz sorgen. Mir geht es um die Original-Optik sowie einen möglichst (leisen) unauffälligen Ton.

    Zur Wahl stehen

    * BGM Pro Touring Box

    * SIP Road Banane

    Für welchen würdet ihr euch entscheiden mit dem jetzigen DR 50 ccm Zylinder und einer Upgradeoption auf DR 75ccm ?


    Gute Fahrt und ein tolles Jahr 2026 wünscht euch

    Siegfried

    • Weiterlesen
  • Vespa startet nur mit sehr kleinem Kerzenabstand

    • JFS
    • January 1, 2026 at 17:13
    • 7 Antworten

    Hallo zusammen,

    ich fahre seit Jahren eine 50er Vespa (V5A1T) ohne Probleme. Nach dem Winter sprang diese immer sehr gut an. Dieses Jahr ließ sie mich auf einer Fahrt hart sitzen. Sie ging nach längerer Fahrt im Stand einfach aus und sprang danach nicht mehr an (ich durfte dann nach Hause schieben). Ein Wechsel der Kerze, des Kondensators, des Zündunterbrechers (der sah übel aus) und eine Reinigung des Vergasers brachte gar nix. Die Kerze feuerte im ausgebauten Zustand immer mit sehr gutem, starkem Zündfunken. Erst, als ich durch Zufall mal den Zündkontakt der Kerze sehr klein (ca. 0,1 bis 0,2 mm) einstellte, sprang sie spontan an und lief. Sobald ich den Abstand wieder auf 0,4 - 0,6 mm bringe, passiert nix.
    Bevor ich anfange, weiterhin sinnlos Teile zu wechseln, hat jemand eine Idee, was das sein könnte?

    Danke und Gruß,
    JFS

    • Weiterlesen

Informationen

Dateiname
V5B3T 12V-01.jpg
Datum hochgeladen
January 13, 2013 at 17:16
Bildmaße
1,240 × 1,754 px
Dateigröße
1.1 MB

Kategorien

  • Vespa Archiv
  1. Datenschutzerklärung
  2. Impressum
  3. Kontakt
  4. Geschichte der Vespa bei Wikipedia
  5. Nutzungsbedingungen
Made with ♥ in Bavaria
Community-Software: WoltLab Suite™