Hallo zusammen,
beim Umbau meiner Cosa habe ich auch den Drehzahlmesser serziert und dokumentiert. Danach habe ich ihn die Schaltung modifiziert, jetzt funzt jetzt mit Gleichspannung. Dabei habe ich dann auch einen Reparaturtipp erstellt.
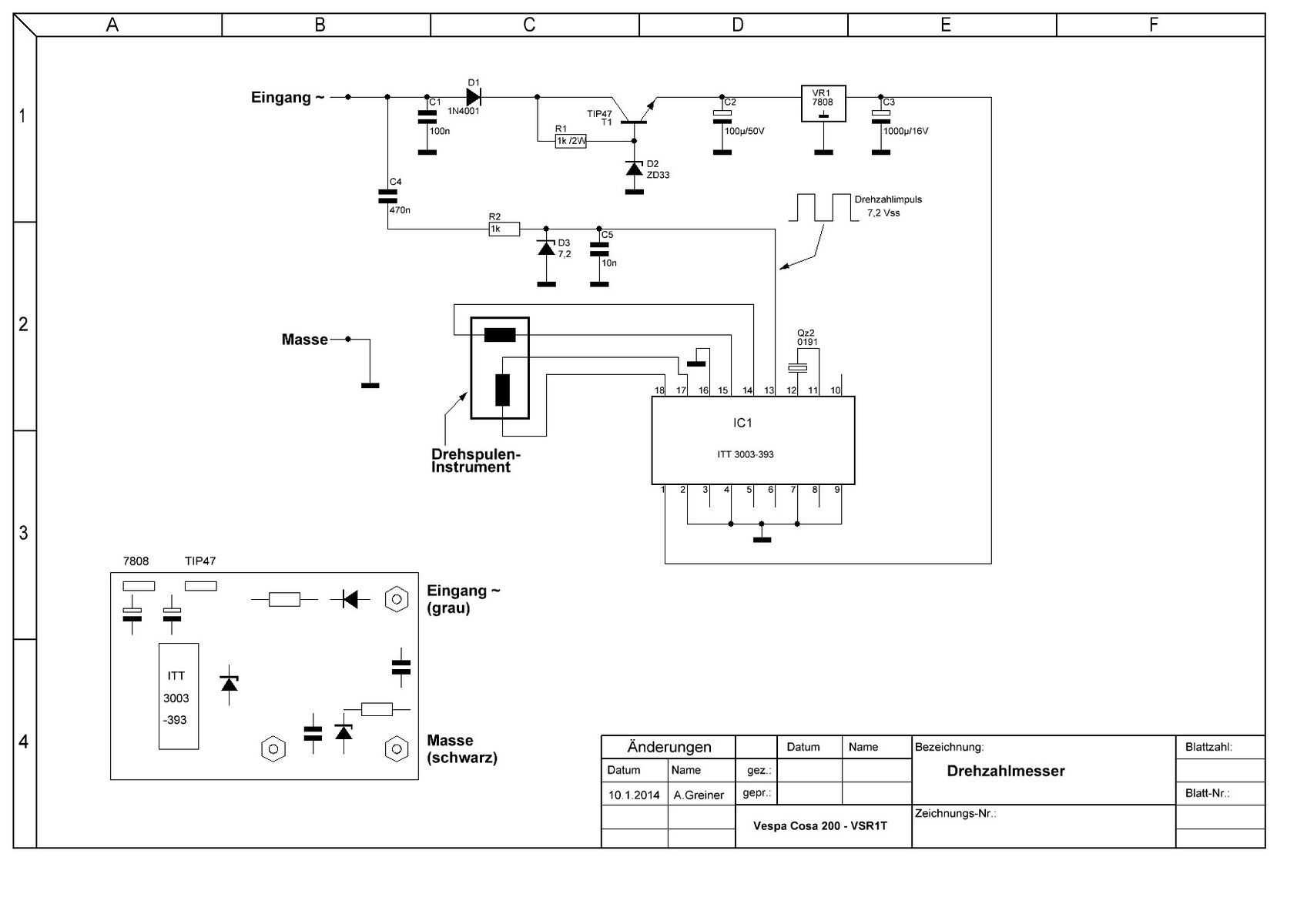
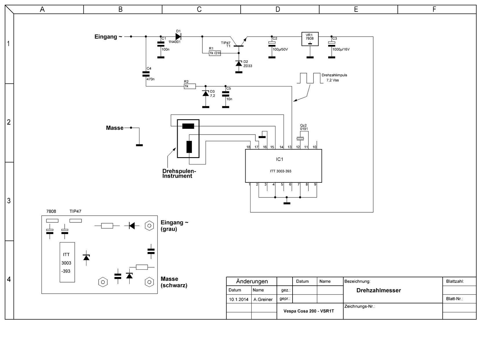
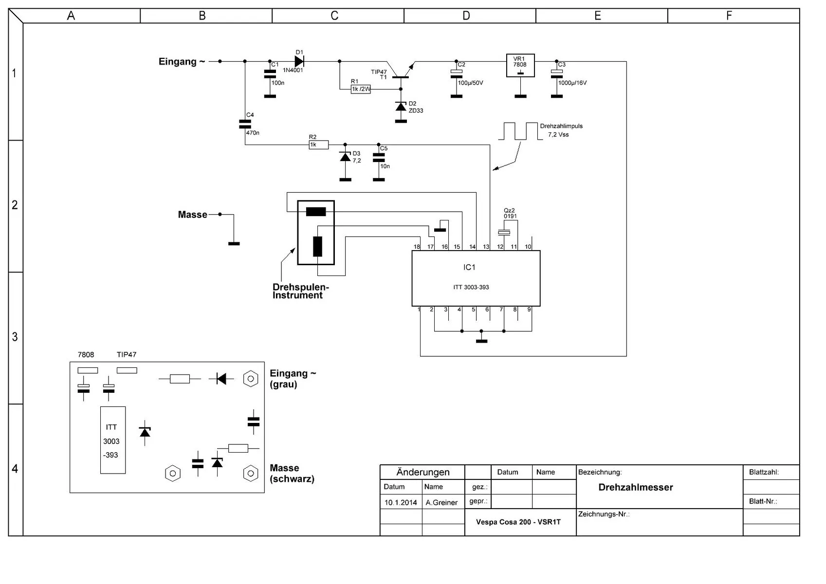
Normalerweise funzt der DZM nur mit Wechselspannung. Die wird einerseits zu Gleichspannung umgesetzt, um das Tacho-IC zu betreiben, es wird aus der Wechselspannung der Tachoimpuls erzeugt. Durch den Aufbau der Lichtmaschine bedingt, werden mit jeder Motordrehung DREI Sinus-Wellen erzeugt. So entstehen also bei 3000 U/min tatsächlich 9000 Impulse/min. Die werden dann durch den Tacho-IC wieder runtergeteilt und als 3000 zur Anzeige gebracht. Dies kann man nutzen, um nach einer Reparatur den DZM wieder genau einzustellen.
Nachdem der DZM komplett zerlegt ist und die üblichen Wackelkontakte beseitigt sind, ist die richtige Justage des Zeigers vorzunehmen. Hierzu nimmt man ein Wechselspannungsnetzteil mit 12 – 18 V/AC (Wechselspannung). Das wird an die beiden Klemmen des DZM angeschlossen. Zur Sicherheit gegen Beschädigung des DZM kann auch noch eine 5W-Lampe zwischengeschaltet werden. Mit dem Einschalten den Spannung sollte der Zeiger nun ausschlagen.
Die Wechselspannung von 50 Hertz ergibt 3000 Impulse pro Minute (50 Hz x 60 sek.). Der Tacho-IC teilt die Anzahl aber durch drei , der DZM zeigt also genau 1000 U/min an. Wenn dies nicht der Fall ist, wird der Zeiger abgezogen und in der richtigen Stellung wieder aufgesetzt. Zum
Test wird die Spannung kurz unterbrochen. Nach dem Einschalten muss der Zeiger wieder genau auf die 1000 zurückkehren.
Warum auf diese Art testen???
- man kann direkt am Tisch in normaler Sitzhaltung testen
- es ist erheblich leiser und riecht nicht nach Abgasen
- genauer geht´s nicht, die Netzfrequenz ist immer gleich und stabil
- man braucht keine besonderen Messgeräte
Und nun noch der Schaltplan des Drehzahlmessers, vom Gerät abgenommen:
Details
- Trifft auf folgende Vespa Modelle zu:
- Cosa
