Hallo zusammen,
hier eine Beschreibung zum Umbau der Elektrik meiner Cosa auf ein sauberes und absolut stabiles 13,8V-Bordnetz.
Der Erfolg vorweg:
Die Batterie ist im Fahrbetrieb in kurzer Zeit voll durchgeladen. Mit dem Einschalten der Zündung funzen auch Anzeigen, Licht, Blinker, el. Benzinhahn, Hupe, Bremslicht, usw.. Der Anlasser zieht nun immer voll durch, das Licht ist heller und es flackert nicht. Selbst beim gleichzeitigen Bremsen und Blinken bleibt das Abblendlicht konstant hell, auch bei niedriger Drehzahl. Es macht wieder richtig Spaß zu fahren, weil sie jetzt einfach zuverlässiger ist, wie vorher.
... Eben wie beim Auto, nur auf zwei Rädern und mit mehr Frischluft.
Zum Umbau:
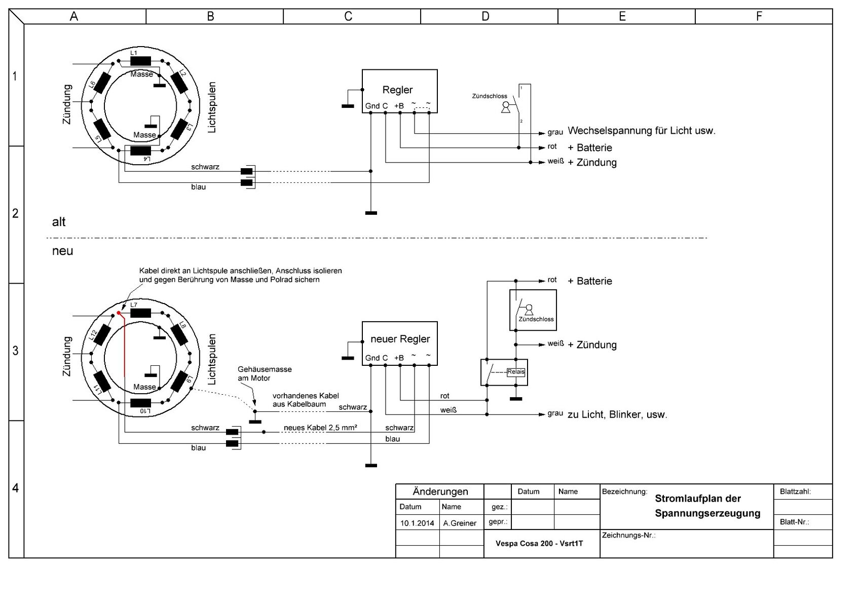
Die Cosa hatte seit jeher das Problem gehabt, dass die Batterie im Fahrbetrieb nie voll durchgeladen wurde. Ein Umbau vom Spannungsregler hatte nur wenig Besserung gebracht. Als jetzt die Batterie (ca. 8 J. alt) mürbe war, habe ich mich mal intensiv mit dem Fehler befasst. Nach dem Motto neue Regler funzen bestimmt besser, wurde der erstmal gewechselt, mit dem Erfolg, dass der neue Regler die Batterie während der Fahrt sogar noch weiter entladen hat. Das war dann der Anlass, etwas Funktionierendes mit eigenen Mitteln zu erstellen. Also habe ich erstmal geschaut welche Teile zu Hause in meiner Bastelstube verfügbar waren und eine Schaltung entworfen. Es gibt bestimmt eine Menge fertiger IC´s, die gleiche Aufgaben erfüllen, aber so habe ich alle Anforderungen ohne große Suche und das Studieren von Datenblättern erfüllt und in den Griff bekommen.
Das Prinzip der alten Spannungsregler mit der Ableitung überschüssiger Energie ist zwar einfach zu realisieren und preiswert, aber völlig uneffizient. Das mag fürs Licht noch ausreichen, die verkürzte positive Halbwelle hat nun aber nur noch wenig Energie für die Ladung der Batterie.Die Lösung liegt also nicht in der Begrenzung der Spannung, sondern in die Umsetzung der Leistung. Es soll also die gesamte Energie der Lichtspule effektiv genutzt werden, erst die überschüssige Leistung wird geblockt.Dafür sind die Lichtspule zu ändern, der Regler zu ersetzen und zwei Komponenten anzupassen.
Und alles ist so aufgebaut, dass es wieder an den alten Platz passt …..
Die Verbindung der Lichtspule nach Masse wird getrennt und der schwarze Draht vom Massepunkt abgelötet. Stattdessen wird der Draht nun direkt mit dem offenen Ende der Spule verbunden und gut isoliert. Nach dem Stecker in der Verteilerbox auf dem Motor wird der schwarze Draht geschnitten. Ein neuer Draht (2,5 mm²) wird am Stecker angeschlossen und zum Regler gelegt. Das offene Ende des alten schwarzen Kabels, welches nun noch aus dem Kabelbaum kommt, wird an Masse angeschlossen (Motorgehäuse). Auf der anderen Seite wird das Massekabel auch ans Chassis geschraubt, der schwarze Kabelschuh wird noch fürs Relais benötigt.
Der alte Regler mit seiner Einweggleichrichtung fliegt nun raus, er hat ausgedient. Er wird durch eine eigenen Schaltung, ähnlich einem Schaltnetzteil ersetzt. Da beide Anschlüsse der Lichtspule isoliert sind, kann die Wechselspannung über einem Brückengleichrichter (und Elkos zur Siebung) in Gleichspannung umgesetzt werden. Diese Spannung muss nun noch auf den Sollwert von 13,8 Volt stabilisiert werden. Meine Schaltung (eigener Entwurf) hat dabei einen Wirkungsgrad von über 90%, somit entsteht auch bei 100% Auslastung (ca. 65 Watt) kaum Abwärme. Der Regler wird dann gerade mal handwarm. Zur Absicherung verfügt er über eine Strombegrenzung, so dass er auch einen Kurzschluss überlebt. Ab ca. 2000 U/min. stehen die 13,8V voll an und reichen für Licht und gute Batterieladung. Bei 7000 U/min. steigt die Spannung nochmal gering bis auf max. 14,1 Volt. Die 65 Watt sind aber nicht die Leistungsgrenze des Reglers, sondern die Einstellung der Strombegrenzung. Messtechnisch geht noch ´ne Ecke mehr ...
Die Ausgangsspannung wird auf ein handelsübliches KFZ-Relais geführt. Mit dem weißen Draht (+Zündung geschaltet) wird das Relais aktiviert und schaltet die Batteriespannung zwischen Regler und den Verbrauchern (siehe Schalplan). Fast alle Verbraucher funktionieren auch mit Gleichspannung, somit ist die Spannungsversorgung erstmal abgehakt.
Die zwei Ausnahmen sind der elektronische Drehzahlmesser und das Blinkerrelais. Eine Anpassung von Blinkerrelais, Armaturen und Drehzahlmesser ist daher notwendig. Diese Änderungen sind in den anderen Threads separat erklärt und ein Tipp für den richtigen Zusammenbau und die Prüfung des Drehzahlmessers mitgeliefert.
Die Bilder vom mechanischen Aufbau des Reglers sind jetzt auch da.
und wer das nachbauen will, hier noch eine Hilfe zur Speicherdrossel (L4 in der Schaltung)
Wer´s nicht probiert wird´s nicht erfahren ...
Details
- Trifft auf folgende Vespa Modelle zu:
- Cosa 200 FL
