1. Vespa Forum
    1. Unerledigte Themen
  2. Dashboard
  3. Galerie
    1. Alben
    2. Karte
  4. Lexikon
    1. Letzte Änderungen
  • Anmelden
  • Registrieren
  • Suche
Vespa Forum: VespaOnline Vespa Forum: VespaOnline
Vespa Schaltpläne
  • Alles
  • Vespa Schaltpläne
  • Forum
  • Galerie
  • Lexikon
  • Seiten
  • Erweiterte Suche
  1. Vespa Forum: VespaOnline - Entdecke die Welt der klassischen Vespa-Roller und teile deine Leidenschaft
  2. Lexikon
  3. Vespa Schaltpläne
SIP Scootershop | Vespa Tuning & Scooter Parts

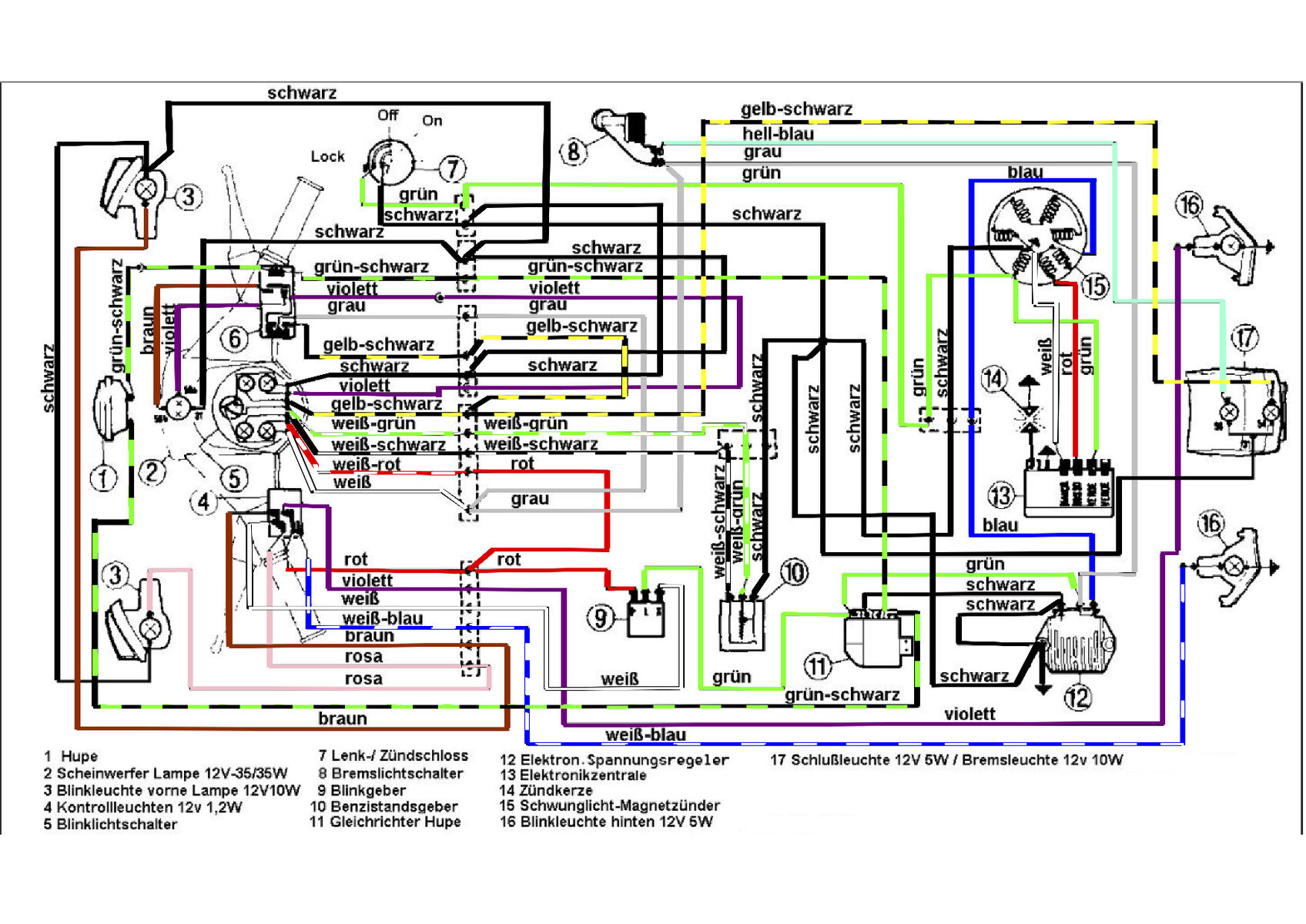
Schaltplan Vespa PK 50

  • mono
  • December 29, 2018 at 15:36
  • 30,593 mal gelesen
  • Schaltplan für eine Vespa PK 50

    Details

    Trifft auf folgende Vespa Modelle zu:
    PK 50
    • PK50
    • Schaltplan

Teilen

  • Vorheriger Eintrag Schaltplan PK 50 XL Automatica Elestart
  • Nächster Eintrag Schaltplan Vespa PX 80
  • PDF

Kategorien

  1. Vespa Anbauteile 18
  2. Vespa Reifen 6
  3. Vespa Bremsen 7
  4. Vespa Elektrik 16
  5. Vespa Vergaser 12
  6. Vespa Kupplung 4
  7. Vespa Motor 15
  8. Vespa Rahmen 12
  9. Sonstiges zur Vespa 20
  10. Vespa Literatur 8
  11. Vespa Schaltpläne 7
  12. Vespa Explosionszeichnungen 2
  1. Datenschutzerklärung
  2. Impressum
  3. Kontakt
  4. Geschichte der Vespa bei Wikipedia
  5. Nutzungsbedingungen
Made with ♥ in Bavaria
Lexikon, entwickelt von www.viecode.com
Community-Software: WoltLab Suite™