SIP Scootershop | Vespa Tuning & Scooter Parts

Beiträge von hellraider007

    Erstmal danke an Kasanova.

    Jetzt habe ich aber noch ein Problem mehr. :cursing:
    Ich dachte ich machs ganz genau und habe erstmal den Vergaser
    gereinigt ( mit Ultraschallbad usw) das Ding wieder drangeschraubt,
    Motor einmal kurz angesprungen unter starker rauchentwicklung,
    und jetzt geht garnichtsmehr.
    Motor springt nicht mehr an, bin langsam am verzweifeln. ;(

    Gibt es irgendwo im Raum Franken einen Schrauber der mir helfen könnte ? ?(

    Gruß

    Hi, das hört sich nicht gut an, die Automatik hat einen Membranblock welcher das Zurückströmen des Gases verhindern soll. Wenn da wieder was rauskommt, ist warscheinlich eine Membran lose oder kaputt.

    klaus

    Hab mich vielleicht etwas verkehrt ausgedrückt.
    Nicht am Ansaugstutzen kommt die Luft raus,
    sondern am Vergaser, da wo der Luftfilter sitzt. ( Jetzt aber gerade bei einem Test
    nicht mehr ?( )

    Kann es vielleicht auch sein, das die Automatik einfach nicht mehr schaltet ?
    Wie kann ich das denn feststellen ?

    Gruß

    Hallo,
    ich habe eine PK50XL mit Automatik und E-Starter Bj.90.

    Zu meinem Problem.
    Die Maschine lief jetzt 5 Tage einwandfrei ( gebraucht gekauft).
    Nun wollte ich heute mal wieder ein paar Runden drehen um die Bremsen einzustellen,
    und nun habe ich folgendes Problem.
    Der Motor springt mit Choke einwandfrei an, läuft im leerlauf auch einwandfrei.
    Sobald ich aber losfahre, fehlt irgendwie die Leistung und der Roller fährt nur
    noch maximal 20km/h.
    Ich habe den Vergaser schon komplett ausgebaut und gereinigt, jedoch habe ich keinen
    "Dreck" gefunden.
    Und nochwas ist mir aufgefallen. Wenn ich den Luftfilter abgeschraubt habe dann "bläst" es
    aus der Ansaugöffnung für die Luft raus, anstatt das er Luft ansaugt.
    Kann mir da jemand helfen ?

    Gruß

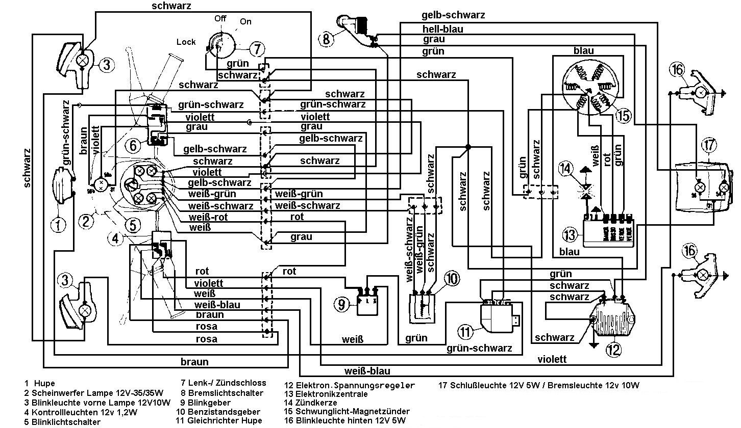
    Hi, ja das ist verzwickt. Der Plan ist von ner Automatik, da ist der Schalter ( 8 ) im Lenker. Vieleicht hilft der Plan "ohne Batterie", da ist der Schalter eher als Schalter in der Fußbremse zu identifizieren. Gleichfalls die nummer 8. Das Laden der Batterie erfolgt nach den normalen Spielregeln. Ist das Potential im Generator höher, sprich mehr Volt als in der Batterie, erfolgt ein Stromfluß vom Generator zur Batterie. Wo ist da das Geheimnis ?

    klaus

    PS der Plan NUR für die Sicht des Schalters

    Ok.
    danke jetzt hab ich alle Infos.
    Mein Verdacht hat sich bestätigt, der Regler ist im Ar...

    Gibt es da günstige Bezugsquellen ?

    Gruß und Danke für die Hilfe

    ja Prima, dann rate doch mal wo der Schalter ist. Der Schalter befindet sich im Gehäuse der Fußbremse.

    klaus

    Haha, das war mir schon klar.
    Ich suchte Ihn eigentlich auch auf dem [lexicon='Schaltplan',''][/lexicon] !
    Ich habe aber auch die Kabel mitlerweilen gefunden ( durch rausmessen ).

    Jetzt habe ich nur noch die zwei Fragen,
    bezüglich dem Bauteil 8 auf dem [lexicon='Schaltplan',''][/lexicon] und wie die batterie geladen wird,
    wenn diese doch lt. Schaltplkan direkt an der LIMA hängt.

    Gruß

    Hi, da Du keine Fußbremse hast, ist der linke Bremshebel für die hintere Bremse. Die hat im Lenker einen Schalter ( 8 ) der das Bremslicht schaltet, und Sicherheitsschalter ist um versehentliches Starten bei laufendem Motor zu vermeiden. Die linke Bremse muß beim Startvorgang gezogen sein, sonst funktioniert der Startknopf nicht. Hast Du keine [lexicon='Bedienungsanleitung',''][/lexicon] ?

    klaus

    Hallo,
    ich habe eine Fußbremse !!
    Ist ein Schaltroller, keine Automatik.
    Und nein eine [lexicon='Bedienungsanleitung',''][/lexicon] habe ich nicht.

    Gruß

    Hallo, ich nochmal.

    Also so wies ausschaut, habe ich eine Version wo der Blinker auch von der Batterie versorgt wird.
    Und nur die Scheinwerfer von der LIMA.

    Jetzt hätte ich aber noch 3 Fragen.

    1.) Gibt es keinen Schalter für das Bremslicht ?

    2.) Wie wird die Batt. geladen, den lt. [lexicon='Schaltplan',''][/lexicon] hängt diese doch direkt an der LIMA

    3.) Was ist im [lexicon='Schaltplan',''][/lexicon] der Schalter mit der Nummer 8 ?


    Gruß und Danke für die Hilfe

    Gruß

    Hallo,

    ich bin neu hier.
    Ich habe mir eine PK50XL mit elektr. Starter Bj. 91 zugelegt. ( V5X3T)
    Im nachhinein hat sich herausgestellt, das das Teilchen ziemlich marode ist.
    Aber ich habe mich dazu entschlossen, das Teil vor dem Schrottplatz zu retten.

    An der Vespa haben sich anscheinend schon etliche "Bastler" probiert,
    denn die Verkabelung stimmt überhaupt nicht mehr ( auch die Farben sind verkehrt)

    Nun zu meiner Frage :

    Wie verhält sich das genau mit der Spannungsversorgung ?

    Mit welcher Spannung wird die Beleuchtung betrieben ( Gleichspannung von der Batterie oder
    Wechselspanung von der Lichtmaschine )

    Welche genaue Funktion hat der Regler ?
    ( Lädt er nur die Batterie, oder erzeugt er auch Gleichspannung für die Beleuchtung ?)

    Habe mir zwar schon einen [lexicon='Schaltplan',''][/lexicon] runtergeladen, aber der ist ziemlich undurchschaubar.
    Und bevor ich mir den " zerlege" damit man ihn besser lesen kann, wollte ich erst mal
    hier im Forum fragen.

    Gruß aus Franken