Das links ist ein Gleichrichter. Gehört original nicht in die PK, zu mal der Spannungsregler auch noch angeschlossen ist.
Beiträge von hiro lrsc
-
-
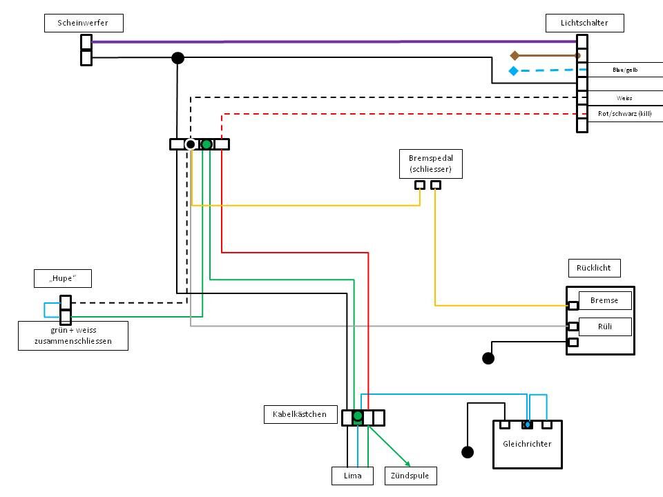
... grün zgp + blau lima + spannungsregler.
-
äh ... die bunten strich auf d3m plan erkennst du? falls du farbenfehlsichtig sein solltest kann ich dir das auch in unterschiedlichen gestrichelten linien malen.
-
im ersten post stehen ein paar links auf denen man schalpläne findet.
-
... mit deunem kabelbaum und dem plan von mir hast du dich wohl gar nicht beschäftigt? steck einfach mal genauso alles zusammen.....
-
grün der zgp hat in deinem fall nichts mit dem grün von kabelbaum zu tun.
-
und wieso stellst zu jeder elektrikfrage zum gleichen roller ein extra topic ein? ? weil heut montag ist oder wie. wer soll sich den da noch auskennen.???
-
warum fuehrst du das alte topic nicht weiter?
-
bau eine 3 scheiben kulu ein und den kupplungszug richtig einstellen.
-
nein und nur ohne dem blinker geraffel
-
-
[lexicon='Schaltplan',''][/lexicon] basierend und in annahme:
Lichtschalter (funktion anhand der Bilder geraten)
Schaltplan der zu dem Modell gehöhrt und angenommen die im Plan gezeigte Lima ist auch verbaut -
manchmal wär's besser die elektrik fragen würden vorm umbau / bestellen gestellt.
:wacko:
brb
-
doppelt Grün: eines geht zur hupe und das andere zum motor.
grau / weiss hab ich oben eigentlich schon geschrieben. weis = hupe
grau = rücklicht -
Alles anzeigen
hi..
ja das graue kabel geht zum rücklicht und ist schon verlegt.:-)
ich habe bewusst den kabelbaum genommen, weil alle anderen mit
blinkerkabel waren.. die 2 kabel welche vom bremslichtschalter weggehen,
habe ich schon verkabelt. / also selbst stecker dran und gesteckt...
eins davon geht ergo zum bremslicht und das andere glaube ich in den
verteiler, wo es mit dem schwarzen kabel welches aus der zündgrundplatte
kommt zusammengeführt wird..die kabel aus dem lichschalter hab ich mit einer zange herausgezogen. (
war keine so gute idee )richtig bleibt nämlich einiges an rest kabeln drin....
was aber nicht so schlimm ist,doch ist es da dieses nur in den "kleineren löchern"
der fall war ( blinkeranschluss ) fällt ja weg..man lernt nie aus... bei der nächsten vespa weiß ich´s
ich denke man kann die anderen doch einlöten oder?wird schwierig da die kabel original gequetscht sind
nochmal zu oben !!!! das grüne und weiße kabel links am bild, werden also abgeklemmt.. habe ja keine hupe---isolier die und gut
wohin also rot, schwarz, doppel grün , und grau / weiß ?????
die gehen alle an den schalter!
schwarz = masse
grün= spannung
rot = killschalter
grau= rücklicht
weiß = hupe
fern-/ abblendlicht und standlicht kommen vom lichtschalterund.... brauche ich noch ein extra masse kabel?????
gr marco
-
gar keine weil der neue kabelbaum nicht das kann was gewünscht wird.
das lange graue würde zum rücklicht gehen.
wie hasst du eigentlich die kabel vom lichtschalter entfernt?
-
nö
dem chokehebel gehört der vertikale schlitz über dem benzinhahn.
-
mal ganz ehrlich: ich raff null, was du überhaupt willst, außer "hilfe!"
- welche zündung ist verbaut [bild bitte]
- welche kabelenden kommen wo raus? [bilder (plural) bitte]
- was hast du anders gemacht als es zuvor gewesen ist?
____
glaskugel sagen:
er hat sich einen neuen kabelbaum gekauft der wohl nicht zum roller passt. am schalter fehlen die kabel und jetzt stellt er sich halt die frage wie das zusammenpasst. -
hi hiro... danke für die antwort..... also du meinst die zwei grünen und das weiß graue ( welche zusammen sind ) gehören an das licht.. was ist dann mit der rot und der schwarz.....? diese an den schalter ?? nein am lichtschalter sind keine kabel verbaut.. dachte die werden einfach eingesteckt...welche sollen dann an die hupe ( die hab ich ja abgebaut ) bzw hat die 50 spezial mit vierfach blinker keine hupe schnarre sondern ne klingel... war zumindest bei meiner so...
so richtig blick ich´s leider noch net sorry -)))))grüße marco
.....
-nein-da der kabelbaum ja offensichtlich neu ist, fuer welches modell soll der sein?
-hier ein beispiel so wie ich den schalter fuer die special kenne.
-das mit der klingel ist schon richtig so
-
