Das kann man mit hilfe eines Messschiebers (Schieblehre) überprüfen.
Beiträge von kasonova
-
-
Such mal nach smartrepair und ein Betrieb in deiner Nähe, kosten je Beule 50 - 80 Euro.
wenn es herkömmlich augebeult werden soll muss, Ausbeulen 80 - 100 Euro, Lackieren weitere 100 Euro. (maximal)
Ach so noch was, das ding heißt "Beinschild", das Windschild ist das klare durchsichtige vor Deinem Gesicht (oberhalb des Lenkers).
-
Hi Chup4, es gibt Leute die über einen Pariser noch ein Präservativ ziehen, der Pariser könnte ja kaputt gehen. Ein Hoch auf den Reservebenzinhahn. An einer ET2 brennt die Reserveleuchte, der Zeiger steht auf "0", binn ich zur Tanke, was soll ich sagen in den Tank welcher 8,4 l fasst, wovon 1,4 l Reserve sein sollen, passten gerade mal 4 Liter rein. Der war noch mehr als halbvoll, so genau sind Anzeigen und Reserveleuchte.
-
Dann solltes Du aber zu denen gehören die in der Muckibude wohnen, ich kann das nicht.
-
Hast Du mal die [lexicon='Bedienungsanleitung',''][/lexicon] gelesen? Die beantwortet Deine Frage. Fallst Du keine haben solltest, melde dich ich schick Dir eine. Und keine Bange das ist nix schlimmes.
-
ja das schon aber beim ausbau sparst dir die fummelei
Richtig, und was noch wichtiger ist, beim Einbau auch, und der Clip sitzt mit Garantie richtig. Mit einem kleinen Schraubendreher bei Punkt 1 zwischen Stange und Knopf gehen, dann kann man den Knopf abziehen. Bei Punkt 6 Benzinschlauch nebst Sieb abschrauben, dann kann man den Tank herausheben. Der Tank muss dafür nicht leer sein, nur nicht zu dolle kippen dan kommt der Sprit trotz dem raus.
-
Und wenn die Vespa nicht auf die Hufe kommt, nicht verzweifeln, dann ist nur der Auspuff voll Ölkohle.
-
lass es lieber jemand machen der Ahnung hat
Hallo Rassmo, wenn ich so etwas anbiete, dann nicht ohne Grund, ich hab damit lange Jahre gutes Geld verdient, bei meiner letzten Stelle war ich für 250 PCs zuständig, sowohl Hard als auch Softwaremässig. Du kannst mir glauben dass ich das kann. Ich habe gerade von einem Rechner den gesamten Datenbestand von 2 Platten abgezogen und das, was brauchbar wahr, wiederhergestellt. Darunter auch ca. 15 GB Bilder. Vorangegangen: eine fehlgeschlagene Neuinstallation.

-
Formatierung kann man rückgängig machen, selbst wenn Du aschon was drauf geschrieben hast.
-
Ja ja, Laptop, ich sag jedem, "Laptop nur wenn Du ihn unbedingt brauchst", denn bei den Dingern gibt es nur läuf oder läuft nicht, reparieren ist da meist nich, weil etwas teurer als ein neuer.
Aber in Deinem Falle, die Bilder sind auf der Festplatte, und wenn Du nicht gerade diese geschlachtet hast, was unwarscheinlich ist, kann man diese an nem anderen Rechner auslesen. Ich kann da behilflich sein, wenn Du möchtest.
-
Doch doch, das kann sein, deshalb ja auch die Messung.
-
Erst einmal, die kleinen Batterien sind zimlicher Mist. Die Grundlage für diese Fehler werden meist in den Wintermonaten gelegt. Die nehmen direkt alles übel. Mangelnde Wartung, diese Batterien mögen es gar nicht wenn sie den Winter über in der Garage stehen. Die sollten, in einem frostfreien Raum überwintern, und an ein Batterie Erhaltungslader angeschlossen sein. Wenn die Dinger erst mal ne Macke haben, hilft nur noch austauschen. Aber vieleicht hast Du auch einen Verbraucher, der die immer leersaugt. Das aber kann man nur ausmessen.
-
Eingebaut wird das mit nem Hammer und einem stück Holz.
-
Hi, das kann auch an deiner "extrastarken" Batterie liegen. Die Limas sind in aller Regel recht schwach ausgelegt, wenn die Batterie wesentlich stärker als die Originale ist, reich die angebotene Ladespannung der Lima nicht aus. Mess mal die Spanung an der Batterie, bei stehendem Motor und voller Batterie sollten direkt an der Battrie ca. 13,5 Volt zu messen sein. Wenn Du nun den Motor anlässt, sollte die Spannung mindestens um 1 Volt steigen.
-
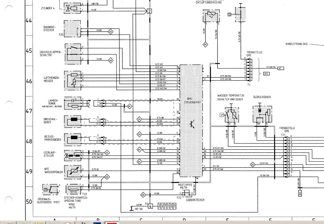
Hi Chup, vor dem Auto hab ich keine Ahnung, aber der spaß ist doch fast überall gleich. Hier mal der Planteil von meinem Auto, in die DME geht noch ein bisschen mehr rein als das von Dir beschriebene. Alle diese Geber werden über Kabelstecker geführt, die oft, weil korridiert, einen Fehler verursachen. Klar dann stimmt der Wert nicht mehr. Was Du noch nicht untersucht hast, Drosselklappenschalter, Höhenausgleich, Regensensor, Du musst leider jedes einzelne Teil und die Kabel auf Fehler untersuchen.
-
[lexicon='ZZP',''][/lexicon] heißt halt [lexicon='ZündZeitPunkt',''][/lexicon], und der ist auf welchem Strich? Abgeblitzt oder die Markierung der Zündgrundplatte? Wie schaut die Kerze aus, hat der Isolator eine hellere Farbe als mittelbraun? Ist Die Kerze die Richtige? Stimmt der Elektrodenabstand?
-
Zu mager oder [lexicon='ZZP',''][/lexicon] falsch.
-
Hallo, es gibt im Netz Firmen welche Schrauben Muttern etc. liefern können, nur mit Deiner Bezeichnung kann niemand (ausser Vespahändlern) was anfangen. Wenn Du aber fragst nach einer Kronenmutter xxmm mit einer Steigung von x sieht das schon anders aus. Hier mal einfach so herausgegriffen, Du solltest allerdings kein Edelstahl nehmen, Stahl in Festigkeitsklasse 8.8 wenn es geht.
-
Hi, die Primavera ist doch irgenwie PK oder? ich hab mal versuch den Kabelbaum im Tunnel zu fotografieren, war aber zu dunken und ging nicht. Ich hab mit Kabeleinzieher gearbeitet, Bowdenzughülle geht aber auch. Dies Ding vom Loch der Fußbremse nach vorne schieben, Kabelbaum mit Klebeband befestigen und einziehen. Das passt nur ganz knapp durch und Du musst eventuell mehrere Versuche machen. Wenn der Kabelbaum da angekommen ist, den Bowdenzug durch den Tunnel nach hinten zu dem hinteren Loch im Tunnel. Kabelbaum vorsichtig unter nachhilfe vorne, weiterschieben / ziehen. Wenn das geschafft ist, Anschluss zum Motor durch das Loch nach unten rausführen, den Kabelbaum über den Motorraum verlegen, Anschlüsse für Blinker und Rücklicht durch die Löcher fädeln, Gummis nicht vergessen. Das Kabelbaumende auf der linken Seite durch die Wand zum Spannungsregeler rausführen. Dann vorne den Kablbaum am Lenkrohr hoch zum Verteilel verlegen, die Anschlüsse für Blinker und Hupe verlegen (Gummis). Dann den Spannungsregeler und den restlichen Kram auf der linken Seite montieren. Erst wenn der Kabelbaum liegt, die Bowdenzüge einziehen.
-
Ich möchte Dich zu Deinem Entschluss beglückwünschen, das ist eine gute Idee. Wie hast Du Dir das mit den Übernachtungen gedacht? Eins ist jedenfalls mal sicher, man erlebt die Landschaft viel intensiever als im Auto. Ich hab das schon mal gemacht, ist zwar schon einige Zeit her, von Wuppertal nach Venedig, zu zweit und mit komplettem Zeltgepäck. Das Bild zeigt mich, schon auf der Rückfahrt, beim Kartenstudium auf dem Fernpass.
