Hab da mal ne Frage, welche Farbe hat die Tachonadel? Ist die etwa gelb? Denn dann hast Du gute Chancen das die Isolierung der Kabel an der Lima abgebröselt sind. Da gab es mal eine Serie wo die Kabel zimlicher Mist waren.
Bitte nicht weiter Fahren, da durch den Kurzschluss die Spulen der Lima heiß werden und sich auflösen. Fang am besten da mit an, dass Du das Polrad ab machst. Dann kannst Du schon einen Blick auf die Lima werfen. An der Stelle wo die Kabel durch die Grundplatte gehen, tritt der Fehler am häufigsten auf. Wenn Da aber alles OK sein sollte, Kabel vom Regler aus prüfen. Aber eher unwarscheinlich da verschiedene Kabel unterschiedliche Wege gehen. Möglich ist aber ein Kurzschluss welcher den Regler geschlachtet hat.
Beiträge von kasonova
-
-
Ich tippe auf die Ladespule, oder beschädigte Kabel.
-
Kaputte Dichtungen am Vergaser; Dichtung an der Schwimmerkammer, Vespa verliert sporadisch Benzin und riecht nach Benzin, aber keine Auswirkung auf das Laufverhalten. Obere Dichtung am Schieber; keine wesentlichen Auswirkungen auf das Laufverhalten, ggf. leichtes hochdrehen im Leerlauf. Dichtung unterm Benzinsieb; wie bei Schwimmerkammer, doch es läuft mehr Benzin aus. Weiter Dichtungen gibt es nicht.
-
Hi lohnt sich auf gar keinen Fall, denn Oldtimer fahren ist nach Frauen das teuerste Hobby.
-
Dann wirst Du es tauschen müssen, ob der TÜV was sagt, hängt da von ab ob er es bemerkt.
-
Schau zuerst auf das Relais, es gibt welche die haben nur Zwei Kontakte, da kannst Du keine Kontrolle anschließen. Es muss ein freier Kontakt vorhanden sein.
-
Am Blinkgeber, ja. Das Du das Signal nicht wo anders abgreifen kannst, liegt an der Konstruktion des Gebers, der arbeitet mit dem Widerstand der Birne. Wenn Strom fließt erhitzt sich ein Draht und öffnet den Kontakt. Darum ist der Impuls für die Kontrolle, nur am Blinkgeber vorhanden.
-
Ist am Blinkgeber vielleicht noch das Kabel vorhanden und nur abgezogen? Mit dem Tank, das kommt drauf an, wie lang der Schlauch ist. Normal sollte das möglich sein.
-
Kurz und knapp; NEE
-
Ich hatte jetzt mal das gleiche Phänomen, da war im Gaser die Starterdüse verstopft. Das ist die in der Schwimmerwanne an der Seite. Schau mal ob Du da längs durchschauen kannst, und ob der Shoke auch funktioniert.
-
Klar lohnt sich dass, mindestens für den Verkäufer der Teile. Besonders der Sito ist zu empfehlen, denn der rostet wesentlich schneller als der Originalpott.
-
Dann versuch es doch mal da mit, die Kontrollen sind wohl an der richtigen Position ein gezeichnet. Die Lichkontrolle hat ein schwarz-weißes Kabel plus schwarz. Die Blinkerkontrolle hat ein rot-weißes Kabel plus schwarz.
-
Noch mal die Frage, welchen [lexicon='Schaltplan',''][/lexicon] hast Du?
-
Dann sollte die Grüne die Lichtkontrolle sein, gelb eigentlich die Blinkerkontrolle. Aber bei den Italienern weiß man ja nie.
-
Nee ich weiß ja nicht ein mal was das für eine Leuchte ist, Blinkerkontrolle?, Fernlicht? Wie sieht sie denn aus? welche Farbe?
-
Stimmt denn der Benzinhahn schließt das Lüfterröhrchen nicht. Das ist immer offen.
-
Das wird nix bringen, auf keinen Fall einen Filzring verwenden, denn dann geht der Gaser nicht mehr weit genug auf das Ansaugrohr. Viel wichtiger ist, dass der Gaser bis Anschlag auf das Rohr geschoben wird, nimm ein bisschen Fett dann geht es leichter.
-
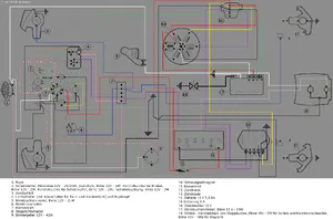
Mit welchem [lexicon='Schaltplan',''][/lexicon] hantierst Du? häng mal an.
Der Strom für das Rücklicht kommt, wie schon geschrieben, über die Klemme 6 am Zündschloss. Da soll lt. [lexicon='Schaltplan',''][/lexicon] ein schwarz-weißes Kabel ankommen. Das Kabel ist, so weit ich den Plan entziffern kann, zusammen mit dem Kabel der Kontrolle Licht angeschlossen und kommt von Lichtschalter. -
Nee glaub ich nicht, beim Schalter steht: "RUN 5-6 + 1-2-3". Da nach sollte auf Punkt 6 (schwarz-weiß?) Strom von der Lima ÜBER den Lichtschalter liegen.
-
Ja das Teil ist schon OK, wie gesagt, Drehmomentschlüssel drauf und das Vorderrad zwischen die Beine nehmen, NICHT gegen den Anschlag. und gegen den Uhrzeiger losschrauben. wenn Du den Drehmomentschlüssel nicht hast, eine Verlängerung auf die Ratsche, damit Du auf ca. 50 cm Länge kommst.
