Hi, was hast Du ausser treten auf den Kikstarter noch unternommen?
Beiträge von kasonova
-
-
noch schlimmer, Hupen sind absichtlich unterdimensioniert, und gehen auch schon, bei richtiger Voltzahl, kaputt. So geschehen bei einem Hupkonzert anlässlich einer Hochzeit.
-
das einfachste ist , ein Handy und die ADAC-Karte.
-
Hallo;
das ist eine interessante Frage, aber die stellt sich so eigenlich nicht. Wenn Du in der Physikstunde zum THema Newton besser aufgepasst hättest, würdest Du so nicht fragen.
Für die erreichbare Geschwindigket, ist an dieser Stelle die Kraft zu sehen. Ein anderer Auspuff verändert meistens nur das Geräusch, erhöht aber nicht die PS-Zahl.(bei 2-Takt Motoren)
Die erreichbare Geschwindigket hängt von der maximalen Drehzahl des Motors und der Gesamtübersetzung und dem Wiederstand (wind, Roll und Reibung) Da dein Umbau die Leistung nur unwesentlich erhöht hat, kommt jetzt hier der DÄMPFER: für doppelte Geschwindigket wird die ACHTFACHE Leistung benötigt. In den Beiträgen unten mrhr zu diesem Thema. Noch ein Wort zum Auspuff, anders als beim 4-Takter ist der Auspuff beim 2-Takter Teil eines abgestimmten Systems. Zuviel Wiederstan ist genau so leistungsmindernd wie zu wenig.
Noch eine alte Rennfahrerweisheit: Leistung (PS) ist durch nichts zu ersetzen, außer dur noch mehr Leistung.MfG klaus
-
Hi. das liegt daran, daß z.B. die Kurbelwelle ein Lager in der rechten und in der linken Hälfte hat, und die Lager eingepresst sind. Beim auseinander Bauen sind Plastikkeile hilfrech. Ach schlagen (Alu- Kupfer-Hammer) auf die Kickstarterwelle und die Achswelle helfen. Nur nicht die Dichtflächen beschädigen.
Schick mal ne E-Mail dann schick ich ne bebilderte Anleitung zurück.
MfG
-
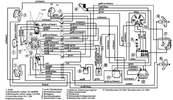
Hi, hast Du ein Messgerät zur Verfügung? auf dem [lexicon='Schaltplan',''][/lexicon] kanst Du sehen, daß an die Zündung (13) drei Kabel gehen. Das grüne ist zum Abschalten, das rote liefert den [lexicon='Zündzeitpunkt',''][/lexicon], und das weiße den Strom für die Zündspule. Da Du die Zündung schon getauscht hast, bleiben eigentlich nur zwei Möglichkeiten, ersten kein Strom auf weiß, oder Pickup ist kaput.
Strom auf weiß kannst Du messen, Gerät auf Wechselspannung ~ 12V, gegen Masse, beim Starten sollte das Gerät anzeigen. Wenn nein Spule oder Anschlußkabel ab oder kaput. Wenn Strom Pickup im A..MfG klaus
-
ich möchte auch noch meinen Senf dazugeben, das stimmt natürlich alles NUR wenn die Dichflächen sauber und nicht vermackt sind. Wenn beim Trennen Schaubenzieher etc. verwendet wurden, würde ich zu Silikondichtmasse (dünn zur Papierdichtung) greifen. Monn sollte es nicht glauben fürwas fur kleine Kratzer Oel sickern kann.
MFG klaus


-
kurze Antwort gefällig? NEIN.
Mfg klaus
-
na ja; meine Finger sind sicher dicker als Deine, du hast aber Recht das ist eine Strafarbeit mit dem Splint, und das ganze Fummeln ohne was zu sehen. Die im Werk haben sich das einfach gemacht, beim Zusammenbau wird der Benzinhahn MIT der Stange zusammengebaut. Tank eingebaut, Stange nach vorne durchdas Gummi, und den Plastikknopf drauf stecken. Aber ich trau mich auch nicht den alten Knopf abzunehmen, da ich befürchte, das der dann das Zeitliche segnet. Aber da der Hahn augenscheinlich offen ist, kannst Du das ja auf das Wochenende verschieben. Alles Gute und hoffentlich kein Regen Morgen.
MfG klaus

-
Steht aber auch in der Gebrauchsanleitung; vor dem Start auf nach dem Abstellen zu, Das gilt im übrigen für alle Fahrzeige die nicht über eine Benzinpumpe verfügen.
Der VW-Käfer hatte noch bis in die 50ziger einen Benzinhahn, weil der Tank höher war als der Motor.MfG

-
Hi Bea; ich habs ja begriffen. Du auch?
Da Du den Knopf beim Schließen ab hattest, ist der Hahn offen. Mit dem Splint suchen on richtig offen oder nur teilweise. ( loch muß an der Seite sein) Beim Einbau muß der Knopf dann auf "AUF" zeigen. -
die Antwort hilft mir jetzt nicht wirklich weiter. Was ist kaput? ist der Plastikknopf noch auf der Stange? Kannsr Du das herausziehen? Ich vermute der Sicherungssplint ist raus.
Allso in der Stange ist am Ende quer ein Loch. Der Benzinhahn hat eine runde Aufnahme, (diese hat ebenfalls ein Loch auf der Seite,) in die die Stange hineingesteckt wird. Das kann man (Frau) alles fühlen. Die Gemeinheit ist,der sicherungssplint, ( sieht ein bisschen aus wie eine Sicherheitsnadel). Der muß jetzt mit der geraden Seite durch die Aufnahme, durch die Stange gesteckt werden. WICHTIG der Betätigungsknopf muss auf "AUF" oder "ZU" stehen entsprechen dem Benzinhahn. Der Splint (stark vergrößert) ist auf dem Bild zu sehen. Such mal unter den Vergaser in den Ecken, der kann eigentlich nicht weg.
Viel Erfolg
-
Hallo: ist die Stange noch dran? und nur der Plastikknopf ab(kaputt)? den bekommst Du bei SIP.
MfG
-
das ist richtig. aber das ist ein Anlasserrelais, da fliessen gewaltige Ströme. Ein Anlasser ist elektrisch (fast) ein Kurzschluss. Ein normales Relais, die kleine Plastikdinger die zu Mass im Auto sind, halten das nicht aus. Die sind für Leistungen bis 15A max ausgelegt, Starterrelais schaffen bis 70A. Auf dem Bild ist der Unterschied klar ersichtlich. Weiter ist auch der Anschluss intertessant. Da giebt es verschiedene Möglichkeiten 1. 3 Anschlüsse Primär und Sekundär auf einem gemeinsamen Plus. Primär und Sekundär getrennt (4 Pole) und Relais mit einem Umschalter (5 Pole) Bezeichnung: Primärspule 85 und 86 Kontakt 30 nach 87. Bei 5-Poligen kommt noch die Ruhekontaktseite 87a dazu.
alles klar?MfG
-
Hallo;
da Italien auch zur EU gehört, sind die italienischen Papiere auch hier gültig. Gegen Vorlage der Originale kannst Du die Deutsche ausstellen lassen. Ohne Vollabnahme.mfg
-
Hallo; die Bezeichnungen sing gemein, da man dazu wissen muß in welcher Sprache die sind.
"A" = Alternator (Wechselstromerzeuger), "G" Generator dito, "B+" = Batterie-Plus, "M" = Masse, und jetzt kommts "A" = Ausgang, "G" = ground (Masse), die Bezeichnung ("G" giallo = gelb ist nur zufällig richtig, Allso wie man sieht, eine große Verwirrung, [lexicon='Schaltplan',''][/lexicon] und Farbkode ist die bessere Wahl.MfG
-
Hi XL1 oder XL2?
-
nein ist es nicht, ich habe mal 3 Stunden gesucht. Kerze raus, funkt prima, Kerze eingebaut, startet aber nicht. Bei der dann einsetzenden Dunkelheit hab ich dann gesehen, das der Funken (bei eingeschraubter Kerze) an der Zündspule übersprang. Der Strom ist faul, der sucht sich immer den leichtesten Weg. Allso fehlende oder schlechte Masseverbindung an der CDI, Riss in dem CDI-Gehäuse oder Kerzenstecker, altes Zündkabel, nicht aufgeschaubter Nippel auf der Kerze (bei manchen Steckern erforderlich) und so weiter und so weiter. Da hilf nur penniebel alles prüfen, ggf wenn vorhanden, alle Teile ersetzen. Es hat auch schon Kerzen gegeben die nur außerhalb der Zylinders funken.
MfG

-
Wichtig ist auch, daß man die Kanten (anden scmalen Seiten) mit der Feile bricht. Sonst neigen diese zum rubbeln.
MfG
-