Die Spitze Schraube mit der Feder dran komplett reindrehen und direkt anderthalb Umdrehungen wieder raus drehen dann haste leerlaufgemisch schon mal auf Grundeinstellung
Gesendet von iPhone mit Tapatalk
Die Spitze Schraube mit der Feder dran komplett reindrehen und direkt anderthalb Umdrehungen wieder raus drehen dann haste leerlaufgemisch schon mal auf Grundeinstellung
Gesendet von iPhone mit Tapatalk
Ja die scheimmernadel sieht nicht mehr so schön aus aber hast ja ne neue ✌️
Gesendet von iPhone mit Tapatalk
Nein brauchst nix fetten oder Ölen einfach sauber zusammenbauen
Gesendet von iPhone mit Tapatalk
Das sieht schon mal ganz gut aus ,denk an den Schlüssel für den benzinhahn!!Du hast den Filtzring vergessen Artikelnummer 87880000 und die Dichtung ansaugstutzen brauchst du nur wenn du den abmachst neu
Gruß Richi
Gesendet von iPhone mit Tapatalk
Aber benzinhahn sauber machen bringt meist nix neuer Hahn kostet 20€
Gesendet von iPhone mit Tapatalk
Nein das im Tank das nach oben geht
Gesendet von iPhone mit Tapatalk
Hab grad mal google bemüht in Alsfeld gibts nen Zweirad Shop Müller die machen auch vespa da solltest du auch zürnet teile bekommen
Gesendet von iPhone mit Tapatalk
Die beiden großen Shops sind sip-scootershop.com
Und
Scooter-Center.de
Gesendet von iPhone mit Tapatalk
Wo kommste denn her ?
Gesendet von iPhone mit Tapatalk
Wenn du nen guten rollershop in der Nähe hast solltest du da nen dichtsatz bekommen nur halt nicht wundern ist meist mehr drin als benötigt wird
Gesendet von iPhone mit Tapatalk
Ja doch kommt man schon ran benzinhahn rausnehmen ,choke am Hahn aushängen ,benzinschlauch abmachen dann am ansaugstutzen die Schelle lösen und dann den gaser mit Drehbewegung abziehen
Gesendet von iPhone mit Tapatalk
Ja schon aber nach 3-4 Jahren Standzeit kann ne Reinigung des vergasers nie schaden .Hab schon Fahrzeuge hier gehabt wo nach zwei Jahren stand die Düsen so zu waren und es ist ja jetzt nicht der Mega Aufwand
Gesendet von iPhone mit Tapatalk
Neue Kerze is ja schon da
Gesendet von iPhone mit Tapatalk
Moin Moin ja der vergaser sitzt vor dem Tank unter dem Werkzeugfach
Besorg dir aber vorher einen neuen dichtsatz Kost so um die 5-10€
Dann der vergaser auseinanderbauen soweit wie möglich und am besten im ultraschallbad reinigen und dann wieder zusammenbauen
Gesendet von iPhone mit Tapatalk
Äh sorry 74er düse
Gesendet von iPhone mit Tapatalk
Aber davon mal ganz abgesehen ich hab schon ne 70er Düse bei nem 50er Polini und 16.16er gaser
Gesendet von iPhone mit Tapatalk
Da wird dir leider nichts anderes über bleiben als im Forum zu fragen ob einer noch einen liegen hat oder neu kaufen
Gesendet von iPhone mit Tapatalk
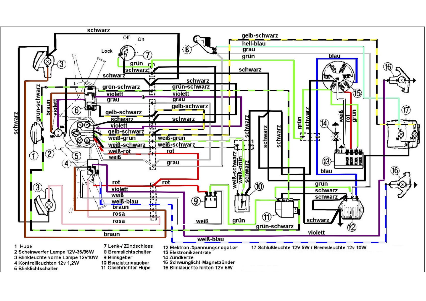
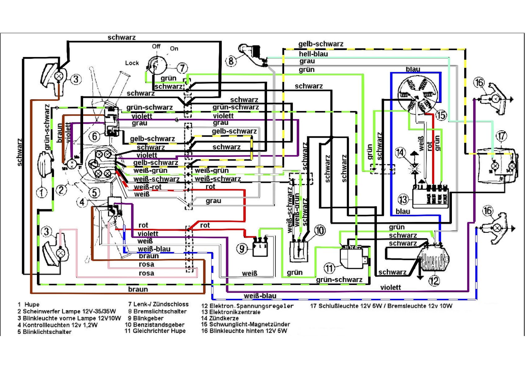
Bitte messen wenn der Rest der Elektrik nicht angeschlossen ist Motor sollte ja trotzdem laufen
Gesendet von iPhone mit Tapatalk
Am Stecker der aus dem Motor kommt das blaue Kabel gegen Masse messen wenn da mehr als deine 1,5 v ankommen neuen Regler
Gesendet von iPhone mit Tapatalk
