achso noch ne frage, welche zündkerze haste drinn? wenn zu kalt verfälscht es das [lexicon='zündkerzenbild',''][/lexicon].
Beiträge von Basjoe
-
-
verstehe...
ich hatte bei 2 motoren ähnliche symptome, wie du sie schilderst. musste mit der hd auch sehr weit runter und am besten noch ohne luftfilter. liefen sehr gut (standgas,vollgas) was mich sehr gewundert hat. bei beiden hat sich herrausgestellt das der kulusimmerring futsch war und somit immer getriebeöl mitverbrannt wurde. kerze hat mir immer ein viel zu fettes gemisch gezeigt.
normalerweise braucht ein 16.10ner mit 75ccm ne hd zwischen 56-60 und nen 16.16 ne hd zwischen 68-72.
der 16.10 hat standard ne 38 nd und die 16.16 ne 42 nd.
vielleicht ist einfach deine luftfilterpatrone verstopft.
-
hast du beim neuen motorgehäuse die simmerringe gewechselt?
-
die antriebswellen hinten gehen gerne mal kaputt, also darauf achten das kein spiel vorhanden ist. sowie die die welle die den motor mit dem getriebe verbindet...weiß grad net wie die heißt, die hat gern mal ne unwucht. innenausstattung hat gerne risse, meist im vorderen bereich der in der sonne liegt.
ansonsten sind die ziemlich robust und meist auch komplett rostfrei, weil vollverzinkte karosserie.
aso ersatzteil wenn direkt bei porsche sind sackteuer.
-
verringer mal den elektrodenabstand der zündkerze auf ca. 0,5mm.
-
ps: stimmt das das die lichter nur gehen wenn alle birnen drin sind!? das der stromkreis geschlossen sein muss!?
nö, geht auch wenn nur eine drinn ist. ist eigentlich nicht in reihe geschaltet.
ich versteh zwar nicht warum du "nur" 6volt am licht hast, weil du anscheinend 12volt unten an der zgp hast, aber wenn es funktioniert dann lass es doch.
-
man kann den strom auch nutzen ums fahrlicht oder das bremslicht zu pimpen. dann einfach mit an grün oder blau anschließen, allerdings sollte auch das leuchtmittel dementsprechend geändert werden, ansonsten brennen die birnen durch.
-
...welchen kabelbaum hast du drin?
nach deiner aussage hast du gar kein braunes kabel von der zgp, also auch keine 6volt für phase.
-
es sieht so aus als ob bei dir die distanzbuchse im stoßdämpferauge fehlt und 2 o-ringe links und rechts davon.
-
welche kolbenbolzenclips haste genommen? die ori. oder die beim DR satz dabei waren ?
genau deshalb hab ich gefragt. -
naja nicht ganz ffm, aber ich wollte von götzenhain aus starten. ab 11:30uhr von der feuerwehr.
-
Und den Ansaugstutzen braucht man nicht tauschen, wo ein 16.10er draufgeht, passt auch ein 16.15er oder 16.16er.
sry, aber das ist total falsch. nen 16.10ner ass hat 19,5mm und nen 16.15/16 ass hat 21,5.
-
du mußt zum Umbau auf 4-Gang lediglich die Hauptgetriebewelle
nö, die hauptwellen sind alle gleich(1.serie mal ausgenommen), musst nur ne 4 gang schaltklaue verbauen und der rest den jack geschrieben hat.
-
welche kolbenbolzenclips haste genommen? die ori. oder die beim DR satz dabei waren ?
-
5 blatt 80gr. papier von nem schreiblock haben ca. 0,37mm
-
der ori. kolben hat keine aussparung im kolbenhemd für den boostport. das ist bei bei den 2 und 3 kanal kolben gleich. nur der 2 kanal kolben hat die kolbenpins nach vorne, also theoretisch zum boostport hin...wenn einer da wär, beim 3 kanal sind die kolbenpins zwischen auslass und überströmer. eigentlich so wie du es beschrieben hast.
ich hatte vermutet, dass du versuchst nen kolben für 2 kanal in nem 3 kanal zyli. zu betreiben...das führt zwangsläufig zu gebrochenen kolbenringen.
-
beim 16.10ner steht in den papieren eine 51HD wahlweise 53HD.
zum zylinder, der kolben sieht für mich aus wie der aus nem 2kanal...könnte aber auch am foto liegen. dieser sollte aber nicht im 3kanal zylinder betrieben werden, weil die pins genau über dem bostport laufen und somit leicht brechen können.
der kolben von nem 3kanal zyli. kann aber in beide zylindertypen eingebaut werden.
-
-
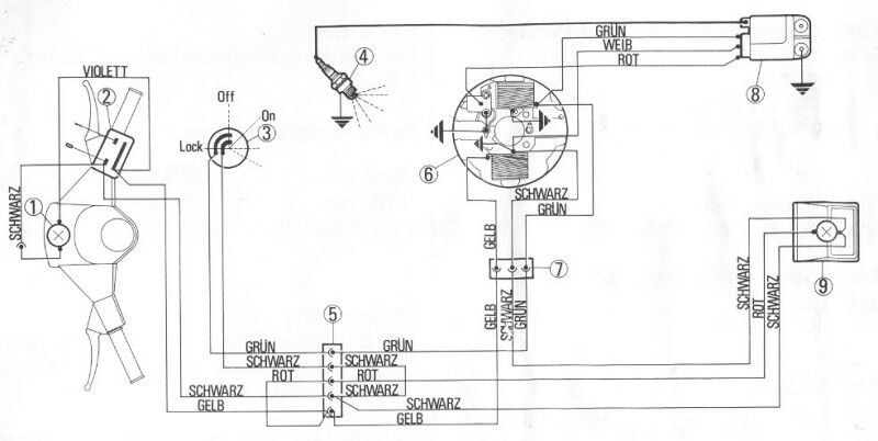
normalerweise bei ner deutschen 12volt feld wald und wiesen zündung, ist das grüne kabel für die zündung und das blaue für die verbraucher.
bei einer italo 6/12volt zündung sind eigentlcih 4 kabel dran. warum bei dir nur 3 sind weiß ich nicht. braun, was du anscheinend nicht hast, ist 6volt und blau 12volt. ich würde mit nem messgerät bei laufendem motor testen wieviel bei blau rauskommt.
wenn du grün und schwarz zusammen schließt müsste der motor ausgehen, dies sind auch die kabel die du am killschalter anschließen musst.
-
