Hi Leute,
ich wollt mal fragen wo der Unterschied zwischen der Vespa PK 50 und PK 50 S liegt? Ich persönlich fahre eine Pk 50 S, konnte aber noch keinen Unterscheid zur "normalen" PK feststellen. :dash:
Bis dann
Wo ist der Unterschied zwischen PK 50 und PK 50 S?
-
-
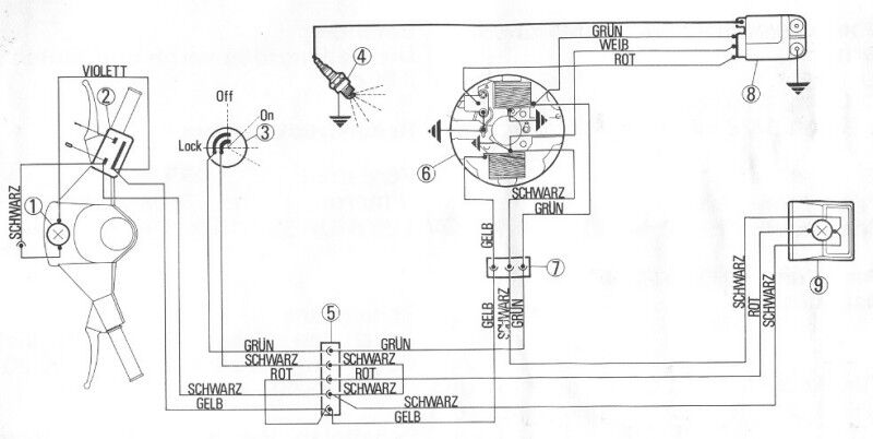
Die PK und die PKs sind sich sehr ähnlich.
Die "PK 50" hat im Gegnsatz zur "PK 50 S" jedoch keine Blinker, eine 4-polige 6V Zündanlage, kein Fernlicht und keine Hupe. -
-
Die PK 50 ist prinzipiell eine Sparversion der PK 50 S. So sparsam, dass sogar das S in der Typenbezeichnung wegfiel. Von der Karosserie her aber bis auf die fehlenden Blinkerausschnitte gleich.
Merkmale der PK 50 nochmal zusammengefasst:
Keine Blinker,
kein Bremslicht,
daher spezielles kleineres Rücklicht,
kein Fernlicht,
daher auch keine Öffnung für die Kontrolleuchten in der Lenkerkopfabdeckung,
Blindkappe am Schaltrohr, wo sonst der Blinkerschalter sitzt,
keine Hupe,
entsprechender Schalter rechts am Lenker ohne Hupknopf,
dafür Klingel,
kein Handschuhfach,
6 V Elektrik mit 4 poliger elektronischer Zündgrundplatte und spezieller CDI,
in Deutschland nur in rot erhältlich gewesen. -
-
... alles korrekt und auch in orange sehr schick.

-
jo danke
bin noch nich lange dabei deshalb kommen wohl noch ein paar mehr dumme fragen. ich entschuldige mich schon mal im vorraus