1. Vespa Forum
    1. Unerledigte Themen
  2. Dashboard
  3. Galerie
    1. Alben
    2. Karte
  4. Lexikon
  • Anmelden oder registrieren
  • Suche
Dieses Thema
  • Alles
  • Dieses Thema
  • Dieses Forum
  • Forum
  • Galerie
  • Lexikon
  • Seiten
  • Erweiterte Suche
  1. VespaOnline Forum: Entdecke die Welt der klassischen Vespa-Roller und teile deine Leidenschaft
  2. Vespa Smallframe / Largeframe / Wideframe Roller
  3. Vespa Elektrik

6V-Special auf 12V ohne Blinker und Bremslicht umbauen. Schaltplan OK?

  • Evil Knewel
  • May 11, 2012 at 08:28
  • Evil Knewel
    Schüler
    Reaktionen
    2
    Punkte
    727
    Trophäen
    1
    Beiträge
    115
    Bilder
    5
    Wohnort
    Ludwigshafen
    Vespa Typ
    50 Special
    • May 11, 2012 at 08:28
    • #1

    Hallo zusammen,

    ich bin gerade dabei meine Special von 6V Kontakt auf 12V-Zündung umzubauen. Bevor ich mir mit meiner Elektrik-Legasthenie den letzten Nerv raube, wollte ich von Euch wissen, ob mein Plan so aufgehen kann. Ich hab mir vorher schon einiges dazu angelesen (z.B. chups anleitung), wollte aber trotzdem noch mal eure meinung bevor ich mir irgendwas zerschiesse weil es falsch angeschlossen ist.

    zur vespa:

    italienische special, v5b3t
    keine blinker
    kein bremslicht (soll erst mal auch so bleiben, weil in dem kleinen siem eh keine fassung für bremslicht drin ist)
    passender kabelbaum wurde vor ca. 4 jahren neu eingezogen

    den italienischen schalter habe ich nach der anleitung von chup4 (danke!) schon von öffner auf schließer umgebaut:


    hab ich auch durchgemessen, scheint zu funktionieren.

    ich würde gern den kabelbaum, der jetzt drin ist behalten, weil der noch in einem sehr guten zustand ist.

    zündung habe ich die hier:

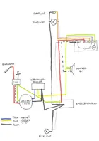
    aus der zündgrundplatte kommen ein strang (rot+weiß+grün) an die cdi und ein strang (blau+schwarz) für den spannungsregler. ich hab mir mal basierend auf dem was ich zu dem thema gelesen habe und was mir per pm geraten einen schaltplan gemacht, aber noch ein paar verständnisfragen dazu:

    index.php?page=attachment&attachmentid=89727&h=2a06d1a5db50d80a99726e2a97d1accc1160ac5b

    1. die ungeregelte phase der zgp geht in den spannungsregler und von dort als geregelte phase über das bestehende grüne kabel an die schnarre und weiter an den lenker. richtig?

    2. dort geht sie auf den hupenkontakt, der aber nur schließt wenn gehupt wird. müssten dann die nach dem hupenschalter liegenden verbraucher (licht!) nicht nur strom bekommen, wenn der schalter geschlossen, also gehupt wird? richtig?

    3. wäre es deshalb nicht sinnvoller, das grüne kabel, das vom spannungsregler an die schnarre kommt, direkt mit dem weiße kabel zu verbinden, dass vom schalter zur schnarre geht, ohne das die schnarre mit einem der beiden kabel verbunden ist? der strom würde dann ja vom spannungsregler direkt an den schalter fließen und erst über des zweite grüne kabel bei geschlossenem hupenschalter zur schnarre fließen. richtig?

    4. wenn das so wäre, warum braucht die schnarre keine masse? denkfehler?

    5. was mache ich mit dem schwarzen kabel (masse?) am schalter? wie bisher am fahrlicht auf masse legen? richtig?

    kann mir bitte jemand sagen, ob mein plan stimmt oder ich sonst etwas übersehen habe? wenn das problem gelöst ist, würde ich gerne einen graphisch aufbereiteten schaltplan speziell für diesen fall zur verfügung stellen, damit sich andere elektriktrottel wie ich leichter tun… :-4

    Bilder

    • Schalter.jpg
      • 34.96 kB
      • 393 × 591
      • 2,459
    • Schaltplan.JPG
      • 40.89 kB
      • 622 × 882
      • 11,283

    Kleiner Arsch ist schnell geleckt!

  • Basjoe
    Profi
    Reaktionen
    7
    Punkte
    4,342
    Trophäen
    1
    Beiträge
    830
    Bilder
    6
    Wohnort
    Dietzenbach
    Vespa Typ
    so langsam zu viele
    • May 11, 2012 at 20:34
    • #2

    1. falsch

    2. nach deinem plan ja.

    3. genau

    4. jep denkfehler

    5. darf am schalter nur verbindung haben zum killschalter wenn gedrückt.

  • Evil Knewel
    Schüler
    Reaktionen
    2
    Punkte
    727
    Trophäen
    1
    Beiträge
    115
    Bilder
    5
    Wohnort
    Ludwigshafen
    Vespa Typ
    50 Special
    • May 11, 2012 at 21:27
    • #3

    Na wunderbar, das hilft mir doch schon mal weiter! 2-)

    Dann werde ich das ganze mal so zusammenstricken und mich wieder melden, wie/ob es gelaufen ist.

    Kleiner Arsch ist schnell geleckt!

Tags

  • Vespa Blinker
  • Vespa Schaltplan
  1. Datenschutzerklärung
  2. Impressum
  3. Kontakt
  4. Geschichte der Vespa bei Wikipedia
  5. Nutzungsbedingungen
Made with ♥ in Bavaria
Community-Software: WoltLab Suite™