Hallo,
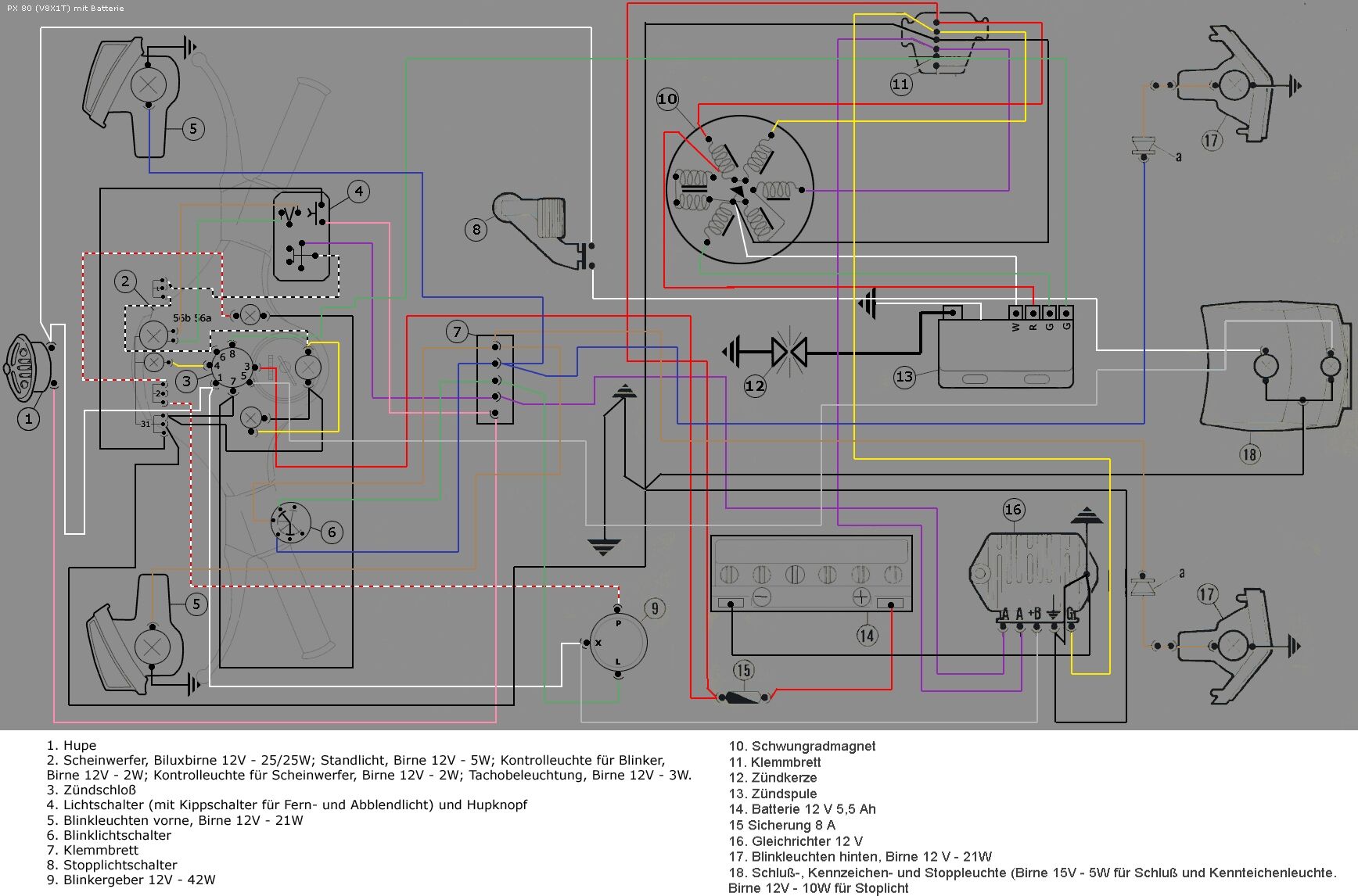
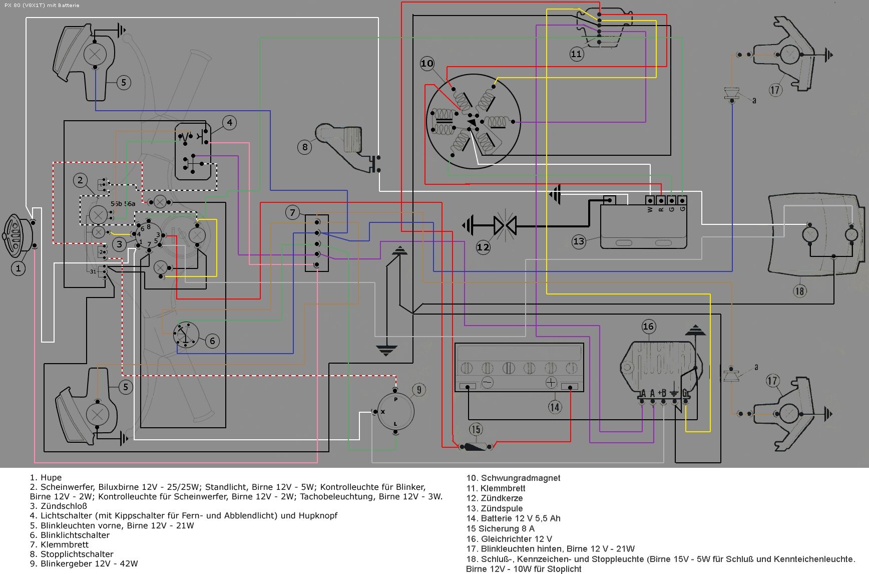
da ich im Forum leider keine für mich begreifbare Erklärung gefunden habe, stelle ich noch mal eine Frage zum Anschluss eines Gleichrichters bei einer P80X, Bj. 83.
Da meine Batterie nicht mehr geladen wurde und der GR schon 30 Jahre auf dem Buckel hatte, habe ich diesen ausgetauscht. Eine neue, frisch geladene Batterie habe ich ebenfalls verbaut und beim Anschluss direkt mal die Sicherung (8A) zerrissen. Es gab erst Funken und dann ging nix mehr. Der Motor läuft, Licht geht auch, aber eben die Blinker nicht.
Wie muss ich den GR nun anschließen? Schaltpläne lesen ist nicht so mein DIng, kann mir das jemand anhand des angehängten Fotos erklären?
Masse ist klar, das kleine "Pfeil-Symbol" und dort schließe ich das schwarze Kabel an, das auch mit der Karosserie verbunden ist.
Wie geht's weiter. Da kommen Kabel vom Blinkrelais, welches muss wohin? Und der Rest? Zwei Kabel sind grau, wobei eines aus Dem Relais kommt und dort am Eingang weiß ist. Dann noch ein Kabel mit der Farbe lila, wo kommt das dran?
Sorry, aber ich kapier's einfach nicht....
Und btw, bekomme ich die Sicherung auch im Baumarkt?
Danke Euch!
