1. Vespa Forum
    1. Unerledigte Themen
  2. Dashboard
  3. Galerie
    1. Alben
    2. Karte
  4. Lexikon
  • Anmelden
  • Registrieren
  • Suche
Dieses Thema
  • Alles
  • Dieses Thema
  • Dieses Forum
  • Forum
  • Galerie
  • Lexikon
  • Seiten
  • Erweiterte Suche
  1. VespaOnline Forum: Entdecke die Welt der klassischen Vespa-Roller und teile deine Leidenschaft
  2. Vespa Smallframe / Largeframe / Wideframe Roller
  3. Vespa Elektrik

Schaltplan für Vespa P80X Baujahr 82

  • Karle
  • April 24, 2007 at 19:30
  • Karle
    Anfänger
    Punkte
    20
    Beiträge
    3
    Wohnort
    Brettheim
    Vespa Typ
    Piaggio P 80 X
    • April 24, 2007 at 19:30
    • #1

    Wo bekomme ich einen Schaltplan für meine Vespa P80X Baujahr 1982
    her?
    Ich müsste wissen, wie die Kabel am Zündschloß und am Licht angeschlossen werden. Meine Vespa ist mit Batterie und ohne E-Starter.

    Am Zündschloß sind zahlen von 1 bis 8 an den Anschlußsteckern

    Am Licht habe ich folgende Kabel zur Verfügung:
    ROT, GELB, BRAUN, GRÜN; GRAU, SCHWARZ, WEISSSCHWARZ und WEISSROT

    Bilder

    • Kabelbild.jpg
      • 394.61 kB
      • 1,600 × 1,200
  • Rita
    Erleuchteter
    Reaktionen
    2
    Punkte
    17,827
    Trophäen
    1
    Beiträge
    3,564
    Wohnort
    Frankfurt
    Vespa Typ
    T5
    • April 24, 2007 at 21:12
    • #2

    gelb/grau sitzt falsch...
    im Uhrzeigersin....
    weiß leer rot leer gelb/grau schwarz-weiß schwarz grün

    Rita

  • Karle
    Anfänger
    Punkte
    20
    Beiträge
    3
    Wohnort
    Brettheim
    Vespa Typ
    Piaggio P 80 X
    • April 24, 2007 at 22:18
    • #3

    Danke Rita,
    werd ich morgen gleich probieren. Das war der Anschluß am Zündschloss Richtig?
    1 weiß
    2 leer
    3 rot
    4 leer
    5 gelb / grau
    6 schwarz-weiß
    7 schwarz / schwarz
    8 grün

    Kannst du vielleicht sehen, ob die Anschlüsse am Licht passen?
    Gruß
    Karle

  • Karle
    Anfänger
    Punkte
    20
    Beiträge
    3
    Wohnort
    Brettheim
    Vespa Typ
    Piaggio P 80 X
    • April 26, 2007 at 10:05
    • #4

    Hab die Kabel so angeschlossen wie gesagt. Hab nur ein Problem:
    Ich habe zwei Stecher mit schwarz-weiss. An einem hängt nur ein schwarz-weisses kabel und am anderen hängen zwei schwarz-weisse Kabel. Wo gehören die hin?

  • christian82
    Anfänger
    Punkte
    140
    Beiträge
    21
    Vespa Typ
    PX80
    • April 26, 2007 at 12:37
    • #5

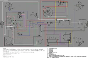
    Hier hast du einen guten Schaltplan, den ich auch im Netz gefunden habe.

    Fahre das gleiche Modell wie du
    Die Restauration ist fast abgeschlossen ;o)
    Das Thema mit dem Kabelbaum habe ich schon hinter mir ;o)

    MFG
    Christian

  • z3ros3b
    Schüler
    Reaktionen
    1
    Punkte
    601
    Trophäen
    1
    Beiträge
    113
    Wohnort
    Badnerland
    Vespa Typ
    P80X @ 177ccm
    • April 26, 2007 at 13:32
    • #6

    ^^ preiset den ersteller.
    noch nie nen besseren schaltplan gesehen.... zumindest keinen der für so anti-elektriker wie mich geeignet scheint ;)

  • Rita
    Erleuchteter
    Reaktionen
    2
    Punkte
    17,827
    Trophäen
    1
    Beiträge
    3,564
    Wohnort
    Frankfurt
    Vespa Typ
    T5
    • April 26, 2007 at 15:42
    • #7

    schwarz-weiß sitzt 2* am Scheinwerfer Oben links
    eins kommt vom Lichtschalter.... das andere führt weiter
    ans Zündschloß, an die Tachobeleuchtung und die grüne Kontrollampe

    Rita

Tags

  • Vespa P80X
  • Vespa Schaltplan
  1. Datenschutzerklärung
  2. Impressum
  3. Kontakt
  4. Geschichte der Vespa bei Wikipedia
  5. Nutzungsbedingungen
Made with ♥ in Bavaria
Community-Software: WoltLab Suite™