Hi,
hätte da vll was für dich!
Hatte selbst zwei 50N Special damals gekauft.
einer ist meiner, vom zweiten habe ich den Rahmen verkauft und habe noch den Motor...allerdings Rohzustand.
Bei Interesse kann ich dir Bilder schicken.
Beiträge von skittler
-
-
okay, grazie für die schnelle Hilfe!
-
nönö...der Roller links im Bild, wurde im Sommer letzten Jahres neu aufgebaut..., am 03.10. das erste mal gefahren...seit dem 200 km aufm buckel...übern winter eingemottet...wobei ich gestehen muss das der sprit im vergaser gestanden hat....
jetzt hab ich das ganze nochmal ausgebaut...weil der bezinschlauch zu lang war, und die zündung manchmal gemuckt hat....und da ist mir der schnee aufgefallen...
-
Servus Zusammen,
ich habe schnee-/schimmelartige (nein...kein Kokain =) am Filter des Bezineinlasses im Vergaser und in der Schwimmerkammer...
hat jemand ne Ahnung was das ist? Normal? Wie kann man so en scheiß vermeiden wenns nicht normal ist?
Mille grazie für eure Posts...
Greez Chris
-
Ich hab mich damals auch mal schlau gemacht...
ich glaube das ist garnicht so easy....da der Rahmen ja max. 1 mm Blechstärke hat....und das Bad in dass das Teil getaucht wird auf jedenfall ca. 450 °C heiß ist....muss dien Galvanisierer bös aufpassen, dass er nicht nur einen Klumpen am Hacken hat... -
Servus miteinander...
ich habe vor kurzem meine Reifen auf die Felgen montiert.....das war ein Akt....
Jetzt habe ich festgestellt...das ich Depp die Reifen nicht in die richtige Laufrichtung gebracht habe....
Das heißt jetzt eigentlich für mich, das ich die Kompletträder nochmal komplett auseinanderziehen müsste....?!
Jetzt habe ich mri mal den Reifen genauer angeschaut...und im Profil sehe ich keine anzeichen dafür...das die Richtung in der der Reifen rollt ausschlaggebend sein müsste?! oder?
anbei das Profil....bitte um eure Meinung und Erfahrungen -
-
-
ich hab meine 50N Lacken lassen...
mit PE Pulvergrundierung, Spachteln, SChleifen, Füllern und nen chicken lack waren 500 Euronen fällig!
was ich persönlich als guten deal betrachte, da der Lackierer gute arbeit geleistet hat! -
Servus Miteinander!
ich bräuchte dringend Rat!
Ich baue mir gerade eine 50N Spezial auf...als kleine Augenweide habe ich mir (für teuer Geld) einen Rundlenker (runder Tacho) gekauft...
jetzt...wo alles schön lackiert ist, musste ich Feststellen, dass die Lenkerschraube nicht durchpasst, weil der Lochkreisdurchmesser zu klein ist, wenn der Lenker auf der fucking Gabel sitzt...
Was ist die beste Lösung?
- Lenkerschraube "anfräsen"?
- die Nut in der Gabel ausfeilen?
oder doch einfach nur heulend zusammenbrechen?Mein Ziel war es, die Vespa bis Samstag Nacht fertig zu bekommen, weil am Sonntag ein Rollertreffen ist...

Ich bitte um eure Vorschläge und Hilfe!
Greez
Chris -
alles kloar ! MIlle grazie

-
appropos.... wieviel druck (bar od. psi gibt man auf so einen Reifen?!
-
Hey Dikky!
mille grazie für die HIlfe...
mein problem ist, das der Reifen nicht komplett über die Felge (breite seite) geht...
habs natürlich auch schon mit SChmiermittel versucht....hast du da ein tipp?
-
Servus Zusammen, ich bräuchte Elektrotechnischen Rat
Ich bin Kaufmann und hab wenig ahnung von Elektrik.
Ich hab ein kabelbaum den ich um das Bremslicht erweitern muss.
Im Moment habe ich einen Draht 1-Leiter 0,8 mm Durchmesser 25 / 50 V~...ist das für eine 50N ausreichend???Bitte um Rückinfo
-
Servus, bin grad dabei meine Vespa zusammenzubauen...
wie ich die Felgen mit meinen Reifen montieren wollte ist mir aufgefallen, dass die Reifen eine Größe von 3.00 10" und meine Felge eine Größe von 2.10 10" hat´! Frage...ist das schlimm...könnte ich diese miteinander montieren? weil es geht doch e weng schwer mit der Hand!Bitte um Rückinfo
Greez und Thanks
Chris -
sorry für das flasche Forum,
push, hat keiner eine Idee? wo sind die ganzen Spezialisten

-
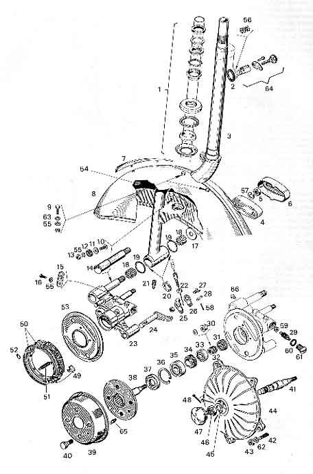
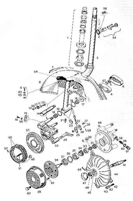
Servus Zusammen,
ich bau gerade meine 50N zusammen.
Bei der Vorderachse bin ich auf die Mutter (Nr. 34 auf der Zeichnung anbei) gestoßen, und weiß nicht genau wie und wie fest ich diese anziehen muss. Auch welches Werkzeug ich dazu benötige weiß ich leider nicht....könnt ihr mir helfen?mille grazie!
ciao chris
-
Ich hab noch eine übrig...wenn du interesse hast, kurze PM...öhm...also für nen Vespatacho....
Greez Chris
-
Hi @ all,
ich bin halber am Verzweifeln.
der Rahmen ist jetzt Pulverbeschichtet und vorhin habe ich versucht die Plastikkaskade mit Klebt und Dichtet von Reco anzukleben.Auf den ersten Blick ist alles super Gelaufen....nach ner halben Stunde ist mir die Kaskade mit Kleber wieder entgegengekommen und abgegangen.

Zu meiner Vorgehensweiße:
Zuerst habe ich die Kaskade und den Rahmen mit Aceton entfettet. danach mit dem Schleifpapier (spezielles für Lacke P320) angeraut, Kleber auf die Kaskade aufgetragen, aufgeklebt und angepasst, mit zwei Spanngurten so gut wie es ging fixiert.Ich habe Klebt und Dichtet sehr großzügig aufgetragen, was das vll mein fehler? Lt. Datenblatt würde es eine lange Hautbildungszeit haben....aber wie lang ist lang?
Fakt ist...ich bin meeegamäßig angepisst (sorry Admin für den Ausdruck)
@ alle die mir Antworten, bitte spart euch diesesmal die Kommentare das ich mich selbst nur Verarsche und das ich ein Judas bin weil ich ne 70er auf ne 60er umbauen will....das hatten wir schon zu genüge...Bitte helft mir.........ich weiß imo echt nicht mehr weiter...
Ihr könnt auch gerne Anrufen 01752438963 (D1-Netz)Greez Chris
-
Mir gefällt die Farbe! Ist bestimmt echt ein Hingugger
(werd ich ja am 1.Mai in Aschaffenburg sehen) 
@ all....über Geschmäcker lässt sich natürlich immer Streiten.
Riffelblech ist zwar nicht so der knaller, aber wenns unserem Schrauberkollegen gefällt.
Was ich sehr gut finde ist, das du den Rahmen hast Verzinnen lassen...du denkst strategisch und länger als für die nächsten 5 Jahre!Sind mittlerweile alle Teile verbaut?!
Greez Chris
