schwierig, während der Fahrt das Ohr an das Hinterrad zu legen ![]()
Es kommt auf jeden Fall vom Hinterrad/Motor.
Ich werde die Vespa mal aufbocken und dann nochmal checken/hören....
Beiträge von Ugros
-
-
Hi,
meine V50 Spezial Bj `80 gibt im Schubbetrieb im 1. Gang ein seltsames Schaben bzw. Schleifgeräusch ab.
Hörbar wie gesagt nur im 1. und wenn ich das Gas wegnehme (Schubbetrieb).
Hat jemand eine Idee ?VG,
Dirk -
Hallo,
wenn ich für den Kaltstart den Chokehebel ziehe (den über dem Benzinhahn), verbleibt er nicht in seiner Position, er geht immer zurück.
Also muss ich ihn mit einer Hand festhalten, dann antreten. Unschön.
Habe ich beim Zusammenbau etwas vergessen ? Wie ist die genaue Reihenfolge bei diesem Hebel ?
von unten: Schraube, Federring, Durchführung durch Karosserie, Unterlegscheibe, Hebelarm, Mutter ?Wer kann helfen ?
Danke,
Ugros -
Hallo,
Ist das ein Vergaser mit innenliegendem O-Ring (SHB 16.15) ?
Da sitzt ein O-Ring in einer Einkerbung. Also brauche ich kein Filzring mehr, richtig?Und muss der O-Ring vor dem Einbau gefettet werden ?
Gruß Dirk
-
Hi,
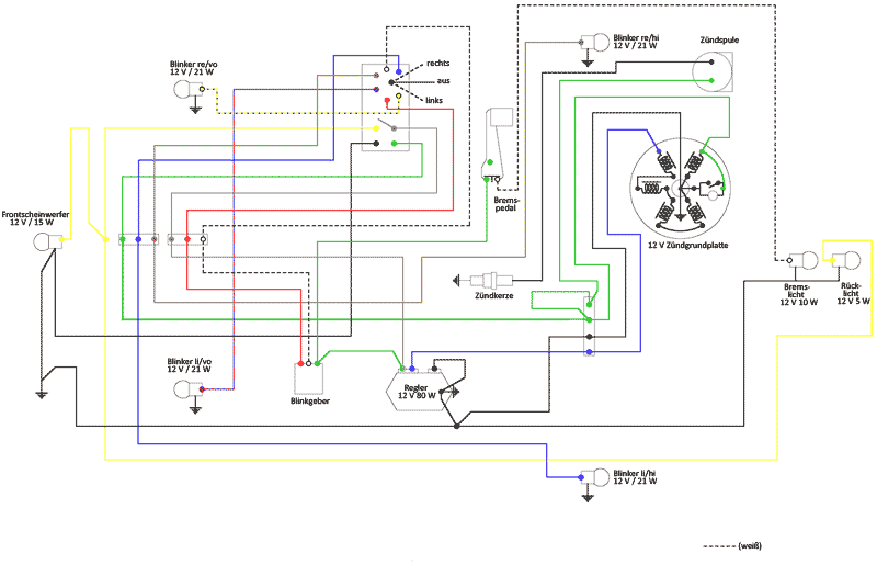
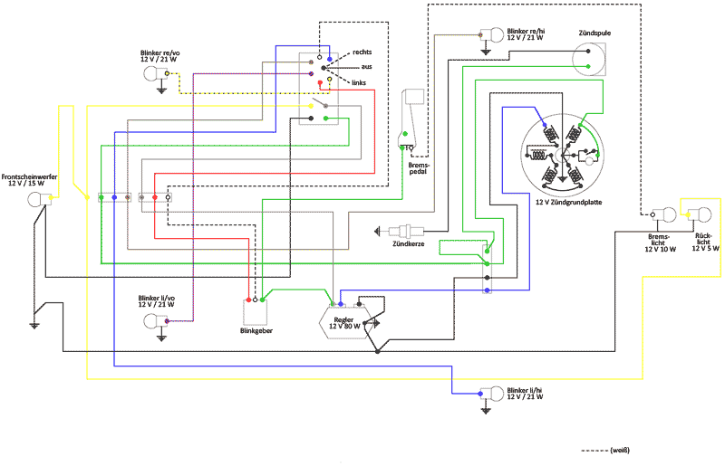
habe einen neuen Kabelbaum für meine V50 (4 Blinker) bestellt. Meine alter Kabelbaum (leider ohne Kabelkästchen verbaut), hatte exakt die Farben wie in der angehängten Zeichnung.
Jetzt kam der neue KB, und ich raff gar nix, alles anders.1. Das Bild mit den ganzen verschiedenfarbigen Kabeln und den Kabelösen: Kommt das an den Lenker oder unten an das Kabelkästchen ?
2. Wohin kommt die beiden 2 gelben Kabel ? Bei mir war vorher Bremsschalter/Bremspedal grün + weiss
3. Und die anderen ? (grau/blau/schwarz ? blau/schwarz ? grün/rot/schwarz/gelb ? )
4. Dann war da noch ein (kleiner) Kabelbaum dabei, separat. Wofür ist der ? Für die Blinker ?
Bin dankbar für jede Hilfe bzw. ein Mapping des alten auf den neuen Kabelbaum.Grüße,
Ugros -
Hallo, beim Überholen meines Motors ist mir ein krummes Pleuel aufgefallen (siehe Bild). Eher nicht normal, oder?
Motor lief aber gut, vorher. Kann natürlich beim Ausbau passiert sein, habe aber nie Gewalt angewendet...
Was empfehlt ihr mir? Wegschmeißen und neues bestellen?Danke, Ugros
-
Das Du das bei einem Bild siehst

Wo kommt denn die CDI normalerweise hin ?
Hast Du ein nicht-verbasteltes Bild ? -
so, hier das versprochene Bild:
-
Also, auf den birnchen vom ruecklicht steht 12v 10w bzw. 12v 5w drauf. Und in der tat war das sehr sehr mickrig, insbesondere wenn man gebremst hat!
Welche zgp empfehlt ihr dann denn ?
Und natuerlich werde ich die isolierten kabelschuhe ersetzen. Ich kann den obigen kabelbaum problemlos bestellen, oder empfehlt ihr einen anderen?
Wegen dem foto und der befestigung des cdi: kommt noch.... -
@kasanova: Wie meinst Du das mit dem Kabelbaum und den "falschen" Anschlüssen ?
Meinst Du den KB, den ich bestellen will ? Oder den aktuell verbauten (von dem Foto) ?
Haben nicht alle V50 Kabelbäume entsprechende Stecker/Schuhe zum verbinden ?Danke,
Ugros -
Hi, danke zunächst mal für die Antworten.
Ja, der Spannungsregler ist vorhanden (sieht man ja auch im Bild), der mit 3 Anschlüssen.
Klar, könnte ich eine neune ZGP kaufen, aber für die gesamte Restauration wollte ich nicht mehr als ca. 600 Euro ausgeben, die sind bei derzeitiger Planung schon "weg". Also, sparen da, wo es sich lohnt.
Idee: Wenn mir das Licht später micht passen sollte, kann ich ja immer noch eine neue ZGP quasi "plug and play" anschliessen, ohne am Kabelbaum etwas zu ändern.
Keine gute Idee ?Gruß,
Dirk -
Hallo Forum,
auf dem Bild sehr Ihr den Kabelbaum von einer verbastelten V50.
So wie ich das sehe, ist das der Kabelbaum von der V50 mit 4-fach Blinkanlage (Blinker waren nie montiert).
Außerdem habe ich - danke Forum - herausbekommen, daß es sich um eine 6V/12V Misch-ZGP und Umbau auf kontaktlose Zündung handelt (inkl. geändertem Bremslichtschalter)
Nun wollte ich einen neuen Kabelbaum einziehen.
1. Frage: Welchen kann ich da nehmen ? Den SERIE Pro Kabelbaum (SIP Scootershop) ?
2. Frage: Ich habe, wie man sieht, kein Kabelkästchen. Wo wird das denn an der Vespa montiert ? Oder "hängt" das einfach "so herum" ?
3. Frage: Ich würde anstatt 4-fach Blinkanlage nur Lenkerendblinker verbauen. Ändert sich dann kabeltechnsich etwas ? Kann ich die vorderen 2 Blinkerkabel nehmen und die hinteren einfach nicht anschliessen (sollte der neuen Kabelbaum diese bereitstellen) ?Danke vorab !
-
rally221: Was genau meinst Du ? Kannst Du mir das (anhand der Bilder) näherbringen ? Wo siehst Du mögliche Probleme ?
-
ja, danke. Stimmt, unterm Zylinderkopf ist das Piaggio Symbol zu erkennen. Und eine "50".
-
Hallo,
da ich ja bei meiner gebraucht gekauften V50 schon so einige Überraschung erlebt habe:
Ist das ein Standard V50 Zylinder/Kolben ? Leider steht nirgendwo etwas drauf....Danke vorab !
-
Ok, danke. Angebot gerne per PN.
Ich habe jetzt aber nochmal geguckt. Es kommen doch 7 Kabel von der ZGP. Allerdings sind nur 6 genutzt, das eine kommt bei den herausgeführten Kabeln nicht an.
Die Vespa hat ja gut funktioniert, also Motor und Licht, Blinker waren nicht montiert (aber Kabel lag im Lenker).
Ich wollte eigentlich nen neuen Kabelbaum kaufen für die Standard V50 (4 Blinker), jetzt bin ich aber ratlos.....
-
chup4: Du meinst es müssten 3+5 Kabel sein um vollständig auf 12v umzurüsten?
-
Ok, danke. Und nun hoffentlich letzte Frage:
Wenn ich auch das Licht in 12V haben möchte: Was genau ist zu tun bzw. Welcher Umbau-Anleitung ist zu folgen? Über diese Mischzündung finde ich leider nur wenig im Netz/Forum....
Könnt ihr nochmal helfen ?Danke

-
Hat witzigerweise 6 kabel (2x3)....
-
beim Lenkerkopf (Alu) wird auch glasperlgestrahlt....(im Preis inklusive)
