1. Vespa Forum
    1. Unerledigte Themen
  2. Dashboard
  3. Galerie
    1. Alben
    2. Karte
  4. Lexikon
  • Anmelden oder registrieren
  • Suche
Dieses Thema
  • Alles
  • Dieses Thema
  • Dieses Forum
  • Forum
  • Galerie
  • Lexikon
  • Seiten
  • Erweiterte Suche
  1. VespaOnline Forum: Entdecke die Welt der klassischen Vespa-Roller und teile deine Leidenschaft
  2. Vespa Smallframe / Largeframe / Wideframe Roller
  3. Vespa Elektrik

verbastelte Vespa "entbasteln"

  • Ugros
  • December 2, 2013 at 09:23
  • Ugros
    Schüler
    Punkte
    320
    Beiträge
    48
    Wohnort
    Königswinter
    Vespa Typ
    50N Spezial
    • December 2, 2013 at 09:23
    • #1

    Hallo Forum,
    auf dem Bild sehr Ihr den Kabelbaum von einer verbastelten V50.
    So wie ich das sehe, ist das der Kabelbaum von der V50 mit 4-fach Blinkanlage (Blinker waren nie montiert).
    Außerdem habe ich - danke Forum - herausbekommen, daß es sich um eine 6V/12V Misch-ZGP und Umbau auf kontaktlose Zündung handelt (inkl. geändertem Bremslichtschalter)
    Nun wollte ich einen neuen Kabelbaum einziehen.
    1. Frage: Welchen kann ich da nehmen ? Den SERIE Pro Kabelbaum (SIP Scootershop) ?
    2. Frage: Ich habe, wie man sieht, kein Kabelkästchen. Wo wird das denn an der Vespa montiert ? Oder "hängt" das einfach "so herum" ?
    3. Frage: Ich würde anstatt 4-fach Blinkanlage nur Lenkerendblinker verbauen. Ändert sich dann kabeltechnsich etwas ? Kann ich die vorderen 2 Blinkerkabel nehmen und die hinteren einfach nicht anschliessen (sollte der neuen Kabelbaum diese bereitstellen) ?

    Danke vorab !

    Bilder

    • 20131129_175414.jpg
      • 177.3 kB
      • 1,920 × 1,080
      • 709
    • 20131129_175433.jpg
      • 241.79 kB
      • 1,920 × 1,080
      • 841
  • Jan02
    Profi
    Reaktionen
    32
    Punkte
    4,372
    Trophäen
    1
    Beiträge
    846
    • December 2, 2013 at 10:18
    • #2

    Zu dem Kabelbaum kann ich dir nichts sagen, was ich aber sagen kann ist, das die Blinkrelais immer zwei Birnen vorraus setzten, da sonnst die Blinkfrequenz nicht stimmt (ähnlich wie beim Auto). Du könntest natürlch ausrechnen wie hoch die Widerstand einer !leuchtenden! Lampe ist und einfach anstatt der Lampen hinten diese Wiederstände "anschließen" dann würde die Frequenz stimmen.

  • kasonova
    Foren-Inventar
    Reaktionen
    43
    Punkte
    31,593
    Trophäen
    2
    Beiträge
    6,227
    Bilder
    10
    Einträge
    3
    Wohnort
    Solingen
    Vespa Typ
    Vespa ET2, V50 Spezial, PK 50 XL2
    • December 2, 2013 at 10:28
    • #3

    Hi, so was Ähnliches hab ich auch gerade vor der Brust. So das Kabelkästchen (siehe Bild) wird an der rechten Seite der Schwinge angeschraubt, das ist ein Gewinde. Bei diesem Type werden die Kabel gesteckt, (Stecker und Zunge). Die an deinem Kabelbaum verwendeten Stecker sind die falsche, schau mal auf den Kabelbaum von Sip da sind die richtigen dran. Was hast Du gegen den alten Kabelbaum? ist der kaputt oder was. Ich kann Dir einen neuen bauen, welcher dann auch passt. Ich muss meinen ehe neu machen, das ist dann ein Abwasch, Kabel und die richtigen Kabelschuhe hab ich schon hier liegen. Die Vierfachblinkanlage auf zwei Blinker umbauen, das ist so ne Sache. das Blinkrelais ist auf den Widerstand von ZWEI Birnen ausgelegt, die Lenkerendblinker sind normaler Weise 6 V Blinker mit einem anderen Relais. Die Birnen haben auch einen anderen Widerstand , 6V 15 W gegen 12V 21 W. Du kannst aber alles so lassen und die hinteren Birnen durch einen Widerstand ersetzen. Problem wird aber die Sofitte von 12V und 21 W zu bekommen.

    Bilder

    • kabelk.JPG
      • 161.74 kB
      • 1,346 × 859
      • 250
    • DSC_0170.JPG
      • 308.32 kB
      • 1,805 × 1,200
      • 247
  • chup4
    VO-Inventar
    Reaktionen
    1,018
    Punkte
    60,223
    Beiträge
    11,661
    Bilder
    28
    Einträge
    1
    • December 2, 2013 at 11:14
    • #4

    die nachbaukabelbäume taugen mMn alle nix.

    kannst du mir bitte mal ein foto von deiner vespa zeigen, dann bitte noch ein foto von der zündung?

    Aufbau eines Rennrollers für die European Scooter Challenge

    ESC seit 2013 K5


    BaB-Race-Meister 2015+2016

    K5 Pechvogel

    http://www.eurochallenge.de

  • rassmo
    Foren-Himbeertoni
    Reaktionen
    2,602
    Punkte
    62,137
    Trophäen
    3
    Beiträge
    11,831
    Einträge
    10
    • December 2, 2013 at 11:21
    • #5

    chup4: Bilder, zumindest von der ZGP, sind hier im Thread. Roller V5B3T. was ist das für eine zündgrundplatte?

    Jeder will alt werden, aber keiner will alt sein.

  • chup4
    VO-Inventar
    Reaktionen
    1,018
    Punkte
    60,223
    Beiträge
    11,661
    Bilder
    28
    Einträge
    1
    • December 2, 2013 at 13:30
    • #6

    wie wärs, wenn du ne andere zündung nimmst?

    du hast 20 watt leistung auf der 6 voltschiene und 20 watt auf der 12 volt schiene. das langt kaum für vernünftiges licht, die selbstregeleung der anlage funktioniert nicht vernünftig, also nen spannungsregler brauchst du auch.

    ist denn der bei dir im seitenfach noch vorhanden?

    Aufbau eines Rennrollers für die European Scooter Challenge

    ESC seit 2013 K5


    BaB-Race-Meister 2015+2016

    K5 Pechvogel

    http://www.eurochallenge.de

  • Ugros
    Schüler
    Punkte
    320
    Beiträge
    48
    Wohnort
    Königswinter
    Vespa Typ
    50N Spezial
    • December 2, 2013 at 13:38
    • #7

    Hi, danke zunächst mal für die Antworten.
    Ja, der Spannungsregler ist vorhanden (sieht man ja auch im Bild), der mit 3 Anschlüssen.
    Klar, könnte ich eine neune ZGP kaufen, aber für die gesamte Restauration wollte ich nicht mehr als ca. 600 Euro ausgeben, die sind bei derzeitiger Planung schon "weg". Also, sparen da, wo es sich lohnt.
    Idee: Wenn mir das Licht später micht passen sollte, kann ich ja immer noch eine neue ZGP quasi "plug and play" anschliessen, ohne am Kabelbaum etwas zu ändern.
    Keine gute Idee ?

    Gruß,
    Dirk

  • Ugros
    Schüler
    Punkte
    320
    Beiträge
    48
    Wohnort
    Königswinter
    Vespa Typ
    50N Spezial
    • December 2, 2013 at 13:44
    • #8

    @kasanova: Wie meinst Du das mit dem Kabelbaum und den "falschen" Anschlüssen ?
    Meinst Du den KB, den ich bestellen will ? Oder den aktuell verbauten (von dem Foto) ?
    Haben nicht alle V50 Kabelbäume entsprechende Stecker/Schuhe zum verbinden ?


    Danke,
    Ugros

  • kasonova
    Foren-Inventar
    Reaktionen
    43
    Punkte
    31,593
    Trophäen
    2
    Beiträge
    6,227
    Bilder
    10
    Einträge
    3
    Wohnort
    Solingen
    Vespa Typ
    Vespa ET2, V50 Spezial, PK 50 XL2
    • December 2, 2013 at 13:49
    • #9

    chup4,

    ich wiederspreche Dir nur ungern, aber dieses mal liegst Du daneben. Die Lichtanlage ist komplett 12 Volt, der Regler (ist Bild stehend zu sehen) ist die 12 V 80 W Type. Das ist alles gut brauchbar. Eine andere ZGP ist nicht nötig, wenn sie funktioniert.

  • kasonova
    Foren-Inventar
    Reaktionen
    43
    Punkte
    31,593
    Trophäen
    2
    Beiträge
    6,227
    Bilder
    10
    Einträge
    3
    Wohnort
    Solingen
    Vespa Typ
    Vespa ET2, V50 Spezial, PK 50 XL2
    • December 2, 2013 at 14:00
    • #10

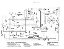
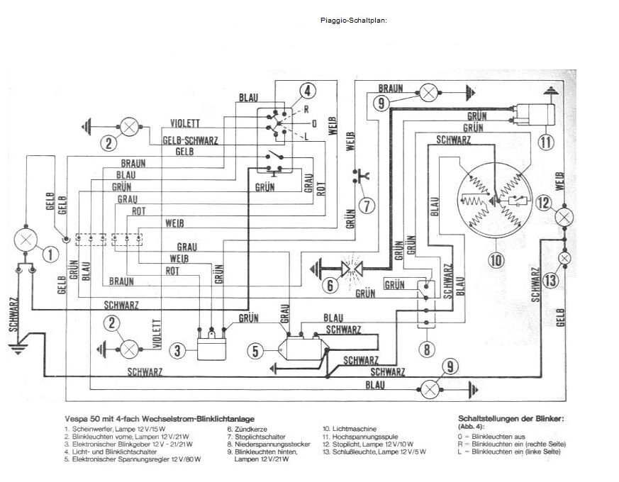
    Noch mal zum Kabelbaum, richtig alle haben da was zum Verbinden. Bei allen V50, mit einer Ausnahme, das ist die welche Du hast, sind die Kabel im Kabelkästchen verschraubt. An den Kabeln sind Kabelschuhe mit "Augen" verbaut. Bei Deiner wenden die Kabel im Kästchen zusammen gesteckt. Einmal Kabelschuh und einmal Zunge. Was ich moniert hatte sind die ISOLIERTEN Kabelschuhe. Die taugen nichts, ich hab hier schon einige liegen, die kann man ganz einfach vom Kabel abziehen, und Fehler sind vorprogrammiert. Da zu ein Bild. Weiter der richtige Schaltplan.

    So noch eine Bitte, kannst Du mal ein Bild von der Befestigung der Zündspule am Motor machen?

    Bilder

    • Kabelschuh_falsch.jpg
      • 196.41 kB
      • 1,600 × 1,200
      • 244
    • Quetschzange1.jpg
      • 201.97 kB
      • 1,600 × 1,200
      • 246
    • Schaltplan_50n.JPG
      • 65.77 kB
      • 873 × 680
      • 252
  • chup4
    VO-Inventar
    Reaktionen
    1,018
    Punkte
    60,223
    Beiträge
    11,661
    Bilder
    28
    Einträge
    1
    • December 2, 2013 at 15:18
    • #11

    hast du mal drüber nachgedacht, dass 20 watt lichtleistung etwas wenig sind, wenn man weiter denkt als licht und rücklicht, insbesondere und immer vorhanden BREMSLICHT ?

    eine option wäre natuerlich, die bremslichtbirne einfach herauszunehmen, wenn du dich dabei besser fühlst und dann nur mit licht und rücklicht zu fahren... andererseits muss ich sagen, dass in dem falle dann "verbastelten kabelbaum entbasteln" eher nicht die richtige wortwahl wäre...

    Aufbau eines Rennrollers für die European Scooter Challenge

    ESC seit 2013 K5


    BaB-Race-Meister 2015+2016

    K5 Pechvogel

    http://www.eurochallenge.de

  • Ugros
    Schüler
    Punkte
    320
    Beiträge
    48
    Wohnort
    Königswinter
    Vespa Typ
    50N Spezial
    • December 2, 2013 at 19:14
    • #12

    Also, auf den birnchen vom ruecklicht steht 12v 10w bzw. 12v 5w drauf. Und in der tat war das sehr sehr mickrig, insbesondere wenn man gebremst hat!
    Welche zgp empfehlt ihr dann denn ?
    Und natuerlich werde ich die isolierten kabelschuhe ersetzen. Ich kann den obigen kabelbaum problemlos bestellen, oder empfehlt ihr einen anderen?
    Wegen dem foto und der befestigung des cdi: kommt noch....

  • chup4
    VO-Inventar
    Reaktionen
    1,018
    Punkte
    60,223
    Beiträge
    11,661
    Bilder
    28
    Einträge
    1
    • December 3, 2013 at 18:14
    • #13

    standard pk zündung mit polrad entweder von der pk-s oder das was genaugenommen draufgehoert von der 4 blinker spezial.

    wenn du davon nix findest, kannste dich melden. ich hab sonne zündungen noch rumliegen.

    Aufbau eines Rennrollers für die European Scooter Challenge

    ESC seit 2013 K5


    BaB-Race-Meister 2015+2016

    K5 Pechvogel

    http://www.eurochallenge.de

  • Ugros
    Schüler
    Punkte
    320
    Beiträge
    48
    Wohnort
    Königswinter
    Vespa Typ
    50N Spezial
    • December 4, 2013 at 16:15
    • #14

    so, hier das versprochene Bild:

    Bilder

    • 20131030_204454.jpg
      • 204.74 kB
      • 1,920 × 1,080
      • 299
  • kasonova
    Foren-Inventar
    Reaktionen
    43
    Punkte
    31,593
    Trophäen
    2
    Beiträge
    6,227
    Bilder
    10
    Einträge
    3
    Wohnort
    Solingen
    Vespa Typ
    Vespa ET2, V50 Spezial, PK 50 XL2
    • December 4, 2013 at 16:33
    • #15

    Danke Dir, siet wirklich klasse aus, total verbastelt.

  • Ugros
    Schüler
    Punkte
    320
    Beiträge
    48
    Wohnort
    Königswinter
    Vespa Typ
    50N Spezial
    • December 4, 2013 at 16:47
    • #16

    Das Du das bei einem Bild siehst ;)
    Wo kommt denn die CDI normalerweise hin ?
    Hast Du ein nicht-verbasteltes Bild ?

  • kasonova
    Foren-Inventar
    Reaktionen
    43
    Punkte
    31,593
    Trophäen
    2
    Beiträge
    6,227
    Bilder
    10
    Einträge
    3
    Wohnort
    Solingen
    Vespa Typ
    Vespa ET2, V50 Spezial, PK 50 XL2
    • December 5, 2013 at 08:26
    • #17

    Ja das ist ein Problem, die normale Zündung (mit Kontakten) sieht so aus, eine CDI von einem PK Motor ist so angebracht, aber das Blech kann man nicht verwenden, weil die Löcher für die Befestigung an anderen Stellen angebracht sind. Ich werde wohl oder übel ein Blech anfertigen müssen.

    Bilder

    • IMG_0751.JPG
      • 383.48 kB
      • 1,600 × 1,200
      • 244
    • Unbenannt1.JPG
      • 34.51 kB
      • 515 × 451
      • 221
  1. Datenschutzerklärung
  2. Impressum
  3. Kontakt
  4. Geschichte der Vespa bei Wikipedia
  5. Nutzungsbedingungen
Made with ♥ in Bavaria
Community-Software: WoltLab Suite™