1. Vespa Forum
    1. Unerledigte Themen
  2. Dashboard
  3. Galerie
    1. Alben
    2. Karte
  4. Lexikon
  • Anmelden
  • Registrieren
  • Suche
Alles
  • Alles
  • Forum
  • Galerie
  • Lexikon
  • Seiten
  • Erweiterte Suche
  1. VespaOnline Forum: Entdecke die Welt der klassischen Vespa-Roller und teile deine Leidenschaft
  2. kasonova

Beiträge von kasonova

  • Leerlaufproblem

    • kasonova
    • July 29, 2007 at 12:15

    Hast Du was verändert? wenn nicht, nachsehen ob Ansaugstutzen fest und dicht, Vergaser richtig auf dem Stutzen, Kerze prüfen ob Gemisch zu mager.

    MfG

  • PK 50 "schluckt" zuviel Getriebeöl, Kupplung greift nicht richtig

    • kasonova
    • July 29, 2007 at 12:12

    Hallo Michael;
    Rasenmäheroel ist sicher OK. Zu der Kupplung, lässt sich nur über den Zug einstellen. Wenn Du am Lenker genügend Leerweg im Hebel hast, sollte es OK sein. Stell denn Leerweg mal größer, (aber so dass sie noch sauber trennt) und schau mal. Die Kupplung ist ein Schwachpunkt an dem Roller.

    MfG klaus

  • Zylinderhaube

    • kasonova
    • July 29, 2007 at 08:52

    nochmal ganz deutlich, ohne die Haube hat der Kolben eine Lebensdauer von ca. 20 Minuten, dann ist er fest. Beim Abnehmen und Aufsetzen tust Du dich leichter, wenn Du die untere Schraube des Federbein rauschraubst. Dann fällt der Motor weiter runter. Achtung vorher ggf. den Vergaser abschrauben.

    MfG klaus

  • PK 50 "schluckt" zuviel Getriebeöl, Kupplung greift nicht richtig

    • kasonova
    • July 29, 2007 at 08:47

    Hallo Michael;

    wegen deiner rutschenden Kupplung, hast Du legiertes Oel genommen? Da die Kupplung im Oel ist sollte das Oel nicht ZU gut sein. Die Kupplung gleitet dann und fasst nicht. Allso unlegiertes einfaches SAE30. Noch besser ist Oldtimer-Oel (z.B. Castrol) ist aber auch teurer.

    MfG klaus

    PS Michael hat das Oel warscheinlich durch die Schraube der oberen Schaltgabellagerung eingefüllt.

    Bilder

    • Motorli.jpg
      • 262.91 kB
      • 1,600 × 1,200
  • PK 50 "schluckt" zuviel Getriebeöl, Kupplung greift nicht richtig

    • kasonova
    • July 28, 2007 at 16:56

    ich glaube auch das Du die falsche Schraube erwischt hast. Hier ein Bild mit den richtigen Schrauben.

    MfG klaus

    Bilder

    • Oelwechsel.jpg
      • 118.19 kB
      • 1,064 × 539
  • Blinker Umrahmung

    • kasonova
    • July 28, 2007 at 16:45

    Hi,
    das weis ich nicht, glaube aber eher nicht, ein 2-3 mm starke Schaumschicht? wofür sollte das sein? ich kenn das nur als Verpackungsmaterial . Ich hab mal ein Bild gemacht, alternativ kannst Du auch versuchen dünnes feinporiges Schaumgummi zu bekommen.
    Aber warte mal, kann sein das das unter Laminat als Tritschalldämmung verwendet wird.

    MfG klaus

    Bilder

    • Schaum.jpg
      • 112.86 kB
      • 1,248 × 960
  • Kupplungszug gerissen was nun?

    • kasonova
    • July 28, 2007 at 16:28

    Hallo:

    nee kanst Du selber machen. Aber Du brauchst einen neuen Innenzug. Ich hoffe der Aussenzug ist noch OK?

    Ziehe erst einmal dei Reste der Seele aus der Hülle (oben und unten). Die brauchs Du als Muster wegen der unterschiedlichen Nippel. Den neuen Innenzug einoelen und vom Lenker aus in den Aussenzug einschieben. Erst am Lenker einhängen, dann komplett einschieben, und unten den Nippel aufschrauben. Fertig

    MfG klaus

  • Vorderradachse Vespa BJ 81

    • kasonova
    • July 28, 2007 at 16:22

    Hallo:

    kast Du mal ein Bild der Achse einstellen?

    MfG klaus

  • Funktion Hupentaster

    • kasonova
    • July 28, 2007 at 13:30

    Hallo
    hast Du diesen auch gehabt?

    Bilder

    • V50%20Spezial%20ohne%20Blinker.jpg
      • 87.53 kB
      • 1,136 × 804
    • V50%20Spezial%204-fach-Blinker.jpg
      • 123.69 kB
      • 1,000 × 702
  • Wo ist der Massepunkt der Belechtung?

    • kasonova
    • July 28, 2007 at 10:20

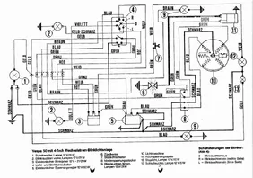
    Hallo; die Hupe ist ein Problem, für sich, da ist warscheinlich der Hupengleichrichter kaputt, wenn es nicht mit Deinem generellen Problem zusammenhängt. Alle diese Teile werden, anders, als beim Auto, separat mit Masse versorgt. Die Kabel sind alle SCHWARZ. Die Masse wird vom Generator über den runden Stecker ( rechts hinter Trittbrett unten) in den Kabelbaum gefürht. Der Generator ist direkt mit dem Motorgehäuse verbunden. ( im Bild das dreieckige Symbol im Generator) Weiter treffen alle Leitungen beim Elektron. Spannungsgegeler zusammen.Da wird auch der Anschluß zur Karosserie hergestellt. Aluch die Stelle, wo die funf schwarzen Leitungen zusammenlaufen, befindet sich auf der linken Seite bei der Elektrik. Du wirst wohl nicht umhin kommen, dir alle diese Punkte anzuschauen und mittels Messgerät nach der Stelle zu suchen, wo duch Korrision oder gebrochene Kabel die Verbindung unterbrochen ist. Ein neues Massekabel zu ziehen halte icht für wenig hilfreich. Denn von wo nach wo? Viel Glück beim Suchen, fang mit dem Verbindungsstecker (hinten rechs unter dem Trittbrett an

    MfG klaus

    Bilder

    • Schaltplan.jpg
      • 232.34 kB
      • 1,452 × 840
  • Aufnahme von Schalt- / Brems- /Kupplungszug PK50XL2 unklar

    • kasonova
    • July 27, 2007 at 17:19

    Hi,
    der Spitzname von Berti Vogts als Trainer war bei der Mannschaft "Tante Erna"

    MfG

  • Millenium Tacho einbauen

    • kasonova
    • July 27, 2007 at 17:17

    und genau das währe auch eine Schöne ÜBERSCHRIFT für Deine Frage gewesen.

    MfG

  • Blinker Umrahmung

    • kasonova
    • July 27, 2007 at 17:12

    Hallo;
    Dichtungen, das ist das was Du meinst, bekommt man nicht einzeln. Es giebt da diese Verpackungen aus Kunststoffschaum (ähnlich wie Styropor) die sich so fettig anfühlt und ca. 2-3 mm dick ist. Schneid Dir daraus neue Dichtungen (Muster hast Du ja) und die sehen auch noch besser aus weil sie weiß durchscheinend sind.

    MfG klaus

  • Welche Bezeichnung für Steuersatzlager?

    • kasonova
    • July 27, 2007 at 17:05

    Steuerlager für Piaggio
    Lagersatz oben Nummer: 154626
    Lagersatz unten Nummer: 153024

    für Type 402, 407

  • Vespa kuppelt automatisch während Fahrt aus!

    • kasonova
    • July 27, 2007 at 10:48

    Hallo Julia;
    deine Aussage ist etwas unklar. Bei der Automatik giebt es zwei Möglichkeiten dem Motor vom Antrieb zu trennen. Da ist erstens, der Schalthebel, welcher zwischen 0 und 1 schaltet, (Freilauf oder gekuppelt) zweitens die Fliekraftkupplung. Diese kuppelt, bei steigender Drehzahl ein. Es ist allso möglich zu unterscheiden was passiert. Für eine qualifizierte Antwort bitte nähere Angaben.

    MfG klaus

    PS altes deutsches Sprichwort: wie man in den Wald ruft, schallt es heraus. Beispiel? Hallo Antwort Hallo

  • Ventil Pk50Xl Automatik/Plurimatik schlägt immer noch an

    • kasonova
    • July 27, 2007 at 08:10

    Hallo;
    ich warte noch auf die abschließende Meldung. War es der Deckel unter dem Motor der über den Zügen sitzt? Bischen falsch angeschraubt? Oder erst druntergefrickelt als das Rad schon drauf war?

    MgH

  • Einige Fragen bezüglich Ladegerät, Batterie etc.

    • kasonova
    • July 27, 2007 at 08:05

    Hallo;
    als Lader für eine leere Batterie ist das nicht zu gebrauchen. Ich hab das hier in einem Elektronik Shop gekauft. Ich hab nachgefragt, wird z. B. von der Firma ANSMANN hergestellt, Type ALCS 2-24A.
    Das Teil kostet hier 28,- Euro

    MfG

  • Leerlaufproblem

    • kasonova
    • July 27, 2007 at 07:59

    VERGASER

  • Choke raus und Motor überdreht nicht mehr!

    • kasonova
    • July 27, 2007 at 07:58

    Hallo Franco;
    der Motor dreht dann hoch, wenn er ZUWENIG Benzin bekommt. D.H das Gemisch abmagert. Untersuch mal ob der Benzinfilter am Benzinhahn sauber ist, kein zusätzlicher Filter in der Leitung ist der Schlauch OK ist. Dann währe da noch die Vergasereinstellung die ist eventuell zu mager.

    MfG klaus

  • Keine O-Ringe im Motor

    • kasonova
    • July 26, 2007 at 17:29
    Zitat

    Original von shova50
    An der Schaltgabel ist auch einer


    hat di XL2 da nicht einen Simmerring?

  1. Datenschutzerklärung
  2. Impressum
  3. Kontakt
  4. Geschichte der Vespa bei Wikipedia
  5. Nutzungsbedingungen
Made with ♥ in Bavaria
Community-Software: WoltLab Suite™