Hilfe!!
Ich habe meinen bremslichtschalter und Lampe eingebaut, klappt Super, nur leider funktionieren nun alle Lichter und die Hupe nur bei getretener Bremse. Ich habe also einen kompletten Kurzschluss bei den Lichtern, nicht nur ein Bremslicht.
Beiträge von Christinakohnke
-
-
Problem: jetzt fahre ich im 4. Gang, alles andere geht nicht mehr. Also Kupplung funktioniert, aber die Schaltung geht nicht. Warum????? Aaaaah, ich muss doch noch nach Hause

-
so sieht er aus

den setze ich zwischen stromabnehmer und Schalter? also bei schwarz? -
Ich dachte ich hätte ne 12v zgp da drin?!
Also ich bin zwar blond und ne Frau, aber jetzt verkauft mich nicht so -
Hä? Du hast doch gesagt nix machen?
-
Sorry, ich meine jetzt die Scheinwerfer.

-
Wieso mechanisch??
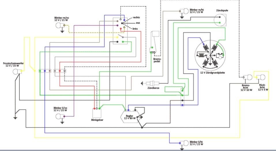
Laut [lexicon='Schaltplan',''][/lexicon] jeweils ein Leuchtmittel vorn und hinten, sind das nur die Soffitten? Hab vorne noch ne Halterung für ne Birne, oder? Da war halt vorher nix. -
Keeeeene Klappe! Licht ging halt nicht, alles durchgebrannt. Weil, wie gesagt, der spannungsregler nirgends angeschlossen ist, der befindet sich unter dem Sitz, statt Werkzeug

Wenn ich aber nun schonmal an der Verkabelung dran bin, wollte ich nur wissen, wie viel mehr Aufwand es wäre, Blinker dran zu bauen. -
Hab kein Fach links

Also lasse ich grundsätzlich nun erstmal alles so, wie es ist, baue aber den Regler (irgendwo?) dazwischen und nehme 12v Leuchtmittel, um Blinker und Rück- und Bremslicht, Schnarre oder sonstigen Schnickschnack einzubauen, müsste ich wohl einen neuen Kabelbaum basteln/bestellen/einbauen? -
Motor muss ich gleich nachschauen, Fahrgestell ist die v5b3t. Die gab es in Deutschland ja auch mit 4fach Blinker und so. Mein Vorbesitzer hat bei seiner Restauration einen neuen Kabelbaum eingezogen, aber ich halte nicht viel bin seinen Künsten, Benzinschläuche waren überall mit Kabelbindern befestigt, den Gaszug hält am Ende eine angebrochene Lüsterklemme. Unterm Sitz ist der spannungsregler, ein Relais hab ich bis jetzt noch nicht gefunden.
-
Also ich bin dann mal davon ausgegangen, dass ich den [lexicon='Schaltplan',''][/lexicon] vom Bild brauche, alle anderen haben die andere zgp. An meinem Rücklicht ist aber nur eine Soffettenfassung. Am Lenker sind keine Löcher für Blinker (wie gesagt) und ja, die Soffetten waren beide kaputt, eine andere Lampe war vorne nicht drin. Schnarre gibts auch nicht.

Wo was wie welche Mutter?

-
Hallo zusammen,
Ich habe meine Vespa nun noch nicht so lange und sie lief auch eigentlich beim Kauf. Trotzdem habe ich mal alles etwas genauer angeschaut, man weiß ja nicht, was da so dran gemacht wurde. Meiner Meinung nach ist nun alles etwas verkorkst.
Sehe ich das richtig, dass ich eine ZGP habe, die wahrscheinlich 12V liefert? Dazu habe ich nur Schaltpläne mit 4-Fach Blinkanlage gefunden. Die Vespa ist aber mit 0 Blinkern ausgestattet. Es ist auch ein falsches Rücklicht verbaut, denke ich, das lässt sich aber wohl beheben. Liege ich nun völlig falsch?Edith sagt, dass ich erwähnen sollte, dass ich einen an nichts angeschlossenen spannungsregler gefunden habe, an den Hinterbacken hat die Vespa jeweils ein Loch (für Blinker?), aber vorne nix, glaube ich.
