schau mal hier:
,
technik->schaltplanarchiv.
Beiträge von goof_7
-
-
dürfte in der tat kupfern sein, tausch sie lieber fürs strahlen und mach sie "mit hingabe sauber"!!!!!!!
-
kontaktabstand überprüfen, kerzenstecker evtl. tauschen,kabel checken.
-
wenn möglich am mutternkopf unterhalb des entlüfterdeckels, vorher einsprühen und wenn am deckel->langsam, vorsichtig, aber mit gefühl.
schraub einfach raus und mach sauber mit druckluft oder draht. -
hab mit nem kleinen bohrer begonnen und dann grösser geworden, soweit bis das "lenkschloss" in einzelteilen rausfiel.
-
jouup, das ist sie/er, der entlüfter!
-
mit einem metallbohrer das alte schloss aufbohren.
wenn es dann draussen ist am besten mitnehmen und das neue im laden damit vergleichen. -
-
schau mal hier:
und dann links auf schaltpläne. -
um was für ein modell handelt es sich, kann dir ev. einen [lexicon='schaltplan',''][/lexicon] geben.
-
hast du öl auf der bremsankerplatte, dort wo die bremsbacken sind, so ist dein simmerring in der bremsankerplatte defekt, ist überhaupt einer drin?
läuft das öl zwischen motorblock und bremsankerplatte raus so solltest du die dichtung(papier) wechseln und die bremsankerplatte wieder richtig fest draufmachen. schau mal nach drehmomenten für die platte.
dass das öl aus dem lager kommt ist normal.Schraube zur Befestigung d. Ankerplatte 0,3 - 0,5 kpm
link:

-
solange es "nur" eine schaufel ist sollte das nicht dramatisch sein. kannst du aber mit "knetmetall"(2K) dran pappen und in form dremeln.
-
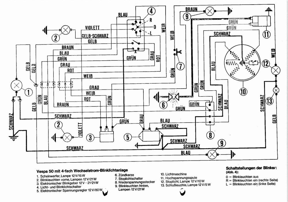
jouup, in der bunten fehlt eine grüne line! well done.
-
-
schau dir die farbe des kabels an der zündspule an, diese geht in kabelkästchen an die entsprechende farbe der zündgrundplatte. hilft der [lexicon='schaltplan',''][/lexicon]?
vom lenker kommend die gleiche farbe noch mit dran schrauben. -
mit 50er motor geht der dann doch als kleinkraftrad/leichtkraftrad durch und du brauchst doch nicht zum tüv damit, oder?
-
hab ich nen knick in der linse? die fläche ist doch nicht eben, wie kriegst du das dicht?
-
an der mototrennummer und
dort müsstest du es erfahren. -
die richtige antwort ist:GRÜN.
-
wenn du denen nicht sagst:"kontrolliert mal das öl.", dann machen die das auch nicht!
meine werkstatterfahrungen
