Hallo ersteinmal.
Meine pk 125 xl hatte ein Problem mit dem Getriebe (die Gänge sind bei der Beschleunigung rausgerutscht), weshalb ich mir einen occasion-Motor gekauft habe. Eigentlich habe ich mir eine ganze Vespa (pk 125 s), zerlegt in Einzelteile, gekauft, woraus ich den Motor entnommen habe. Nach dem Umbau (originaler Motor raus, anderer rein) will meine Hübsche nicht anspringen. Ich habe getan, was man in solchen Fällen halt als erstes tut, die Zündkerze getestet, mit dem Resultat: Sie zündet nicht. Habe mir eine neue Kerze geholt, doch diese zündet auch nicht. Doch, was mir komisch erscheint: Beim Versuch, die Vespa per Zünder (Elektrostarter) anzulassen, dreht der Motor.
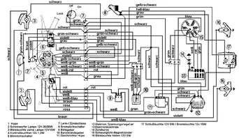
Vielleicht ein Hinweis für Experten: Aus dem Gehäuse schaut ein runder Stecker, der den Motor mit Strom versorgt. Der ist rund und hat sechs Löcher, im Kreis angeordnet. Von diesen 6 Löchern, sind 3 mit Kabeln versehen. Bei der zerlegten pk 125 s ist der Stecker jedoch mit 5 Kabeln versehen. Fehlt mir genau da was zur Zündung der Kerze?
Eingentlich wäre ich sehr froh, wenn ich sie wieder zum laufen bringen könnte.
Kann mir hier jemand helfen?
Gruss, Raffi
