SIP Scootershop | Vespa Tuning & Scooter Parts

Vespa PX 125 E (1987) Kabelverbindungen und Verständnis - Fragen

  • Hallo Vespa Gemeinde,

    Ich bin neu hier und konnte dank diesem Forum schon einiges lernen und bei meiner Restauration anwenden. Vielen Dank schonmal :)

    Nun habe ich jedoch noch ein zwei Fragen.

    Status meiner Vespa vor Demontage: Die Batterie lädt nicht und der Elektrostart - Knopf funktioniert nicht. Die Hupe wurde durch mein Vorgänger direkt an die Batterie angeschlossen (Siehe Blaues Kabel bei Kaskade.)

    Nun möchte ich diese Fehler beseitigen und wieder die Original Verkabelung herstellen:

    Im Anhang habe ich das Foto der Kabelanschlüsse unter der Kaskade. Dort gibt es diverse Kabel die nicht angeschlossen waren. Weiss jemand von euch, für was diese Kabel sind und wo ich diese anschliessen müsste?
    Und welches ist das Kabel für die Hupe, da ja mein Vorgänger die Hupe direkt an die Batterie angeschlossen hat...

    Zur zweiten Frage: Was ist dieses Teil (Foto im Anhang 2) Ist das [lexicon='der Hupengleichrichter',''][/lexicon]? Welcher defekt sein könnte?

    Nun noch zum dritten Bild: Ich nehme an, dass das der Sicherungshalter ist. Sollte dort nicht eine Sicherung drin sein?


    Vielen Dank für eure Hilfe,


    Izoards

  • Hi ich bin zwar nicht der große PX Spezialist, aber, das eine Teil ist ein Sicherungshalter, der müsste zwischen Bordnetz und Batterie sein. Denn sonnst würde, bei einem Kurzschluss, der Kabelbaum abfackeln. Das zweite Teil ist mM. nach das Starterrelais. Wenn Du das von unten fotografiert hättest, könnte man das Besser beurteilen. Aber die beiden dicken kupferfarbenen Anschlüsse sprechen dafür. Wenn die Anschlüsse auch noch mit 85, 86, 87 und 30 bezeichnet sind, sicher. Für den Rest der Fragen sollte ein [lexicon='Schaltplan',''][/lexicon] hilfreich sein, ABER dafür braucht man den Präfix der FIN und das Baujahr.

  • Danke schonmal für die Antwort, es ist also das starterrelais (Die Kontakte sind mit den genannten nummern angeschrieben.)
    Ist diese Sicherung im 12VDC Schaltkreislauf? Denn alles andere, licht, blinker, funktionierte...
    Gibt es denn für die Hupe einen extra gleichrichter? Oder wird da der normale gleichrichter verwendet, der auch für die batterieladung und den startknopf benützt wird?

    Und... Verstehe ich das richtig, dass der Schalter beim kupplungshebel die freigabe für den elektrostarter erteilt?

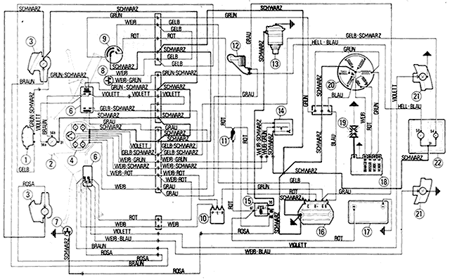
  • Hi, nein für die Hupe gibt es, bei einer Vespa mit Batterie, keinen Gleichrichter, da der Spannungsregeler Gleichstrom an die Batterie liefert. Das mit dem Schalter ist richtig, um ein versehentliches Betätigen des Starters zu unterbinden, MUSS der Kupplungshebel (oder Bremshebel links) gezogen werden, dadurch wird erst der Startknopf frei gegeben. So da ich aber immer noch nicht weiß, welche Vespa Du fährst, (oder fahren möchtest) mal ein PX-[lexicon='Schaltplan',''][/lexicon]. Da drauf kannst Du die Leitungen der Hupe verfolgen. Der gelbe geht zur Hauptverteilung, und der grünschwarze geht zum Schalter. Mach mich nicht für die Qualität verantwortlich, ist geklaut.

  • Danke vielmals für deine Bemühungen.. Wo finde ich denn den Präfix sowie die FN nummer?
    Die fehlersuche kann ja dann "leider" erst wieder beim zusammenbau beginnden, ich nehme nicht an, dass man diese elektronisvhen teile, regler & relais mit nem multimeter ausmessen kann? Oder kann ich dem regler mal 15vac einspeisen?


    So, bin jetzt mal soweit, alles demontiert, die Kabel im Tank verstaut und ab an die waschstrasse... Wie "versteckt" man eigentlich am besten die Kabel bei der Kaskade, damit der lackierer dort gut lackieren kann?
    Ich möchte am liebsten alle kabel noch mehr oder weniger am rahmen lassen während dem lackieren, habt ihr da irgendwelche tricks.

  • Hi, die FIN steht in den Fahrzeugpapieren, die ersten 5 Stellen zB. VNX1T1. Den Hauptverbinder aus dem Rahmen lösen, in eine Plastiktüte stecken, das und die Kabel mit Abdeckband gut verpacken.

    die Elektronischen Bauteile lassen sich, ausgebaut kaum testen, da sie aus mehrern Bauteilen bestehen. Die kann man nur im eingebauten Zustand prüfen.

  • Super, Danke..

    Aber gehe ich richtig davon aus, das wenn die Lichter alle noch funktionieren die zündspule noch wechselstrom liefert. Also liegt es entweder am regler, oder an dem dahinter? Gruss

  • Hi, wenn die Batterie nicht geladen wird, liegt es meistens an der Batterie, zu alt oder tiefentladen. diese kleinen Batterien halten nicht sehr lange, und wenn man die im Winter nicht pflegt, sind die spätestens im dritten Winter hin. Die Batterie sollte so über 13 Volt spannung aufweisen, wenn dann der Motor läuft sollte die Spannung an der Batterie ansteigen. Immer voraus gesetzt dass, die Verkabelung OK ist, und der richtige Spannungsregeler montiert ist. Da ich aber nicht weiß welcher Regeler verbaut ist, und wie der verkabelt ist, kann man das so nicht sagen, dass ist nur ein stochern im Nebel. ?(

  • Ich werde die Angaben gerne nachliefern, heute Abend.

    Also die Batterie ist es definitiv nicht, da ich für die Motorfahrzeugkontrolle eine neue Batterie eingebaut habe. Nach ein paar Wochen war die Batterie leer. Der Grund wieso die Hupe direkt an der Batterie hängt, war auch nur, dass die Vespa durch die MFK kommt.

  • Dann liegt Dein Problem möglicherweise in der Verkabelung. Du hast ein Messgerät, damit kann man die Spannung und auch nach dem Verbraucher suchen, welcher die Batterie leer saugt. Aber wie gesagt, wenn alles montiert ist. Die Batterie zwischenzeitlich abklemmen, und wieder aufladen, leere Batterien gehen kaputt.

  • Hab mich jetzt grad entschieden, dass ich vor dem sandstrahlen alle kabelzüge inkl. Kabelbaum aus dem Rahmen nehme.
    Wie bringe ich den hauptsteckerverteiler der unter der kaskade ist durch den ganzen rahmen!? Ich kann ihn ja nicht mal beim gabelrohr durquetschen....? Raus geht ja noch, aber wenn ich dann den neuen kabelbaum von hinten durchziehen möchte, sehe ich schwarrz für diesen grossen steckerverteiler...? Oder muss bei der PX125e (VNX 2T3 008 505) den kabelbaum von vorne durchziehen? Danke für die tipps...

  • Das ist der falsche Weg, da wo der Hauptverteiler sitzt, da muss der Kabelbaum rausgezogen und auch wieder eingefädelt werden. Wenn Du meim herausziehen einen Draht mit reinziehst, tust Du dich beim Einbau wesentlich leichter, und vergiss nicht, vorher reichlich Bilder zu machen, damit nicht hinter her die Frage kommt "wie sitzts das Teil und wo kommen welche Kabel hin". Und schreib jetzt nicht "das geht nicht" so haben die Frauen bei Piaggio den Kabelbaum auch da rein gefriemelt.