1. Vespa Forum
    1. Unerledigte Themen
  2. Dashboard
  3. Galerie
    1. Alben
    2. Karte
  4. Lexikon
  • Anmelden
  • Registrieren
  • Suche
Dieses Thema
  • Alles
  • Dieses Thema
  • Dieses Forum
  • Forum
  • Galerie
  • Lexikon
  • Seiten
  • Erweiterte Suche
  1. VespaOnline Forum: Entdecke die Welt der klassischen Vespa-Roller und teile deine Leidenschaft
  2. Vespa Smallframe / Largeframe / Wideframe Roller
  3. Vespa Elektrik

Zu schwaches Licht bei PK 50 XL 2

  • PK50XL2TIM
  • May 3, 2012 at 21:19
  • PK50XL2TIM
    Anfänger
    Punkte
    25
    Beiträge
    4
    Vespa Typ
    PK 50 XL 2
    • May 3, 2012 at 21:19
    • #1

    Hallo zusammen,

    ist mein erster Beitrag da ich total verzweifelt bin und nicht weiter komme. Folgendes: Hab eine PK 50 XL 2 bei der nur das Licht schwach geht, der Blinker schwach, und die Hupe garnicht.

    So, das blaue Kabel das zum Gleichrichter geht führt 12-40 Volt. (je nach Drehzahl) Stecke ich Masse, das blaue, und das Graue an den Gleichrichter, ist unter G G nur noch jeweils ca. 6-7 Volt zu messen. Ich ganz schlau, kauf mir nen neuen Gleichrichter... eingbaut, das gleiche Problem. Zündung etc. funtzt übrigens einwandfrei. Ich denk mir die Lima liefert genügend Saft, aber sobald sie am Gleichrichter hängt sind noch 6 Volt da. Weiss jemand woran das liegen kann ? Die Lima sieht sehr neu aus, also kein Kabelbruch oder so sichtbar.


    Bin um jeden Ratschlag dankbar.

  • PK50XL2TIM
    Anfänger
    Punkte
    25
    Beiträge
    4
    Vespa Typ
    PK 50 XL 2
    • May 4, 2012 at 09:21
    • #2

    keiner nen Tipp ?

  • kasonova
    Foren-Inventar
    Reaktionen
    43
    Punkte
    31,593
    Trophäen
    2
    Beiträge
    6,227
    Bilder
    10
    Einträge
    3
    Wohnort
    Solingen
    Vespa Typ
    Vespa ET2, V50 Spezial, PK 50 XL2
    • May 4, 2012 at 09:35
    • #3

    Steck mal den Hupengleichrichter ab. Der macht solche Späßchen.

  • PK50XL2TIM
    Anfänger
    Punkte
    25
    Beiträge
    4
    Vespa Typ
    PK 50 XL 2
    • May 4, 2012 at 11:38
    • #4

    gemacht... Problem leider nicht gelöst... HIIIILLLFFFEEEEEEEEEEE

  • kasonova
    Foren-Inventar
    Reaktionen
    43
    Punkte
    31,593
    Trophäen
    2
    Beiträge
    6,227
    Bilder
    10
    Einträge
    3
    Wohnort
    Solingen
    Vespa Typ
    Vespa ET2, V50 Spezial, PK 50 XL2
    • May 4, 2012 at 11:52
    • #5

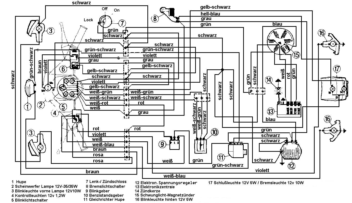
    Ja das wird Dir jetzt garnicht gefallen. Bau mal die Kaskade ab, da runter findest Du den Hauptverteiler. Dann nimmst Du den [lexicon='Schaltplan',''][/lexicon] und ein Multimeter zur Hand. Du klemmst direkt am Spannungsregler eine Prüfbirne an und stöpselst am Hauptverteiler alle Verbraucher aus. Du must als erstes die Kabel (ausgespöpselt) vom Spannungsregler zum Haptverteiler prüfen, ob ein Masseschluss vorhanden ist, wenn Die OK sind, Motor starten, nun sollte die Testbirne hell leuchten. dann nach und nach die Verbraucher wieder einstöpseln. Wo dann die Prüfbirne dunkler wird, liegt dann wohl der Fehler. Dann diesen Kabelast weiter untersuchen (Sichtprüfung). So solltest Du den Fehler finden. Prüf mal ob der [lexicon='Schaltplan',''][/lexicon] mit Deinen Farben überein stimmt. Die senkrechten Rechtecke sind der Hauptverteiler.

    Bilder

    • Schaltplan.jpg
      • 232.34 kB
      • 1,452 × 840
  • PK50XL2TIM
    Anfänger
    Punkte
    25
    Beiträge
    4
    Vespa Typ
    PK 50 XL 2
    • May 4, 2012 at 15:25
    • #6

    Hi,

    also, hab die Kaskade runter und mal alle Massekabel auf Durchgang überprüft. Dann Roller an und alles abgesteckt. Die Spannung hab ich mit dem Multimeter direkt am Regler gemessen. Im Standgas ca 9 Volt, wenn ich aufdrehe komm ich auf ca. 12 Volt. Blinker geht voll Saft, Hupe geht immer noch nicht. Wenn ich dann den letzten Stecker für das Licht anstecke, sinkt die Spannung auf 6-7 Volt Wechselstrom. Passiert aber erst wenn ich das Licht auch anmache. Schalter aus, hat er genügen Saft, zumindest für die Blinker. Die sind jetzt schön hell.

    Um mal zu überprüfen ob es am Tacho, Frontlicht etc. liegt, hab ich am Regler mal eine Autobatterie angeschlossen. UND siehe da, die Hupe geht, Licht brennt voll. Der Blinker bleibt dann allerdings beidseitig auf Dauerstrom. Also nach Adam Riese liegt es dann wohl an der Lima. Obwohl ja aus dem blauen Kabel (solange es nicht angeschlossen ist am Regler) zwischen 12 und 40 Volt rauskommen. Kanns vieleicht an der Stromstärke liegen ? Wie kann ich denn diese messen ?

  • kasonova
    Foren-Inventar
    Reaktionen
    43
    Punkte
    31,593
    Trophäen
    2
    Beiträge
    6,227
    Bilder
    10
    Einträge
    3
    Wohnort
    Solingen
    Vespa Typ
    Vespa ET2, V50 Spezial, PK 50 XL2
    • May 4, 2012 at 16:26
    • #7

    Hi, Du hast eine Vespa OHNE Batterie. Da hat der Blinker ein Wechselstromrelais, zu erkennen an der grünen Farbe. Ja aber die Lima geht eigentlich nicht kaputt, von mechanischen Beschädigungen mal abgesehen. Hab mal ein Bild angehängt. Was aber vorkommen kann, immer voraus gesetzt das alles original und OK ist, das die Magnetisiering vom Polrad schwächer geworden ist. Aber die Leistung der Lima sollte auch für das licht noch voll ausreichen. Mach mal die Lenkerverkleidung runter und schau da mal rein. Da liegt möglicherweise der Hase im Pfeffer, z. B. eine 6 Volt Scheinwerferbirne? Oder Kabel durchgescheuert.

    Bilder

    • Spulen.jpg
      • 41.52 kB
      • 800 × 600

    Dateien

    Abnehmen der Lenkerverkleidung Xl2.pdf 424.09 kB – 487 Downloads

Tags

  • Vespa PK 50 XL2
  • Vespa PK 50
  1. Datenschutzerklärung
  2. Impressum
  3. Kontakt
  4. Geschichte der Vespa bei Wikipedia
  5. Nutzungsbedingungen
Made with ♥ in Bavaria
Community-Software: WoltLab Suite™