Hallo zusammen!
Vielleicht kann mir jemand helfen- habe folgendes Problem: an meiner P200E wurde ein H4 Scheinwerfer vom Vorbesitzer eingebaut. Als ich sie bekam funktionierte alles. Nach ca 2 Monaten streikten die Blinker, was ich auf den Ladezustand der Batterie zurückführte. Hab also ne neue Batteie gekauft und natürlich vor Einbau geladen. Bei Einbau stellte ich fest, dass das graue Kabel, welches bei B in den Spannungsregler und bei X ins Blinkrelais geht vom Vorbesitzer stillgelegt worden war. Statt dessen hat er von B ein neues Kabel zum - laufen lassen und von X aus auch zum-. Ein drittes Kabel wurde zusätzlich an die Masse gelegt.
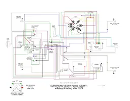
Konnte mir das alles nicht erklären. hab bei Scooterhelp.com schließlich den richtigen [lexicon='Schaltplan',''][/lexicon] gefunden (P200E mit Ducati Elektronik, Blinkern und Batterie) und alles in den Urzustand gebracht.
Scheinwerfer und Rücklicht funktionieren, Bremslicht und Blinker gehen nicht.
Bin echt frustriert- Wer kann mir weiterhelfen?
Ist es möglich, dass das graue doppelläufige Kabel defekt ist? Hab ich irgendwo einen Massefehler? ![]()
Blinker und Bremslicht bei meiner P200E funktionieren nicht
-
-
Ob die Sicherung (12V/8A) in Ordnung ist hast du kontrolliert?
lg
Andreas -
Hallo Andreas!
Die Sicherung hab ich ausgetauscht. War eine 16 Ampere Sicherung drin, hab sie gegen 8 ausgetauscht. was mich nur wundert ist, dass das alles ja mal funktioniert hat. Versteh auch nicht so ganz, wie die 3 Stromkreise miteinander verschaltet sind. Habe nur gesehen, dass der Vorbesitzer es anders gemacht hatte als es auf dem [lexicon='Schaltplan',''][/lexicon] steht.
Er hat das Kabel von B+ nach Y stillgelegt (das an Y gedoppelt ist). Statt dessen hat er von B+ und von Y jeweils 1 Kabel zur Batterie laufen lassen. Das Kabel, Das auf dem [lexicon='Schaltplan',''][/lexicon] an P angeschlossen wird (und als 3. Kabel an die Hupe angeschlossen ist),ließ er ebenfalls zur Batterie laufen.
das grüne Kabel, dass an L angeschlossen ist ließ er so. Den richtigen [lexicon='Schaltplan',''][/lexicon] habe ich bei Scooterhelp gefunden. kann ihn leider nicht anhängen. Ein ähnlicher (P Kabel verläuft hier anders) ist beigefügt.
Gibts da eine Erklärung, wie diese 3 Kabe jetzt an die Batterie und an die Masse angeschlossen werden?
Bin für jeden Vorschlag dankbar.
Lg,
Susanne -
Hi!
Hab grad meinen defekten Spannungsregler ausgetauscht und dabei festgestellt, dass ich für meine P 200 E einen falschen [lexicon='Schaltplan',''][/lexicon] hatte (der zeigte nämlich einen 3-Pol, statt 5-Pol-Spannungsregler an). Ich hab mir dann genau diesen [lexicon='Schaltplan',''][/lexicon] von Scooterhelp besorgt. Soweit passt jetzt alles, nur bei den Blinkern war ich etwas irritiert. Ich hatte bisher 12V 21W Birnen drin, auf diesem [lexicon='Schaltplan',''][/lexicon] sind aber nur 2 W angegeben. Kann das sein? Das kommt mir ein bisschen sehr wenig vor. Und wäre es schlimm, wenn ich eine höhere Wattleistung der Birnen habe? Meinen Scheinwerfer habe ich nämlich auch mal ausgetauscht (12 V 25/25 W gegen 12 V 35/35 W) - da hab ich mir sagen lassen, dass das nicht schlimm ist, im Gegenteil: eher besser, weil heller... Aber bei den Blinkern ist die Differenz ja nun sehr viel größer...
Grüßle -
...normalerweise sind es 12V/21W bei den Blinkern die 12V/2W hast in der Regel bei den ganzen Kontrollleuchten
zu Susannes Roller:
Wie du selbst schon festgestellt hast, ist die Elektrik ein Hund, daher wäre es ganz wichtig, dass man zu deinem Roller ein wenig mehr erfährt!
Rahmennummer, Bj. was für ein Spannungsregler ist verbaut, welche Lichtmaschine mit wie vielen Kabeln etc. nicht unerheblich ob deutsches, österr. oder italienisches Modell ( die Vielzahl der Schaltpläne bei der PX ist enorm)
...es wird einen Grund gehabt haben, dass der Vorbesitzer da Abänderungen an der Verkabelung getätigt hat (wahrscheinlich wurde die Elektrik an eine andere Lichtmaschine angepasst ??!!)
gib dass mal durch damit man den wirklichen zugehörigen [lexicon='Schaltplan',''][/lexicon] ausfindig machen kann, sonst ist das ein Lotterie Spiel.
lg
-
... ja eben, eigentlich sind die 2 W Birnen für die Kontrollleuchten, aber im [lexicon='Schaltplan',''][/lexicon] sind sie definitiv auch für die Blinker angegeben, aber ich gehe mal davon aus, dass der [lexicon='Schaltplan',''][/lexicon] an dieser Stelle einfach fehlerhaft ist. Außerdem glaube ich kaum, dass man Birnen in der Größe mit 2 W bekommt... Aber nochmal zu meiner anderen Frage: Kann ich irgendwas kaputt machen, wenn ich Birnen mit einer höheren Wattleistung benutze, als im [lexicon='Schaltplan',''][/lexicon] angegeben?
-
@ Susanne: Ich hatte anfangs auch das Problem, dass der Vorbesitzer meiner Vespa die Elektrik komplett verändert hat (waren auch ziemlich viele Extras und ein 2. Kabelbaum hinzugekommen). Hab dann alles rausgerissen und den Originalzustand möglichst wieder hergestellt. Meine Blinkerkontrollleuchte funzt zwar immer noch nicht, aber die ist mir auch egal, hauptsache der Rest geht.
Bei deinem Problem wäre das Einfachste natürlich erst mal den Vorbesitzer zu kontaktieren und den zu fragen. Ansonsten würde ich mich genau an den [lexicon='Schaltplan',''][/lexicon] halten - vorausgesetzt, dass du den richtigen hast. -
es können bei der PX verschiedene Zündgrundplatten verbaut sein mit 80/90/ 96LML/120Cosa Watt (in der Regel hast aber 80 oder 90 Watt
Je nachdem welche verbaut ist, hast du auch die Möglichkeit stärkere Lampen zu verbauen (geht in Einzelfällen auch bei schwächeren Lichtmaschinen, da ein wenig Spiel vorhanden ist. Es darf halt die Gesamtleistung deiner Lichtmaschine nicht extrem überschritten werden,
da ansonsten hohe Ströme fließen und die wieder deine Lichtmaschine bzw. den Spannungsregler (der hat aber einen Überlastungsschutz) in die Knie zwingen können und somit auf die Lebensdauer deiner elektronischen Bauteile (Regler, Relais etc.) gehen.Weiters hast vereinfacht drei Kreise
1.) Batterieladung und Anspeisung versch. Verbraucher wie Blinker,Parklicht, Bremslicht, Hupe ggf. Anlasser und Relais etc. (kommt auf das Modell an)
die werden über die Batterie angespeist mit Gleichstrom. Wenn du dort die Leistung der Verbraucher stark erhöhst geht es auf die Batterie, da die schneller entladen wird als geladen (Stadtverkehr, niedere Drehzahlen, oftmaliges Blinken und Bremsen bzw. Starten des Motors)2.) den Kreis fürs Licht (Scheinwerfer, Rücklicht etc. also die Verbraucher die in der Regel permanent im Einsatz sind)
3.) den Kreis für die Zündung
-
Hallo Zusammen!
Sind heute einen großen Schritt weitergekommen. Meinen P200E hat einen Gleichrichter von Ducati, ist ein italiänisches Modell. Haben heute 2 Kabelbrüche entdeckt. Außerdem haben wir alle Kabel an den richtigen Steckplatz gebracht, da waren 2 Kabel vertauscht. Jetzt geht alles bis auf den linken Binker. Das wird wohl am Schalter liegen.
Vielen Dank für die Tipps. Mit dem richtigen [lexicon='Schaltplan',''][/lexicon] (von 5 zur Auswahl) wurde das ganze berechenbarer.
Alles wird gut. Danke! -
Hi,
ich hatte das Problem auch.
Ich habe einen komplett neuen Kabelbaum eingezogen und dachte ich spinne, als der Blinker und das Bremslicht nicht mehr gingen.Bei mir war nur ein weisses Kabel von den Anschlüssen unter meinem Zündschloß abgerutscht. (Ich habe eine PX alt)
Gruß
Christian
