Hi,
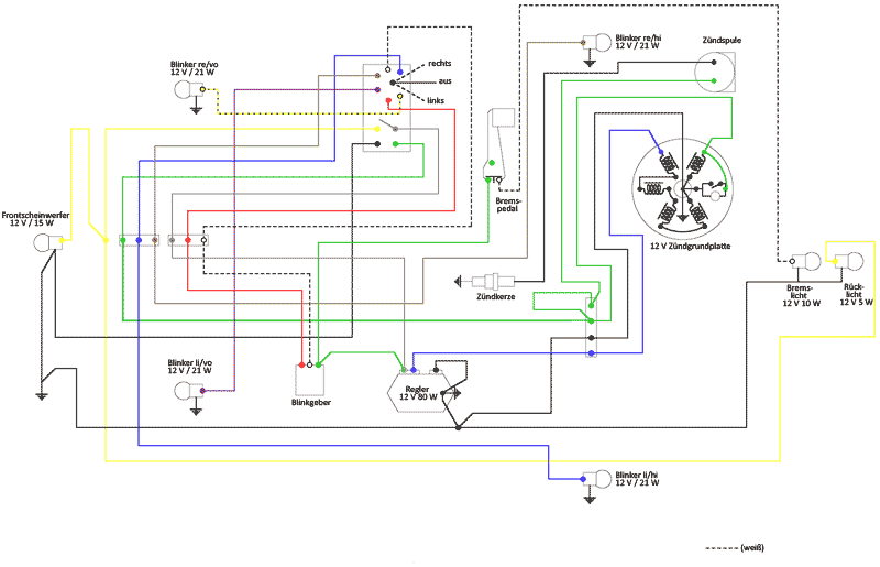
habe einen neuen Kabelbaum für meine V50 (4 Blinker) bestellt. Meine alter Kabelbaum (leider ohne Kabelkästchen verbaut), hatte exakt die Farben wie in der angehängten Zeichnung.
Jetzt kam der neue KB, und ich raff gar nix, alles anders.
1. Das Bild mit den ganzen verschiedenfarbigen Kabeln und den Kabelösen: Kommt das an den Lenker oder unten an das Kabelkästchen ?
2. Wohin kommt die beiden 2 gelben Kabel ? Bei mir war vorher Bremsschalter/Bremspedal grün + weiss
3. Und die anderen ? (grau/blau/schwarz ? blau/schwarz ? grün/rot/schwarz/gelb ? )
4. Dann war da noch ein (kleiner) Kabelbaum dabei, separat. Wofür ist der ? Für die Blinker ?
Bin dankbar für jede Hilfe bzw. ein Mapping des alten auf den neuen Kabelbaum.
Grüße,
Ugros
