Hallo Zusammen,
ich baue grad an einer V50 Spezial, ursprünglich mit Blinker, die sind jedoch nicht mehr da, nur der Kabelbaum dazu.
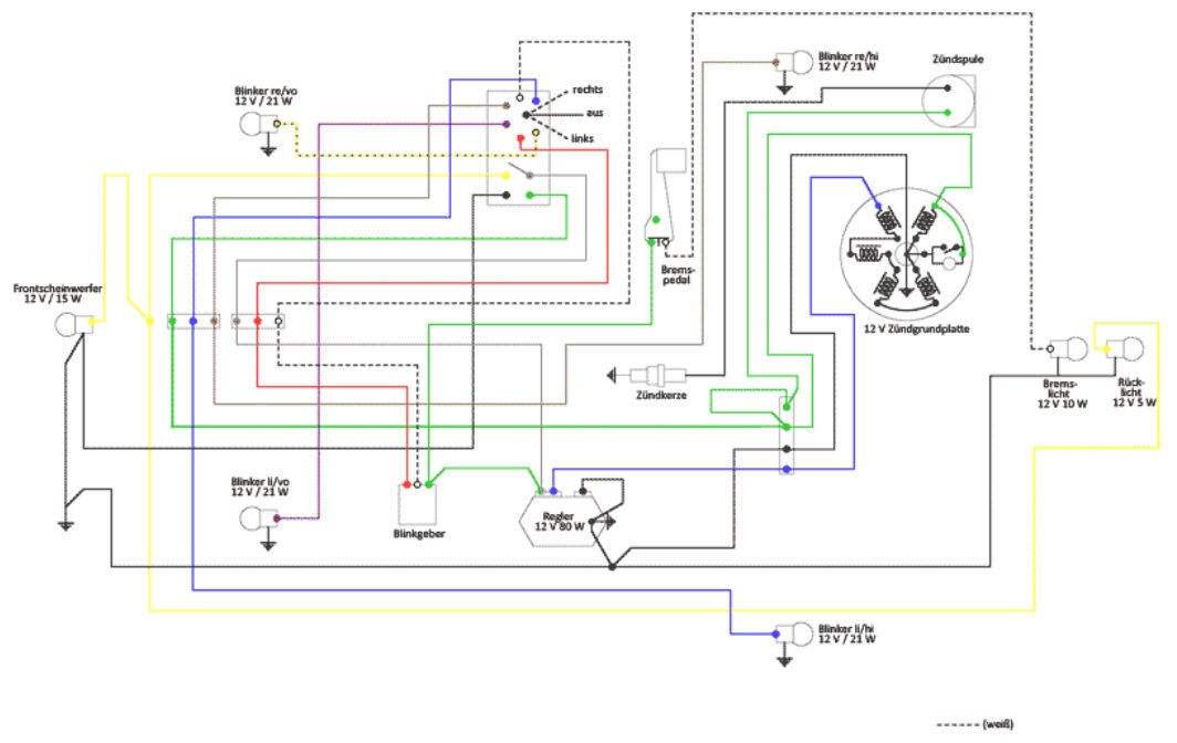
Ich denke das ist der [lexicon='Schaltplan',''][/lexicon] zum bestehenden Kabelbaum:
Nun habe ich mir eine Schnarre zugelegt und den dazugehörigen Lichtschalter:
Am weißen Kabel, das sieht man jetzt nicht, ist noch ein kurzes graues Kabel dran.
So, wie verbinde ich jetzt die Kabel dieses Lichtschalters mit dem bestehenden Kabelbaum???
Weiß und Grün kommen, denke ich an die Schnarre, aber dann beissts schon aus. Kann mir da von Euch einer helfen?
Der linke Schalter schaltet das Licht ein und aus, der rechte Aufblendlicht, oder umgekehrt?
Ich will halt den bestehenden Kabelbaum nicht rausrupfen, das muss doch auch mit dem gehen, oder?
Viele Grüße
Klaus
