Hallo,
ich habe ein Problem mit der Verkabelung meiner PK50XL. Ich habe mir nicht aufgeschrieben welches Kabel wohin gehört. Zumal es ja mehrere gleichfarbige Stecker gibt die in mehrere Steckplätze passen. Wäre sehr Dankbar wenn wir jemand helfen könnte.
LG.
Vespa Elektrikverkabelung anschließen
-
-
Redest Du über eine XL2 ? Von den Steckern unter der Kaskade?
-
Seinem Profil nach gehe ich davon aus das er eine XL1 oder 2 meint
Die unter der Kaskade passen nur einmal. Oder meinst du die unter der Linken seitenbacke? Dann musst du noch sagen ob deine Vespa einen Elektrostarter oder nicht hat.
-
Hallo und vielen dank für die schnelle Antwort.
Meine die unter der Seitenbacke,nein habe kein E starter.
Lg.
Ps: Ist BJ 91 Müßte XL 2 sein -
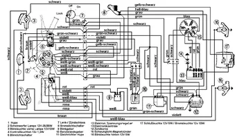
Unter der Seitenbacke sitzt der Spannungsregler, die Anschlüsse sind gekennzeichnet, und das Relay für den Blinker, die Abschlüsse sind farbig gekennzeichnet und [lexicon='der Hupengleichrichter',''][/lexicon], der hat einen unverwechselbaren Stecker. Das müsstest Du mit dem [lexicon='Schaltplan',''][/lexicon] hin bekommen.
-
Hallo Kasonova das Problem ist bei mir,es ist nichts farbig gekenzeichnet.
Lade mal paar Bilder hoch damit Du es siehst.
Es dreht sich um das Blinker Ralley und den Spannungswandler.
LG. -
Hi, wir viele Pinns sind in dem Regler vorhanden?
-
Hallo es sind vier Pins
-
Dann ist es erst mal der Falsche, da gehört einer mit drei Pinns rein. Wechselstrom von der Lima blau, direkt da neben grau zum Zündschloss und am anderen ende schwarz als Masse. die Anordnung am Relais kannst Du aus dem Bild ersehen.
-
Der war doch aber verbaut und es hat alles funktioniert ????
Aber Dankeschön für die Antworten. -
Regler mit 4 Pinns gehören in eine Cosa, Anschluss GGG M. (Generator 3x Masse 1x). Du hast aber nur einen vom Generator ????
-
Also habe nochmal nachgesehen folgende Kabel habe ich.
Schwarz
Rot
Grün
Rot/Weiß
Schwarz/Weiß
Grün/Grau
Blau
Ich brauche drei Kabel auf dem Blinker Rellay,und vier in dem Umwandler -
Tut mir echt leid wenn ich mich so Blöde anstelle,
ich bin Blutiger Anfänger. sorry -
Das sind alles Farben welche ich si nicht kenne, lt. Plan und meinem Wissen am Regler schwarz, grau und blau. Am Relais lt. Plan: weiß rot grün. Da kann ich nichts mit anfangen, da müsste ich zu Messgerät greifen.
-
Ok Trotzdem vielen Dank für die Antworten und den Plan.
Wenn ich es hin bekomme lass ich was von mir hören.
Lg.
