Hallo,
versuche gerade bei einem Kumpel folgendes Problem zu beheben:
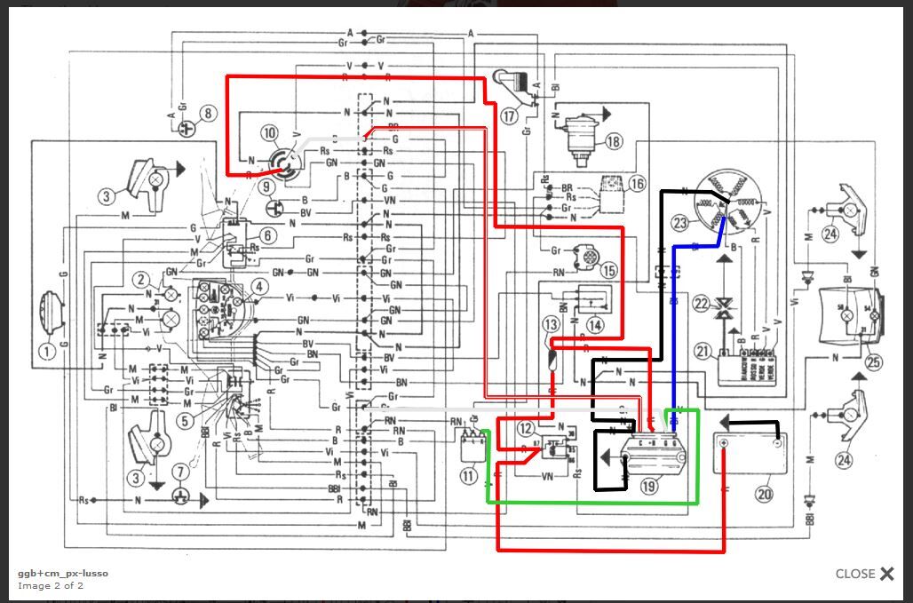
Die Batterie ladet nicht an einer Vespa Pro 125.
Hatte nun den Gleichrichter im Verdacht.
Hier wurde schon mal was beschrieben---->Regler
So nun habe ich nen neuen bestellt, aber das gleiche Problem.
Frage:
Ich messe am
lila G 15-35V AC gegen Masse (Kabel direkt)
grau/grün G 0V gegen Masse
G gegen G 12V AC eingesteckt an Regler
am B+ kommen max. 3,5V DC raus, also viel zu wenig um die Batterie zu laden.
Was kann es denn noch sein?
Oder messe ich falsch?
und was ist der grüne und graue Kasten ?
Würde mich über Hilfe sehr freuen.
