hallöchen
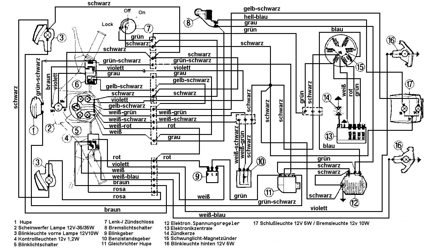
habe mir im febuar ein schmucksctück zugelegt und beschlossen es her zu richten ein bekannter der ein joghurt becher fährt hat mir das gute schnell zerlegt und dann gesagt ich werde dir beim zusammen bau helfen leider fehlt jetzt jede spur von im
und ich hatte keine möglichkeit mir einige bilder von der elektronik zu machen das gute stück hat mir dann ein kumpel der auch wieder spaß an einer vespa gefunden hat und sich eine pk 80 gekauft hat wieder zusammen gebaut doch bei der elektrik haben wir ein problem und zwar bekommen wir vorne kein licht hier und da funktionieren die blinker vorne mal wenn ja aber zu schnell die tankanzeige ist meistens trotz genug sprit an der blinker hinten rechts funktioniert garnicht
und jetzt die frage wenn einer so nett währ der auch eine xl 1 fährt mal vielleicht ein paar fotos von der elektronik macht ob ich alles richtig angeklemmt habe oder weis ob ein teil defekt ist
vilen dank im voraus
![]()
