SIP Scootershop | Vespa Tuning & Scooter Parts

Problem mit der Zündung bei meiner Vespa PK 50 XL2

  • Ich besitze folgendes model.


    Vespa PK 50 XL2

    BJ: 95

    Identifizierungs-NR. V5X3T0215984


    Habe die Vespa von meinem Onkel bekommen da sie nicht Zündet. Die Lichtmaschine habe ich mit einer Prüflampe getestet ob sie Strom gibt, sie gibt Strom ab allerdings kommt vorne am Zündschloss kein Strom an, Kabel Bruch habe ich schon ausgeschlossen da ich die Leitung mit ein Prüfgerät getestet habe und somit ein kabel Bruch ausschließen kann. Die Zündspule habe ich mal an einen anderen Roller getestet ob sie funktioniert leider funktioniert sie dort nicht, Stecker und Kabel aber in Ordnung. Meine Frage ist nun ist die Zündspule Defekt oder auch die Lichtmaschine kann mir da einer helfen?


    danke in voraus

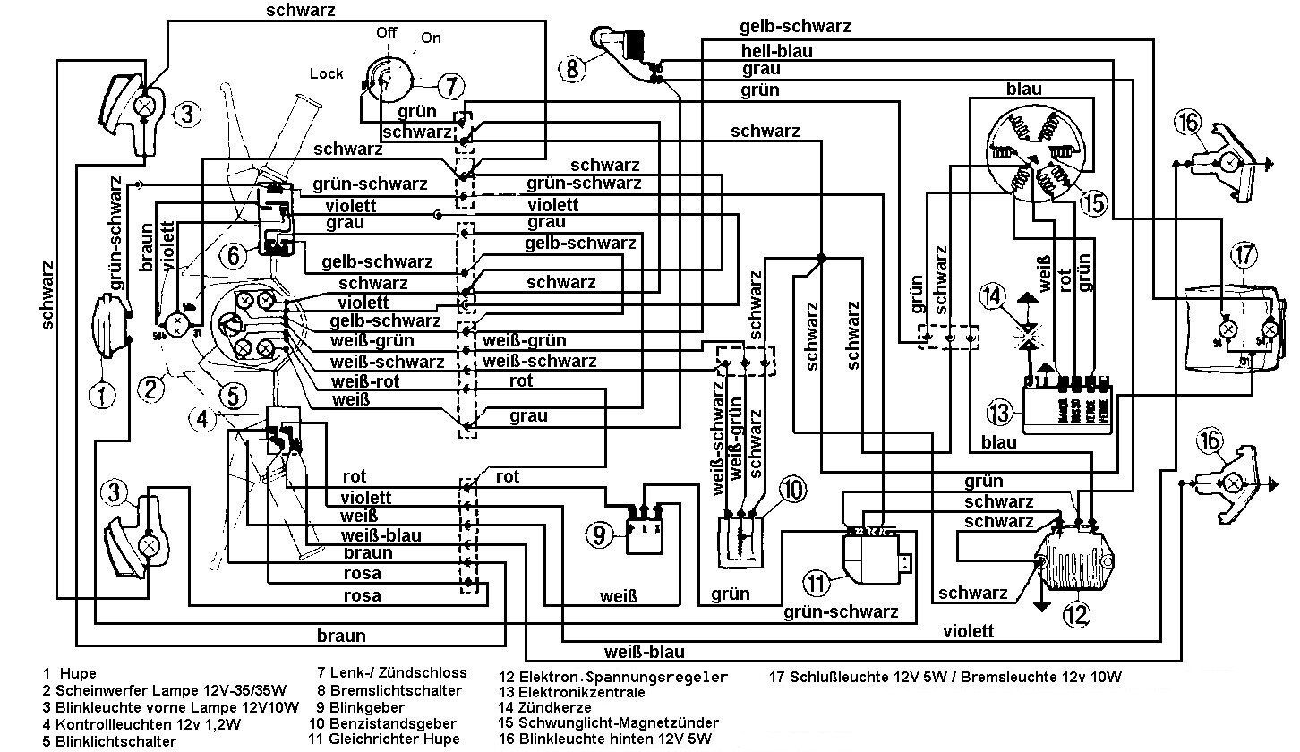
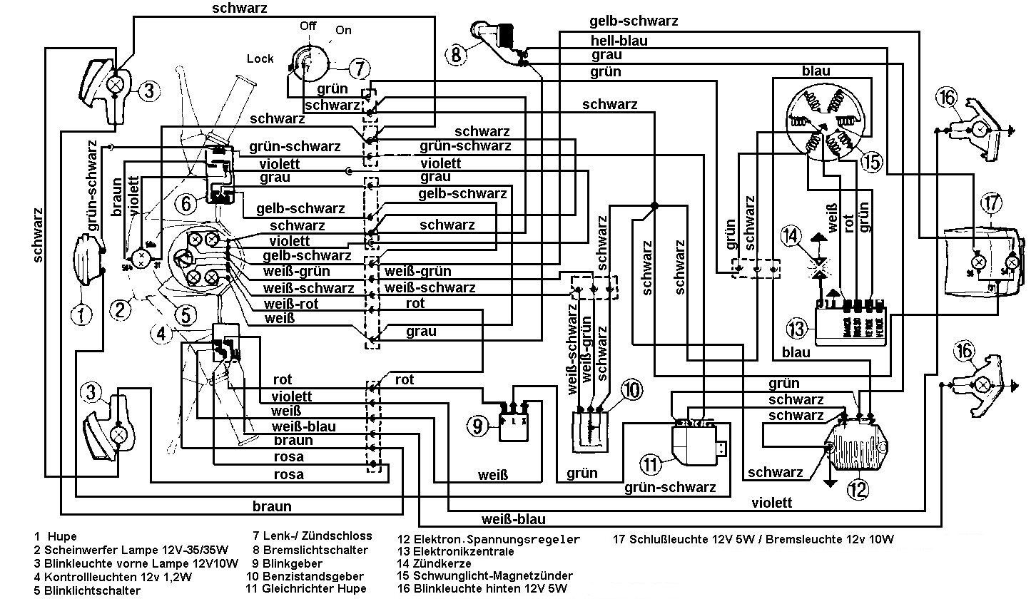
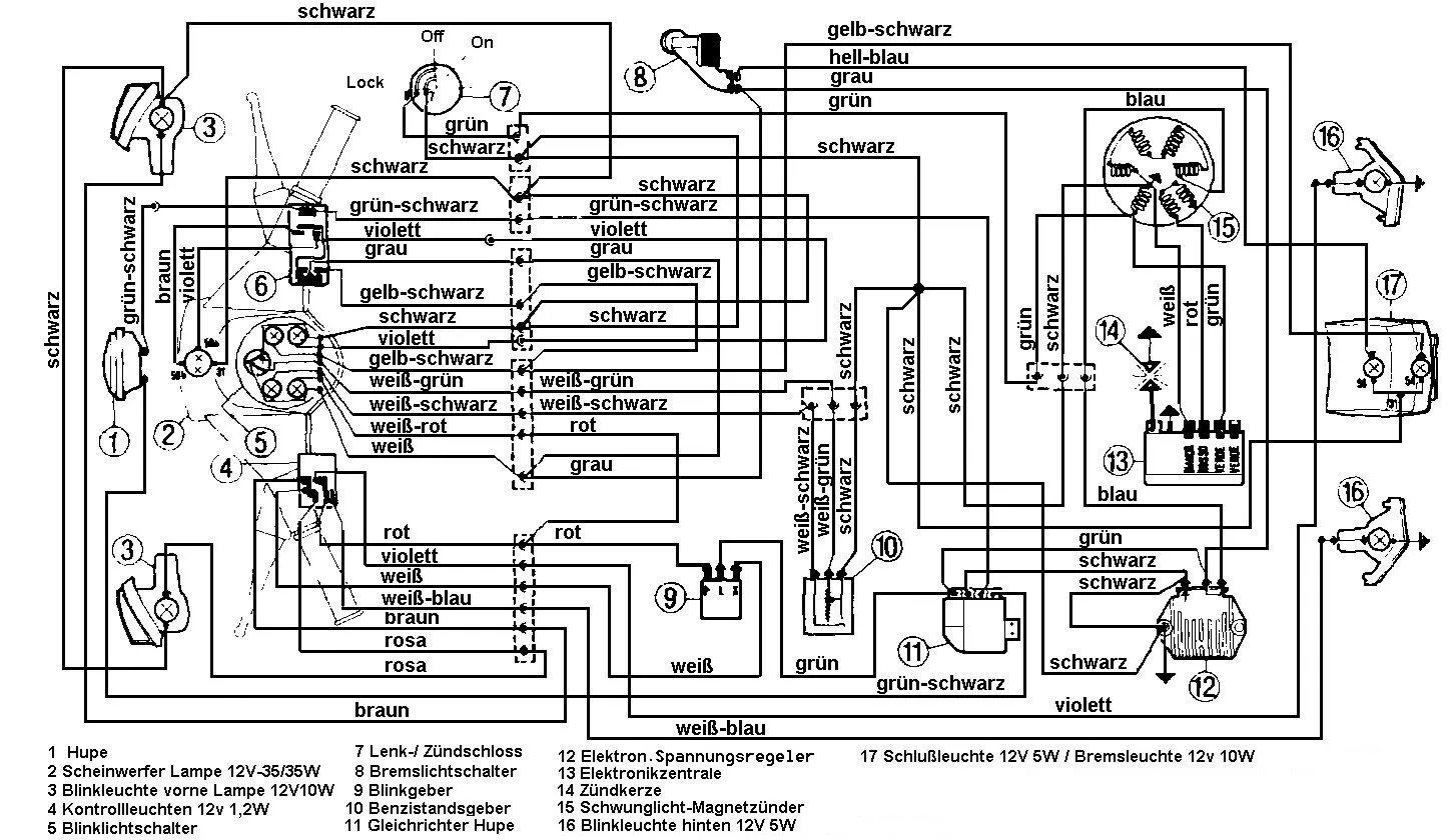
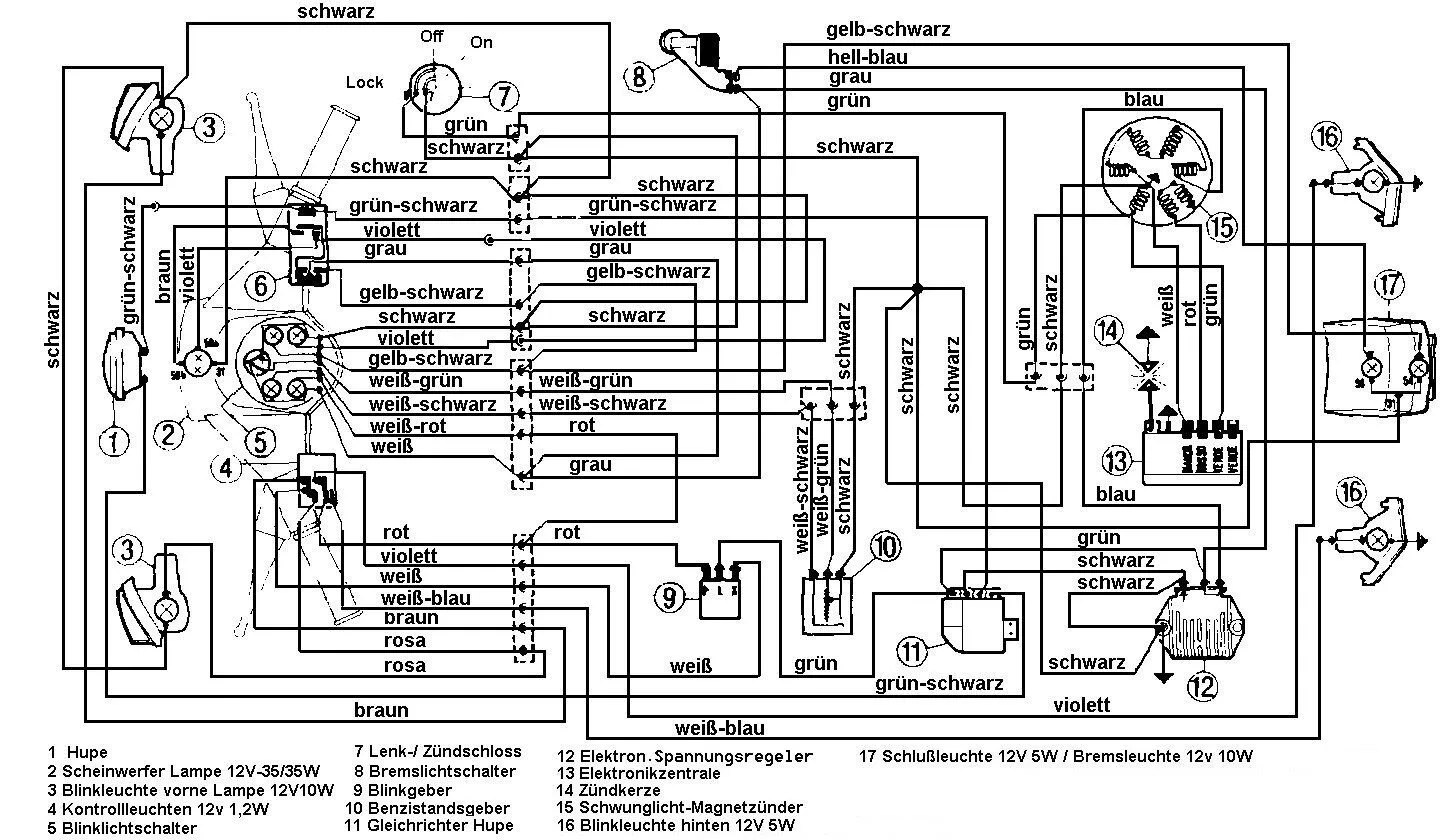
  • Hi, für die Zündung brauchst Du kein Strom (am Zündschloß), die Zündung arbeitet autonom. Ich hab Dir mal einen [lexicon='Schaltplan',''][/lexicon] angehängt wo Du das ersehen kannst. Wass allerdings vom Zündschlöß kommt ist Die Masseleitung welche zum Ausschalten des Motors die Zündspule kurzschließt. Das ist die grüne Leitung welche vom Zündschlöß (7), durch den Generator (15) zur CDI (13) geht. Wie Du aus dem Plan ersehen kannst ist für die Zündung nur der Generator und die CDI erforderlich. Ein Fehler der gerne übersehen wird, aus der CDI kommt ein kurzes "Michkaffeebraunes" Kabel welches mit dem Motorgehäuse verschraubt sein muß (Massepunkt der Hochspannungsspule). Wenn das ab ist kannst Du dich auf den Kopf stellen, keine Zündung. Wenn das Kabel OK sein sollte, folgendes 1. neue Kerze, Strecker Hochspannungskabel. Wenns dann immer noch nicht zündet CDI testweise tauschen. Wenn das auch nicht gebracht hat, wird es schwierig, dann liegt der Fehler im Generator. Picup (Zündzeitpunktgeber) oder Versorgungsspule defekt oder Lötstelle offen. Aber Schau erst mal die anderen Punkte an.

    klaus

  • Hi

    danke für deine Antwort habe mir mal eine neue Pick-up bestellt, weil dort der grüne kabel durchgescheuert war dann kann es doch sein das dieser ein Schaden von sich genommen hatte oda? danke dir

  • Hi klaus danke für deine hilfe


    Habe mal mein messgerät auf OHM gestelt bei 2000......hoffe es ist richtig hab dar nicht so die ahnung von mein vater mehr aber der ist moment tahn nicht da also muss ich in moment selber schaffen.

    Habe mal Masse und Rot gemessen komm ich auf 111

    Masse und Grün bekomm ich keine mess werte.


    Denkstde das die lichtmaschiene dan hinüber ist?? also das Pick-UP ist neu kahm heute an und wurde schon verbaut


    danke dir klaus

  • Hi, was an Info fehlt, hast Du an der ausgebauten Grundplatte gemessen? oder waren alle Kabel angeschlossen? wenn ja, war dann die Zündung eingeschaltet? Wenn die Zündung aus ist, schaltet das Zündschloß Masse auf grün, und Du kannst nichts messen. Masse nach Masse 0 Ohm.
    klaus

  • Hi habe ein fehler gefunden von einer spule war ein kabel ab sah man nicht so genau habe dies repariert und bekomme jetzt regeln mässig und viel stärker auch eine gezogen wen ich die kabel an packe und dabei trette nur auf den roten kommt nix muss dort auch strom kommen ? dieser rote ist ja an der neuen pick up angeschlossen