hi,
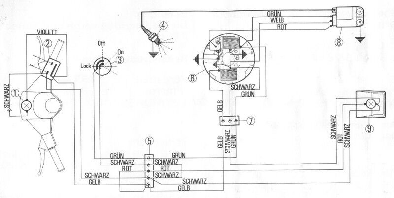
ich bräuchte bitte mal einen [lexicon='schaltplan',''][/lexicon] von einer v50 spezial ohne blinker 6v und von einer pk ohne blinker 12 volt.
an meiner spezial ist irgendwas gepfuscht. im standgas messe ich knapp 12 volt an den lampen. hat die 6v nen spannungsregler, wenn ja wo (normalerweise) ?
dann noch ne frage zum scheinwerfer:
was mussn da für ein leuchtmittel rein?
