Hallo Leute,
hab mir vor kurzem eine Vespa Pk 50 xl 2 bj. 1995 zugelegt, bin jedoch Neuling in Sachen Reparaturen etc.
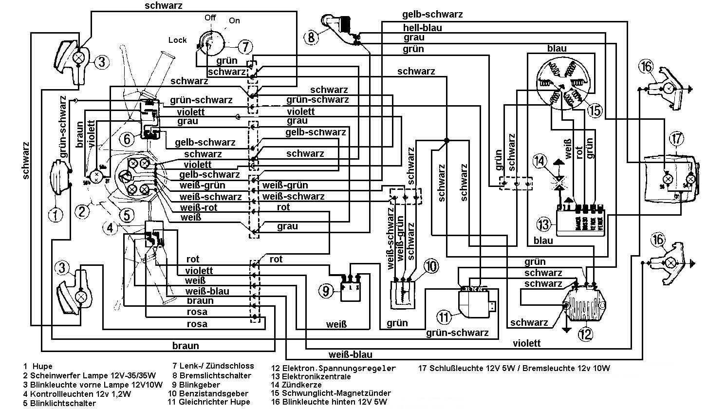
alles läuft prima und wunderbar nur ich habe festgestellt das ich größere Probleme mit der Elektrik habe.
Es ist ein Modell ohne Batterie, deswegen ist es für mich schwer festzustellen wo das Problem liegt.
Das Problem:
Die Schaltung am Kabelbaum ist wohl falsch gesteckt...
wenn ich auf die bremse trete geht vorne und hinten das Licht an (der Lichtschalter ist aus)
sobald der Lichtschalter an ist läuft das Licht (jedoch nur wenn der
Schalter Hi-Lo betätigt ist, ansonsten nicht), jedoch habe ich kein
Bremslicht mehr wenn ich auf die Bremse trete,
habe auch festgestellt das die Bremslichtbirne kaputt ist (habe mir
auch schon eine neue bestellt), aber daran wirds wohl nicht liegen,
oder doch?!....
Ich weiß jez nur nicht wie ich was umstecken muss damit es funktioniert"...
Hoffe Ihr könnt mir helfen und danke im vorraus.
