Gibt es eine Tabelle über Gewicht, Größen und Breiten der unterschiedlichen Modelle? Würde gerne "Dank 125 ccm-Regelung" von SF auf LF umsatteln, da ich immer etwas gequetscht auf der SF aussehe.
Beiträge von PK50XLUSER
-
-
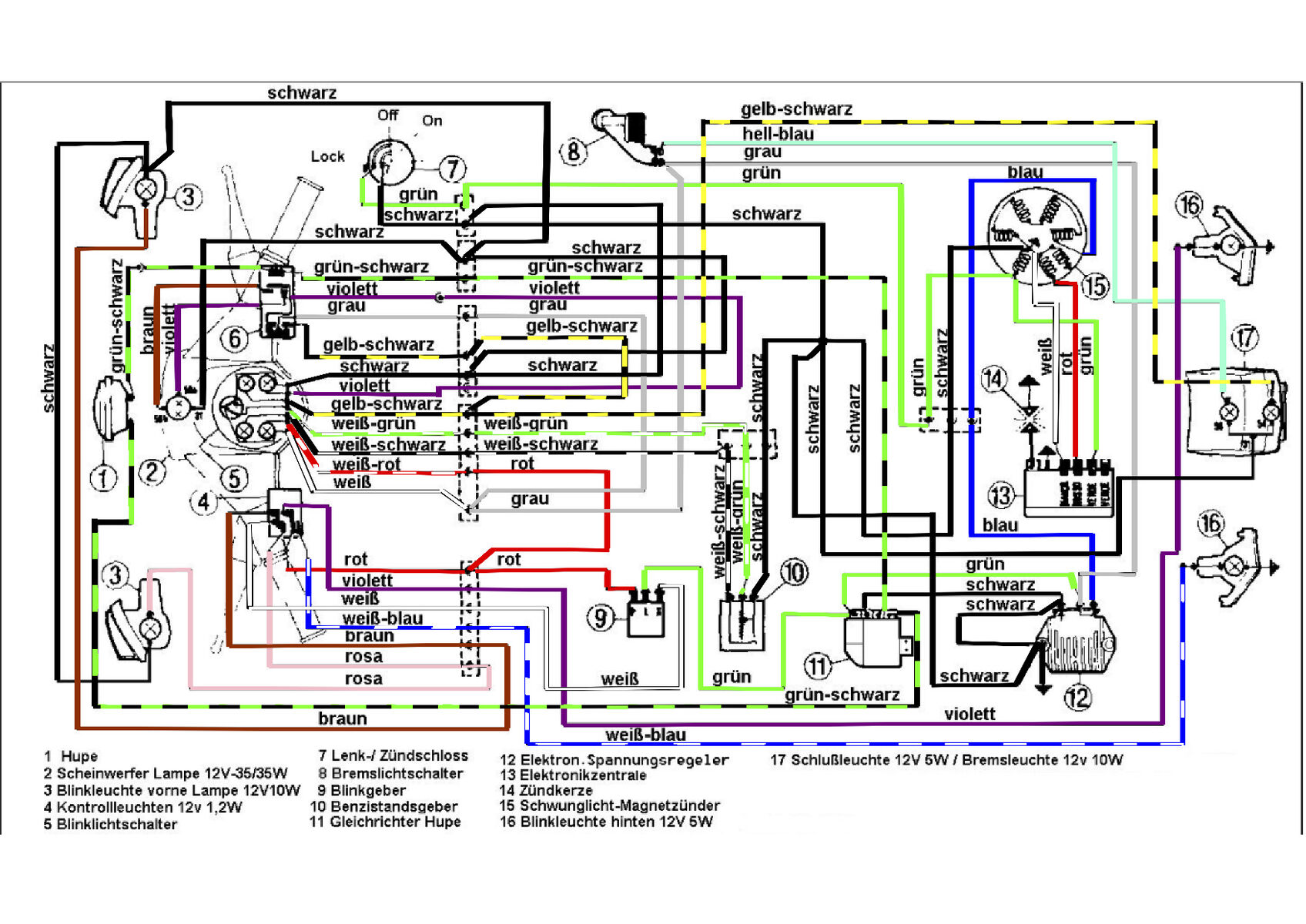
Zu deiner frage ja wenn du von der kontaktzündung auf die kontaktlose wechselst musst du Auch das polrad tauschen.
Habe das Problem gefunden, alte Grundplatte hat nur 4 Spulen gehabt und die neue 5. Habe mittlerweile schon eine alternative Grundplatte, leider auch 5 Spulen. Kann ich jedes Polrad mit 5 Magneten nutzen? Kontaktlos war meine Zündung vorher auch.
-
-
Hallo Community, muss nochmal zurück auf mein Thema von gestern kommen. Mein Polrad ist XPK, ich sehe aber keine Unterbrechung der Magneten. Kann meine Zündung überhaupt funktionieren? Habe den Stecker zum Bordsystem getrennt und auch ohm nachgemessen, alles ok.
-
Hallo, habe meine Zündgrundplatte gewechselt auf BGM pro 8030 Grundplatte HP 2.0! Es sieht alles nach der Montage ganz gut aus....aber kein Funke vorhanden
gibt es Ideen? Die alte Platte ist eine 8XPKM CEM 102/A2 gewesen. Meine Überlegung WAR ...kontaktlose Zündung im 12 Volt - Bereich einfach Grundplatte austauschen. NEUE Überlegung ist....neue Polrad passend zur Grundplatte ebenfalls montieren?!Grüße
-
-
Kann eigentlich nur die Steckverbindung vorne am Kabelbaum sein. Demnach keine Spannung am Schalter...Licht...Blinker. Hast du hier geprüft ob alles richtig gesteckt ist?
-
-
Mopsfledermaus
(Vesp(a)ertilionidae) -
Ich bin auch dankbar für die Lagerkunde und finde, das gehört ins Lexikon! mono ?
Ich habe jetzt eine Seite gefunden, bei der der gespaltenene Motor mit beschrifteten Kugellagern gezeigt ist. Kann ich hier die Seite hier linken?
-
Moin @all, das Problem Kupplung ist seit gestern behoben, eine neue 4 Scheiben ist drin und macht Ihren Dienst einwandfrei, besser als ich es je kannte :-D. Zwischen Kupplung und Kupplungskorb muss etwas gerieben/geklemmt haben, da ich an der Kupplungsspinne im die Aufnahme der Kurbelwelle deutliche Abnutzung erkennen konnte. Das Problem ist also gelöst und es bleibt lediglich der Verbrauch der zur beobachten ist.
Danke
-
Alles anzeigen
Der soll bitte eine Hülse drehen, reinpassen, gut befestigen und gut is'.
Ah. Er "meint", anstatt zu prüfen. Das Lager ist ein 6204 mit dem Aussendurchmesser 47 mm.
Tip: Die großen Onlineshops haben Explosionszeichnungen...dort das Lager ziehen und in dessen Artikelbeschreibung die Maße nachlesen.Woher meint er wissen zu können wieviel Spiel normal ist?
Fakt ist: Das LiMa-seitige Kurbelwellenlager wird ziemlich heiß. Es muß definitiv zuverlässig und fest dort in der Lagerpassung sitzen. PUNKT. KEINE DISKUSSION. Der gute Mann meint, an dem kalten Ding herumzuruckeln und daraus ableiten zu können, ob die verdremmelte Lagerpassung in betriebswarmen/heißem Zustand ok ist? Jooo. Was hat der früher gemacht? Als Hexe verkleidet auf dem Rummelplatz aus ner Kristallkugel die Zukunft gedeutet?Mal zum Hintergrund:
Die Kurbelwelle ist 2fach gelagert, wovon ein Lager (das KuLu-seitige) das sogenannte Festlager ist. Hierdurch ist die Kurbelwellenposition axial fixiert. Das gegenüberliegende Lager das sogenannte Loslager. In diese Richtung darf sich die Kurbelwelle ausdehnen, wenn sie sich erwärmt. Das bedeutet aber nicht, daß dieses Lager "lose" in seiner Lagerpassung herumschlabbern darf - sondern: man verwendet Lager mit "erhöhter Lagerluft". Diese Kugellager sind so konstruiert, daß sie in kaltem Zustand DEFINIERT etwas wackeln (in sich, aber nicht in der Lagerpassung!) . Wird der Motor betriebswarm, dehnt sich alles aus und läuft dann stramm, um einen ruhigen Motorlauf zu gewähren.
Ob ein Lager erhöhte Lagerluft aufweist, erkennt man an einer zusätzlichen Kennzeichnung. Beim Kulu-seitigen Lager 6303 ist das Lagerluft "C3"; beim LiMa seitigen 6204 ist das C4 oder C5 (höhere Lagerluft, da es an der Stelle wärmer ist als auf der KuLu Seite und da sich das Lager in diese Richtung ausdehnen darf). Lager ohne Lagerluft haben oft keine separate Kennzeichnung, manchmal steht dort aber "CN".
Im Übrigens ist in unseren Motoren jede Welle auf diese Weise gelagert. Es gibt ein Festlager und ein Loslager, wobei Nadellager oder Rollenlager immer die Loslager sind.
Warum rückt uns das Gedöns mit den Kurbelwellenlagern so in Auge?Bei Vespa-Drehschiebermotoren gibt es eine neuralgischen Punkt: die Drehschieberfläche: Die Kurbelwelle muß genau an der festgelegten Position rotieren; die Welle darf nicht verzogen sein und die Lager dürfen nicht zu viel Spiel habe, sonst knallt die Drehschieberwange gegen die Drehschieberfläche und die ist dann kaputt. Wir reden von einer Rundlaufgenauigkeit der Kurbelwelle, die hier im Bereich 0,02 mm betragen soll, um Funktion und defektfreien Betrieb zu bewerkstelligen (und in die 0,02 mm sind radiale Ausdehnung, Verschleiß in den Lagern und deren Lagerluft miteingerechnet).
-> Lagerpassung reparieren, Buchse drehen und Originalzustand wiederherstellen.
Wenn er weiter rumdiskutiert, woanders hin gehen - dann scheint er keinen Bock zu haben.Sehr interessante Erläuterung, da ich bei meiner Revision tatsächlich vor dem Problem gestanden bin, nicht zu wissen, wo ich welches Lager exakt setze. Manche waren abzuleiten, alle jedoch nicht. Kann man das nicht ins Lexikon packen, da alle Videos etc. nur erklären Lager rein, Lager raus...aber nicht welches Lager wo genau rein?!
-
Mache auch mit!
-
-
Washington
-
Schön, dass sie endlich läuft
. Den Rest wirst Du auch noch hinbekommen.6-7 Liter sind viel zuviel. Das ist aber eigentlich auch so viel, dass für mich eine Ursache wie zu große Hauptdüse oder Drehschieber ausscheiden. Dein Vergaser steckt zwar zwei drei Größen zuviel noch weg und ölt Dir zum Dank Kerze und Auspuff voll, aber dann wäre es ein halber Liter zuviel und nicht drei bis vier. Dein Drehschieber würde Dir den Vergaserraum vollölen.
Wie sieht es denn mit Benzinverlust am Tank, Benzinhahn oder Benzinschlauch aus? Spuren auf dem Boden des Vergaserraums und auf dem Auspuff?
Lieben Dank, aber sonstigen Verlust an Kraftstoff kann ich ausschließen, da auch die Leitungen neu sind und alles soweit trocken. Ich vermute....dass ich unter Volllast irgendwann zuviel "Hahn" gebe. Der Punkt ist ja der...ich schwebe mit Paarundsechzig durch die Gegend und die Vespa röhrt etwas dumpf...nehme ich dann Gas eine knappe 1/4 Umdrehung zurück, klingt sie völlig angenehm..leicht hoch aber wesentlich leiser...ohne Leistungsverlust. Hier könnte natürlich der Schlüssel im unnötigen Spritverlust liegen :-/
Welcher Verbrauch ist denn normal? Habe sie damals artig mit 50 ccm aus kurz vor Bonn abgeholt und hatte nach 70 km noch nen halben Tank über. Nachdem ich die umgebaut habe, frisst die auf 50 km 3/4 Tank
kann ich zwar alles zahlen, hab aber leider kein Fach für nen Kanister 
Was nehmen denn so 75er in der Regel?
Edith sagt: liege scheinbar doch nicht so weit weg
-
-
Alles anzeigen
Moin
.....Keine Zeit.....
Um es mal ganz banal auszudrücken.
"Dann musst du es andere machen lassen"
Einfach nur Fahren währe ja viel zu schön.
Bei dem hohen Verbrauch könnte man schon fast in Richtung verschlissenen Drehschieber gehen.
Grüße Mario
...leider ist es so..manchmal ist keine Zeit im Überfluss vorhanden oder die einfache Lust vorranigig, die letzten Sonnenstrahlen fahrend ins Gesicht zu bekommen. Mir ist das halt nur aufgefallen und ich bin verdammt froh, als Neuling das Ding überhaupt halbwegs ans Laufen bekommen zu haben. Kerze raus wäre drin gewesen, jedoch läuft es warm eigentlich perfekt...meine Konzentration galt der rutschenden Kupplung und dem unterschiedlichen Verhalten zwischen warm/kalt. Verbrauch war beim 16/15F auch schon hoch und ist beim 16/16 noch mal ne Ecke knackiger (beide waren NEU)...meine nur gelesen zu haben, dass andere bei 3 Liter auf 100 km liegen, hier hätten ein paar Vergleichswerte Aufschluss gegeben.
Choketest soll mir etwas über zu fett und zu mager aussagen, hier ist im warmen Zustand alles i.O., also denke ich, ist er korrekt abgedüst. Warum im kalten Zustand Rauchentwicklung stattfindet, erschließt sich mir auch unabhängig der Zeit nicht.
Zu fett:
Geht schlecht bis nicht an - Stimmt, eventuell wegen rutscht die Kupplung ja
Nasse dunkle Zündkerze - schaue ich
feuchtes Auspuffendrohr - nein
Viel Rauch - nur kalt
Stottern - nein
Schwerfälliges Hochtouren - nein
Deutlich zu fett kein Hochtouren nur Rauch - nein
Bei warmen Motor Choke ziehen geht er aus. - nein
Zu mager:
Hellbraune bis hin zu graue Zündkerze - schaue ich
Starten auch mit warmen Motor nur mit Choke - nein
Fehlzündungen - nein
Motorruckeln - nein
Läuft besser oder fast unverändert bei warmen Motor und gezogenen Choke - unverändert
Standgas ist nicht einstellbar - perfekt
Geht nur an wenn Standgas so eingestellt ist das der Gasshieber fast vollständig geschlossen ist. - nein
Standgas und Halbgas nur einigermaßen einstellbar mit fast vollständig reingedrehter Luftschraube/Gemischschraube. -nein
Ursachen:
Kompression zu niedrig - nein
Benzinhahn dicht - nein
Schwimmerstand zu niedrig - nein
Hauptdüse Nebendüse zu klein - vielleicht?!
Vergaser verdreckt - nein, neu
Tankentlüftung zu - nein, neu
Simmerringe defekt - nein, neu
Motorgehäuse undicht defekt nein, neu gedichtet
Zylinderfußdichtung undicht - nein, neu
Zylinderkopfdichtung undicht - nein, neu
Auspuff am Krümmer undicht - nein, neu
Ansaugstutzen undicht - nein, neu
Zündkerze locker - nein
Luftfilter locker - nein
Luftfilterkasten aufgebohrt - nein
Kein originaler Auspuff, entdrosselt - original
Dichtungen am Vergaser fehlen -nein, neu
Filzring fehlt oder ohne Fett - FIlzring fehlt, da O-RIng
-
lt. Hersteller
Größe Venturi: 16 mm Größe Hauptdüse: 70 Hauptdüse Typ: Dellorto 5mm (1486) Größe Nebendüse: 38 Nebendüse Typ: Dellorto SH (3360) Größe Chokedüse: 50 hat Powerjet: Größe Schieber: 6231.2 -
Guten Morgen @all, ich hatte gestern mal eine gute Gelegenheit einen "Langstreckentest" zu machen und bin 50 km mit der Vespa ins Ruhrgebiet gedüst. Da ich wenig Zeit zur intensiven Problemanalyse habe, bitte ich um 2-3 Antworten die mich näher an das Ergebnis bringen. Eigentlich läuft alles gut, stabile 62 km/h Vmax 66 km/h, runder Lauf und im warmen Zustand kann ich am Choke ziehen und ich werde weder langsamer noch schneller, Kerzenbild habe ich leider bei der Tour nicht gecheckt ^^. Meine Fragen sind...Karre springt kalt nicht gut an, trotz neuem Vergaser...hier habe ich aber die "schlupfende" Kupplung beim Antreten im Verdacht...was mich aber irritiert ist, dass sie unter Choke qualmt...zumindest die erste Minute...später alles gut. Habe den 16/16 ja Plug and Play ohne zu bedüsen eingebaut...zu große ND? Als zweiten Punkt bemerke ich, dass bei stabiler Reisegeschwindigkeit um die 60 km/h, die Vespa weniger dumpf "röhrt", wenn ich den Gashahn ne Ecke zurückdrehe...Verlust an Reisegeschwindigkeit habe ich dann auch nicht. Überfüttere ich also meine Vespa mit Gemisch? Kraftstoffverbrauch liegt so bei 6-7 Litzer auf 100 Kilometer...liegt das alles im Rahmen?!
