Hi,
weiss jemand wie bei einer PK50s (1984) die Kabel mit dem Hupengleichrichter verbunden werden?
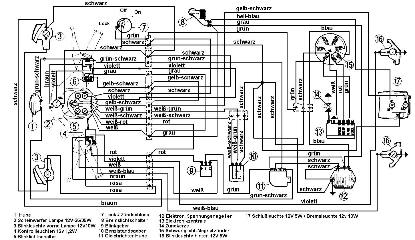
Ich hab 2 schwarz/grüne Kabel, ein schwarzes und ein grünes Kabel und am Hupengleichrichter sind 4 gleiche Steckplätze.
Danke für eure Tipps!
Wie Hupengleichrichter anschliessen? Welches Kabel muss wohin?
-
-
bin kein experte, aber habe meine gerade abgemacht, und bei meiner sind noch farbige kleber auf die Steckplaetze. Also bei mir, wenn er angeschraubt ist dann sind die steckplaetze oben. die 2 ersten and der seite von die schrauben (rechte seite) sind fuer die swartz und gruen geschtreiften. der 2te von links ist fuer den schwartzen. und der ganz links ist fuer den gruenen.
hof das hilft weiter,Toepferhans
-
Hi [lexicon='Schaltplan',''][/lexicon] hilft au da, (teil nummer 11)
-
Hilfe Hilfe Hilfe
Ich habe eine riesen Problem.
ich habe eine Vespa PK 50 s bj 1982 und bei mir ist [lexicon='der hupengleichrichter',''][/lexicon] kaput und jetzt suche ich schon
die ganze zeit nach einem passenden hupengleichrichter das Porblem ist mein Gleichrichter hat 4 einzel anschlüsse
und alle hupengleichrichter die ich finde haben so einen Stecker wo alle kabel reinkommen
bitte wenn jemand weiß wo ich einen hupengleichrichter mit 4 einzel anschlüsse bekomme bitte meldenbitte bitte bitte
-
einfach den mehrfachstecker am kabel abschneiden...und 4 einzelne Stecker dranmachen
Rita
-
ich habe das ding in ner werkstatt die sagen das kann man nicht machen
ich brauch so einen mit 4 einzelanschlüsse -
die reden Stuß...
vom Elektrischen sind die kompatibel... es müssen nur die Stecker angepaßt werden
Rita
-
mhh
wissen sie nicht wo ich so einen hubrichter bekommen -
hab hier einen liegen aus ner geschlachteten cosa... zu 35.-
(Version für mehrfachstecker ...oder 4 einzelne kleine Steckerchen)
Rita
-
cool kannste mir mal ein bild schicken ....
-
hab derzeit keine Kamera hier...
Rita
-
mhhhhhh wann haben sie denn eine ???
ich muss zwischen den anschlüssen immer so ne abtrennung haben -
bitte es ist nähmlich echt wichtig
-
bitte melde dich doch jemand
-
Hi, so sieht das Teil aus das Rita meint. In dem schwarzen Loch sind vier Zungen auf welche die normalen Kabelstecker gesteckt werden.
klaus
PS noch was, wenn Rita schreibt das passt, dann ist das sicherer als das Amen in der Kirche. Denn wenn irgend jemand die Vespen kennt, dann Rita.
-
danke für die Hilfe klaus

wenn der roller 4 einzelne große Stecker hat... die paassen notfalls dran.... 4 einzelne kleine passen besser... (kann auch 4 Stecker beilegen)
dann wärs 35.- + 1,20 für 4 Stecker + 4.- Päckchen... = 40,20€
Rita
-
also ich würde das gerne kaufen aber wenn das dann doch nicht passen sollte kann ich das dann zurückgeben ???
-
Bitte, warum fragst Du uns? frag den Verkäufer ob Du zurückgeben kannst.
klaus
-
er fragt mich doch....nachdem ich ihm die brocken oben angeboten hab....
ja.... wirste aber nicht zurückgeben müssen..... weil
wenn ICH sag, das paßt...... dann paßt das auch.....
Rita
und nen großen stecker vom Kabel abpetzen und stattdessen den kleineren stecker dranmachen....kriegste doch wohl hin....
-
Hi, Rita, das sagst Du, ich hab schon Leute gesehen, die konnten eine Zange nicht von einem Schraubendreher unterscheiden.
klaus
-
