Hi leute
trotz meiner expedition in den dunklen und dreckigen motorraum meiner vespa pk 50 xl2 ( ohne batterie ) konnte ich keinen massepunkt für beleuchtung etc. finden. Sitzt der vielleicht ganz wo anders? Bitte um Hilfe, währe dringend!!!
Hi leute
trotz meiner expedition in den dunklen und dreckigen motorraum meiner vespa pk 50 xl2 ( ohne batterie ) konnte ich keinen massepunkt für beleuchtung etc. finden. Sitzt der vielleicht ganz wo anders? Bitte um Hilfe, währe dringend!!!
Meinst DU den Massepunkt am Motor selber?
also ich suche den massepunkt für die beleuchtung, ich vermute nämlich stark das der vergammelt ist, weil blinker vorne rüclicht und schweinwerfer vorne nicht mehr oder nicht richtig funktionieren
danke, mfg flinsi
Ich fahre leider keine Pk sondern PX. Bei der gibt es nur 2 Massepunkte. Einen am Motor direkt und einen an dem Stromwandler.
Warum ziehst DU dir keinen neuen Punkt? Tank raus und schauen wo du rangehen kannst. Ich hab bei mir auch extra Masseleitungen gelegt.
da müsst ich ja den ganzen roller zerlegen, die kompletten beleuchtungskabel von vorn bis zum motorraum verlegen und dann dort anschliessen oder?
mfg flinsi
Eigentlich reicht es wenn Du ein Kabel nach vorn ziehst. Das dürfte eigentlich kein so grosses Problem darstellen. Warte auf einen sonnigen Tag. Dann wirst Du auch noch schön Braun :-()
Gruss
also wir ham grad sonnenschein^^ aber ich bin nicht der experte...
du meinst allso ein kabel nach vorn und an das dann alle anderen dranhängen oder?
mfg, flinsi
Ich würde es so machen. Die Leitung parrallel aufklemmen. Aber vielleicht ist auch die Masseleitung an der Zündgrundplatte defekt.
Einfach mal die Steckkontakte prüfen. Ich hatte einige Leitungsbrüche die man von aussen nicht sehen konnte.
das komische is ja das alles nach der reihe defekt wird erst die blinker vorne dann fänkt der scheinwerfer an zu flackern und zu guterletzt gibt auch noch das rücklicht den geist auf, achja die hupe hab ich vergessen, die geht schon lange nicht mehr
lol
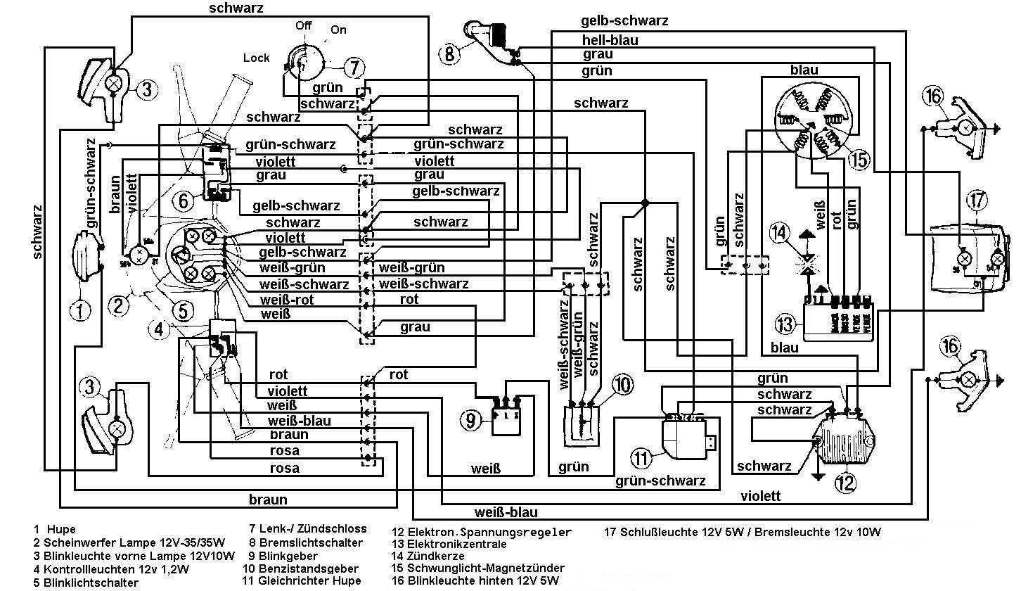
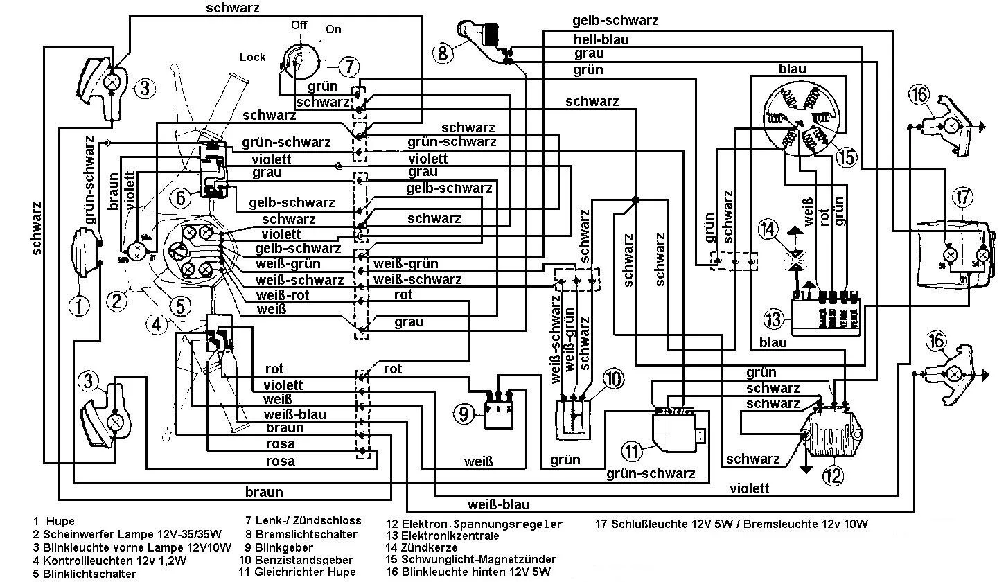
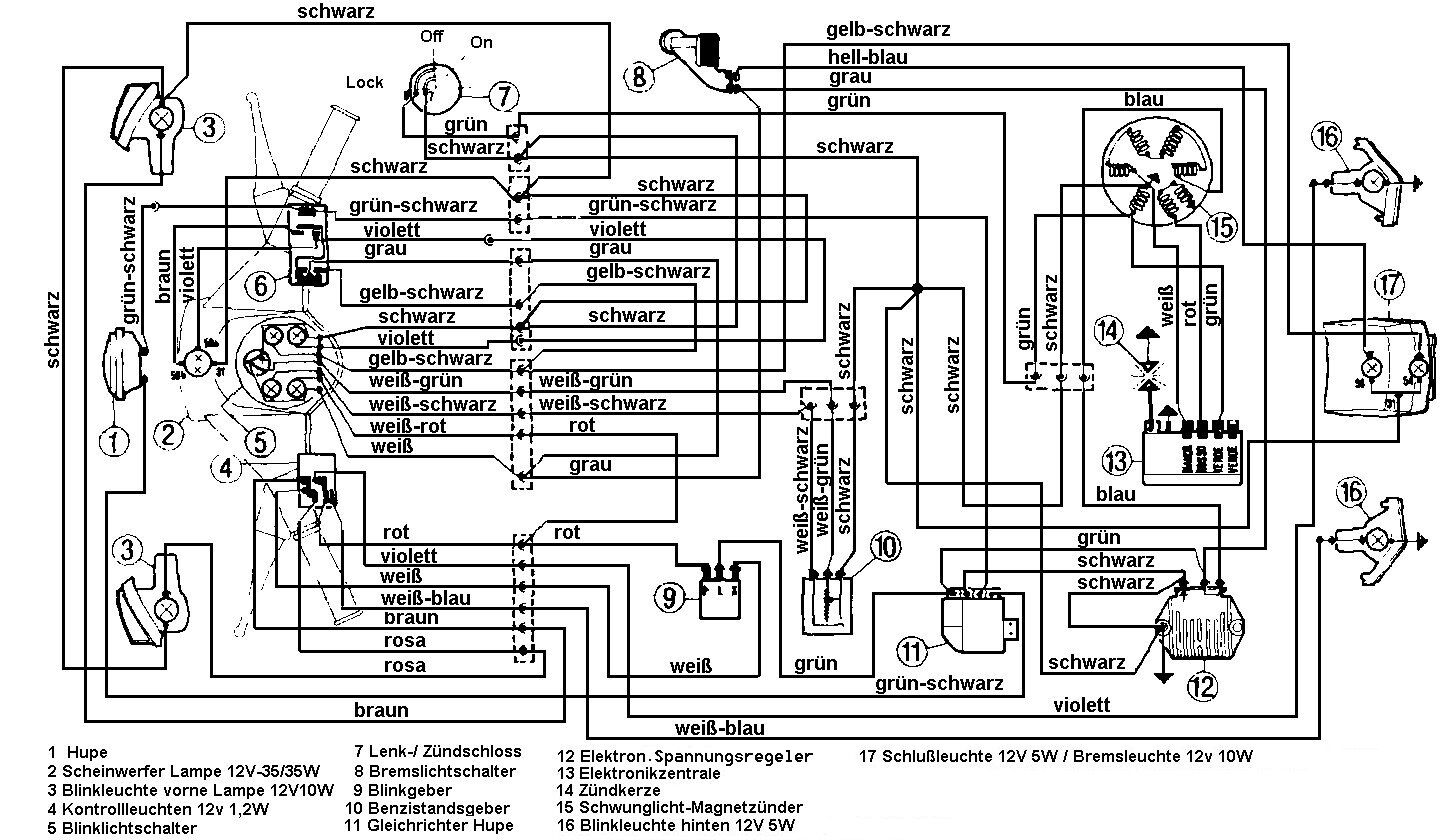
Hallo; die Hupe ist ein Problem, für sich, da ist warscheinlich [lexicon='der Hupengleichrichter',''][/lexicon] kaputt, wenn es nicht mit Deinem generellen Problem zusammenhängt. Alle diese Teile werden, anders, als beim Auto, separat mit Masse versorgt. Die Kabel sind alle SCHWARZ. Die Masse wird vom Generator über den runden Stecker ( rechts hinter Trittbrett unten) in den Kabelbaum gefürht. Der Generator ist direkt mit dem Motorgehäuse verbunden. ( im Bild das dreieckige Symbol im Generator) Weiter treffen alle Leitungen beim Elektron. Spannungsgegeler zusammen.Da wird auch der Anschluß zur Karosserie hergestellt. Aluch die Stelle, wo die funf schwarzen Leitungen zusammenlaufen, befindet sich auf der linken Seite bei der Elektrik. Du wirst wohl nicht umhin kommen, dir alle diese Punkte anzuschauen und mittels Messgerät nach der Stelle zu suchen, wo duch Korrision oder gebrochene Kabel die Verbindung unterbrochen ist. Ein neues Massekabel zu ziehen halte icht für wenig hilfreich. Denn von wo nach wo? Viel Glück beim Suchen, fang mit dem Verbindungsstecker (hinten rechs unter dem Trittbrett an
MfG klaus
Vielen dank! endlich mal ein [lexicon='schaltplan',''][/lexicon] mit dem man was anfangen kann! ich halt es auch für sinnvoller die kabel zu kontrollieren als massekabel einzuziehen vorallem weil ich nicht weis wie und wo ich die verlegen soll...
Also nochmal vielen dank an kasanova und sqlab! mfg flinsi
Servus,
ein Durchgangsprüfer kann helfen. Auseinanderbauen musst Du aber auch relativ viel um den Fehler zu finden.
Ich würde immer noch einfach mal von aussen ein Kabel von der Motor - Masse zum Verteiler legen und vom Verteiler nach vorn zur Zündschloss Masse, ohne es gleich zu verlegen ![]()
ZitatOriginal von sqlab
Servus,ein Durchgangsprüfer kann helfen. Auseinanderbauen musst Du aber auch relativ viel um den Fehler zu finden.
Ich würde immer noch einfach mal von aussen ein Kabel von der Motor - Masse zum Verteiler legen und vom Verteiler nach vorn zur Zündschloss Masse, ohne es gleich zu verlegen
Hi, Hast Du mal auf den Plan geguckt? es giebt keinen Massepunkt. Und die Zündung ist eine vollkommene EIGENE Angelegenheit, mit eigener Spule im Generator. Die hat mit dem Strom (Lich, Blinker etc.) nichts zu tun.
Also ich sehe da einen wo 5 Kabel rangehen.
