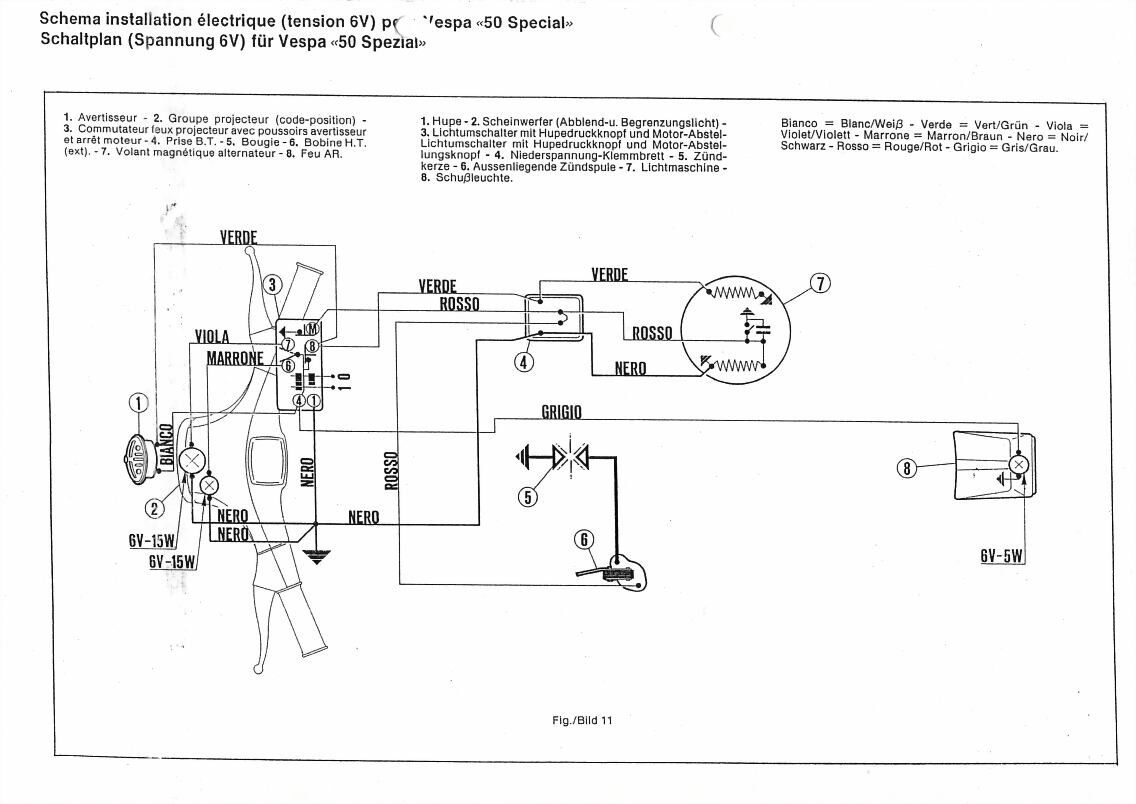
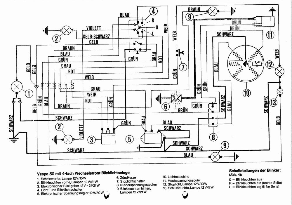
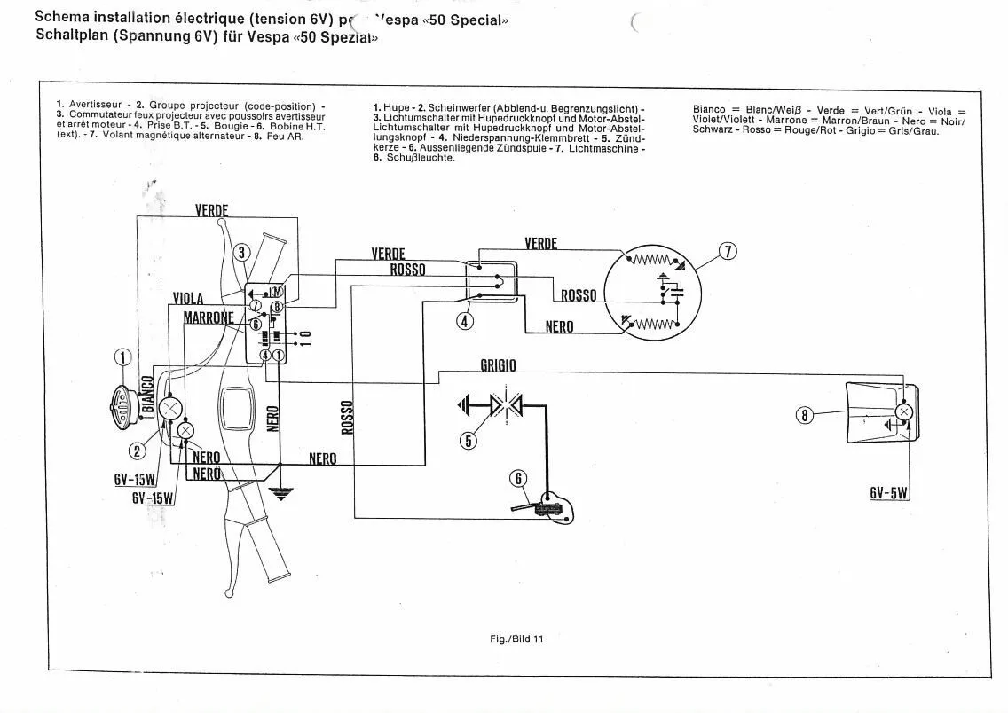
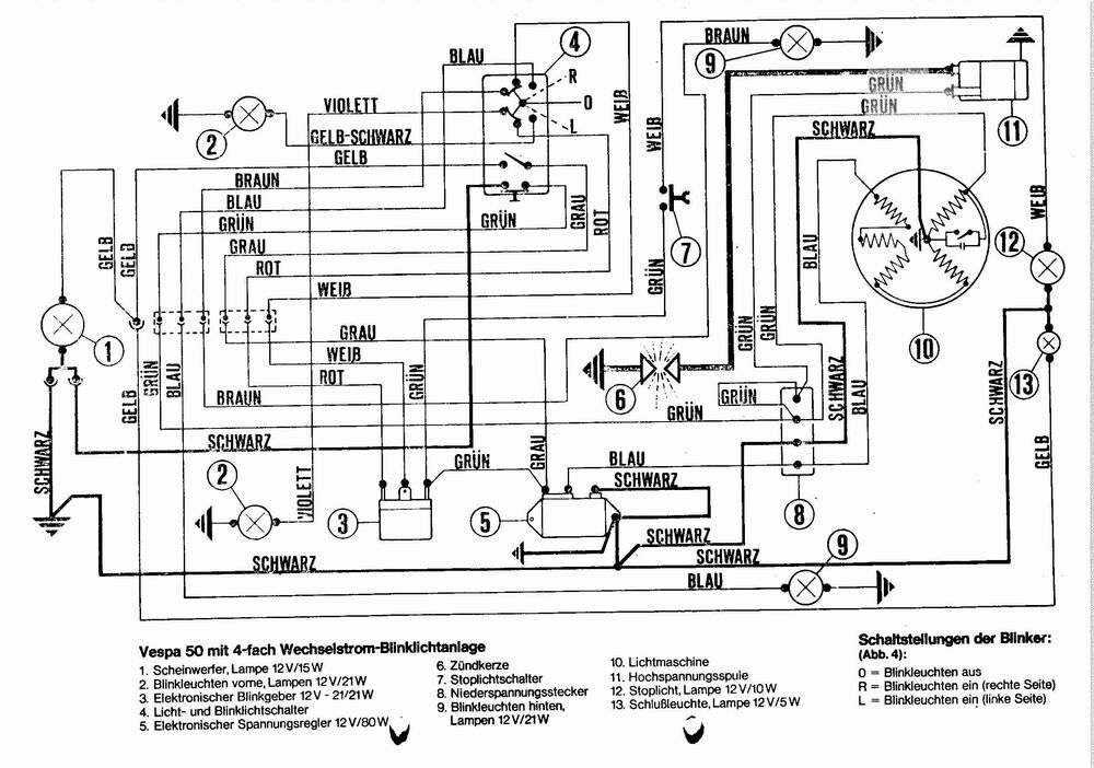
Ich hab ne V90 mit Unterbrecherzuendung. Ich glaube die Zuendung ist die gleiche wie bei ner V50, zumindest sieht sie glaich aus. Motor laeuft 1A. Allerdings kommen aus den anderen Kabeln die aus der Zuendung rauskommen je nach Drehzahl zwischen 3 und 21 Volt Wechselspannung raus. An den Lampen kommt auch Wechselspannung an - und keine der Birnen funktioniert. Sollte das nicht Gleichspannung sein ? Und warum variiert die Spannung so stark ? Ich hab nachgeschaut un es gibt keinen Kasten oder irgendwas dass als Spannungsregler oder Gleichrichter dient. Meine Frage ist
- funktionieren die Lichter mit Wechsel oder Gleichstrom ?
- sollte eine V90 mit Unterbrecherzuendung einen Gleichrichter haben, wenn ja dann wo ?
- sollte so eine Vespa einen Spannungsregler haben, wenn ja wo ?
- wenn man die Hupe abklemmt, haette das irgendeine Auswirkund auf den Stromkreislauf fuers Licht ?
Vielen Dank fuer Tips - ich will sie endlich durch den TUEV haben !!!! Aber ohne Licht gehts nicht und ich doktor schon seit 6 wochen dran rum.
