Ich habe das ganze Forum schon durch und komme nicht weiter.
Ich hab ne Lusso im Keller, die keinen Mucks macht bzw kein Funken loslässt. Sie hat ne Batterie, ne Zündgrundplatte mit 5 Kabeln und einen GGBCM-Regler.
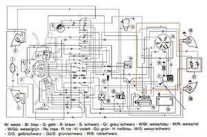
Die PX soll ohne Starter quasi nur angekickt werden. Ich habe schon dutzende Schaltpläne durchforstet und irgendwie passt nur der hier zu 95%:
Kann mir jemand sagen, ob ich die Batterie anschließen muss um durchs ankicken und rausgedrehter zündkerze zu sehen ob eine Funke kommt?
Habe gerade gelesen, dass bei einer Lusso mit 5 Kabeln aus der ZGP gar keine Batterie verbaut worden sein soll. Stimmt das-oder war das ein unqualifizierter Beitrag ausn Forum?
