hallo zusammen,
hab ein riesenproblem mit meiner Vespa PK 50 XL2.
meine Leuchten und hupe gehen sehr schwach. Hupe neu, birnen alle neu, spannungsregeler neu, blinkerrelais neu, nur hupengleichrichter nicht, aber einen neuen mal drangehängt, keine besserung. deswegen , weil zu teuer, den alten HG wieder ran gebaut !! tankanzeige geht auch nicht.
noch eine info. habe die vespa neu lackieren lassen, d.h. beim Zusammenbau fast alle kontakte überprüft !!!!
noch eine seltsamkeit ??
wenn ich versuche, zu hupen, (es ertönt ein leiser ton) geht die tankanzeige in stellung !!! lampen bisschen heller. aber immer noch nur ca. 60-65 % !!
kennt einer dieses Problem und kann weiter helfen ??
nächster gang wäre doch ein neuer hupengleichrichter, dann kabel durchmessen, vielleicht neuer hupenschalter, danach neuer kabelbaum.
oder hat einer einen besseren vorschlag????
kann so nachts nicht rumfahren
gruß sto ![]()
Licht, Hupe und blinker sehr schwach,tankanzeige aus
-
-
Hallo sto,
hat sich das Problem mittlerweile geklärt? Bei meiner PK50 XL2 ist nämlich dasselbe Phänomen aufgetreten. Scheinbar von heute auf morgen.
Zusätzlich leuchtet die Kontrollampe für Fernlicht permanent, obwohl es gar nicht eingeschaltet ist. Wenn ich es aber einschalte funktioniert es gar nicht...
Verwirrter Gruß Ketty
-
recht sicher hupengleichrichter durch.
klemm den doch einfach mal ab und guck was passiert
-
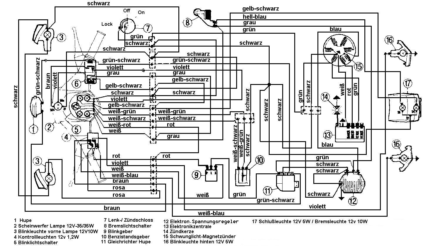
Hi wenn Du den Hupengleichrichter ab gehabt hast und keine Änderung da war, handelt es sich um ein Zentrales Problem. Da Du schreibst die Vespa wurde lackiert, tippe ich auf folgendes; auf dem [lexicon='Schaltplan',''][/lexicon] unten rechts ist der Spannungsregeler Teil 12 eingezeichnet. An der linken Schraube ist eine Strich nach unten mit einem Dreieck am Ende. Das will sagen, daß der Spannungsregeler mit dem Ramen verbunden sein muß. Zusaätzlich wird noch ein schwarzes Kabel am Ramen angeschlossen. Ich weiß nicht wie Lackiert wurde, nomalerweise wird der Spannungsregeler in eingeklemmten Muttern festgerschraubt, wenn die beim lackieren drin waren, gibt es keinen Kontakt mehr. Mess mal ob Du von dem schwarzen Kabel eine Verbnindung hast, zu den Schrauben auf dem Tunnel welche die Gummimatte befestigen. Die sind ja direkt ins Blech geschraubt. Messung; Ohm kleinste Stellung, es muß dann 0 Ohm angezeigt werden.
klaus
