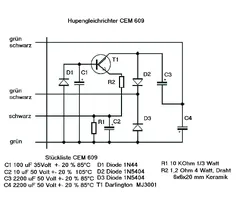
Hi, habe mir einen Gleichrichter gekauft, der diese Anschlüsse hat:
leider klappt es nciht den richtig ins laufen zu bekommen.
Mein Roller ist ne PK 50 XL, hat also einen Grünen, einen Schwarzen, und zwei schwarz grüne kabel. Welches kommt wo wie dran. Dachte eigentlich grün an plus und geneua diagonal gegenüber minus. Hupe geht dann immernoch nicht ![]()
