1. Vespa Forum
    1. Unerledigte Themen
  2. Dashboard
  3. Galerie
    1. Alben
    2. Karte
  4. Lexikon
  • Anmelden
  • Registrieren
  • Suche
Dieses Thema
  • Alles
  • Dieses Thema
  • Dieses Forum
  • Forum
  • Galerie
  • Lexikon
  • Seiten
  • Erweiterte Suche
  1. VespaOnline Forum: Entdecke die Welt der klassischen Vespa-Roller und teile deine Leidenschaft
  2. Vespa Smallframe Roller
  3. Smallframe: Technik und Allgemeines

Neue PK 50 S Lusso

  • ChocolateBks
  • May 26, 2012 at 17:31
  • ChocolateBks
    Fortgeschrittener
    Punkte
    2,100
    Trophäen
    1
    Beiträge
    404
    Wohnort
    Köln
    Vespa Typ
    Pk 50 s Lusso
    • May 26, 2012 at 17:31
    • #1

    Hi

    Ich habe mir pünktlich zum Sommer eine PK 50 S gekauft.
    Heute angezahlt, werde sie Freitag holen.
    Poste hier dann auch direkt Bilder.
    Ich werde im Laufe der Zeit mit Sicherheit ein paar Fragen haben,
    daher eröffne ich dieses Thread.
    Erste Frage:

    Der Kickstarter fehlt.
    Diesen möchte ich bis zur Abholung besorgen und vor Ort montieren.
    Wofür ist diese Kerbe auf der Kickstarterwelle?


    Weil der Kickstarter wird ja einfach draufgeschoben und dann festgezogen.


    Danke :thumbup:

    2 Mal editiert, zuletzt von Grabowski (July 5, 2012 at 15:29)

  • CARDOC2001
    VO-Inventar
    Reaktionen
    1,660
    Punkte
    40,725
    Trophäen
    3
    Beiträge
    7,724
    Bilder
    9
    Wohnort
    Daheim im Ruhrpott und auf Kohle geboren
    Vespa Typ
    4 x große alte ,2 x v50 , eine PK s und ne olle Cosa und Quad cforce 820
    Vespa Club
    Pressblechfanatiker
    • May 26, 2012 at 17:38
    • #2

    Da sitzt eine Pass-Schraube drin die den Kickstarterhebel in Position hält und klemmt ! Und unter den Schraubenkopf kommt eine Zahnscheibe damit sich die Schraube nicht lockert ...

    Drehmoment der Schraube hab ich grade nicht im Kopf...

    Aus Gelben Säcken werden Plastikroller gebaut ...
    Lieber Sehnenscheidenentzündung vom Schalten als nen krummen Daumen vom Starten...
    2Takt Islamist

  • ChocolateBks
    Fortgeschrittener
    Punkte
    2,100
    Trophäen
    1
    Beiträge
    404
    Wohnort
    Köln
    Vespa Typ
    Pk 50 s Lusso
    • May 26, 2012 at 23:33
    • #3

    Ah ok, die ist da nur, damit diese Schraube da entlang gehen kann:


    Danke

  • ChocolateBks
    Fortgeschrittener
    Punkte
    2,100
    Trophäen
    1
    Beiträge
    404
    Wohnort
    Köln
    Vespa Typ
    Pk 50 s Lusso
    • May 31, 2012 at 09:48
    • #4

    EDIT

  • köberle
    Fortgeschrittener
    Reaktionen
    1
    Punkte
    1,191
    Trophäen
    1
    Beiträge
    230
    Wohnort
    Deutschlandsberg, Steiermark
    Vespa Typ
    was italienisches
    • May 31, 2012 at 10:21
    • #5

    anzugsmoment der mutter is 23-26 Nm

    Die StVO entspricht nicht meinem Fahrstil!

  • ChocolateBks
    Fortgeschrittener
    Punkte
    2,100
    Trophäen
    1
    Beiträge
    404
    Wohnort
    Köln
    Vespa Typ
    Pk 50 s Lusso
    • June 3, 2012 at 00:01
    • #6

    8)

    Bilder

    • Foto.JPG
      • 159.5 kB
      • 900 × 1,200
  • köberle
    Fortgeschrittener
    Reaktionen
    1
    Punkte
    1,191
    Trophäen
    1
    Beiträge
    230
    Wohnort
    Deutschlandsberg, Steiermark
    Vespa Typ
    was italienisches
    • June 3, 2012 at 00:41
    • #7

    :thumbup:

    Die StVO entspricht nicht meinem Fahrstil!

  • ChocolateBks
    Fortgeschrittener
    Punkte
    2,100
    Trophäen
    1
    Beiträge
    404
    Wohnort
    Köln
    Vespa Typ
    Pk 50 s Lusso
    • June 3, 2012 at 15:12
    • #8

    Für den 50er Polini brauche ich keine andere Übersetzung oder?
    Und ein 16.16 reicht dafür, oder?
    Ich war damals mit dem Zylinder sehr zufrieden, fuhr 55 aber untenrum zog er in allen Gängen um einiges besser
    als ein originaler Zylinder.
    Wie hoch ist die Lebenserwartung von den Lagern im Motor?
    Bin am überlegen, den Motor im Winter neu aufzubauen.

  • köberle
    Fortgeschrittener
    Reaktionen
    1
    Punkte
    1,191
    Trophäen
    1
    Beiträge
    230
    Wohnort
    Deutschlandsberg, Steiermark
    Vespa Typ
    was italienisches
    • June 3, 2012 at 15:22
    • #9

    laengere uebersetzung brauchste bei dem 50er nicht, da wuerde dein motor auch ziemlich alt aussehen!
    16er gaser reicht auf alle faelle!

    ich persoenlich wuerde dir gleich zu einem 75er zylinder raten, wennste dir nen rms75 von ebay holst, zahlst du nicht mal die haelfte von deinem angedachten polini, hast aber auch mehr leistung!
    da reicht der 16.16er auch, jedoch ist eine laengere uebersetzung (vl. auch nur mit nem pinasco ritzel) zu empfehlen.

    Die StVO entspricht nicht meinem Fahrstil!

  • ChocolateBks
    Fortgeschrittener
    Punkte
    2,100
    Trophäen
    1
    Beiträge
    404
    Wohnort
    Köln
    Vespa Typ
    Pk 50 s Lusso
    • June 5, 2012 at 21:09
    • #10

    Ok, danke.

    Morgen mache ich mich auf den Weg und besorge ein paar Teile.
    Sie zieht Flaschluft und hat demnach eine sehr hohe Leerlaufdrehzahl sprich geht mit dem Gas nicht runter.
    Folgende Teile will ich erneuern:


    Kickstarter
    Gußschutzkappe
    Filzring
    Ansaugbalg
    Klemmring
    Vergaserschelle
    Getriebeöl

    Also eigentlich die Verbindung von Gaser zu Motor, nur den Ansaugstutzen kaufe ich nicht neu, warum auch.
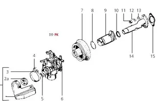
    Die Frage ist, wird die Nummer 10, dieser Filzring nur einmal verbaut, so wie auf dem Bild, oder kommt er nochmal
    zwischen Gaser und Gußschutzkappe bzw. Ansaugstutzen?
    Diesen Filzring sollte man einfetten, richtig?


    Gruß und danke

    Bilder

    • 1.jpg
      • 15.69 kB
      • 452 × 288
  • köberle
    Fortgeschrittener
    Reaktionen
    1
    Punkte
    1,191
    Trophäen
    1
    Beiträge
    230
    Wohnort
    Deutschlandsberg, Steiermark
    Vespa Typ
    was italienisches
    • June 5, 2012 at 21:14
    • #11

    wird nur einmal verbaut, gut gefettet
    sieh mal in deinen vergaser, ist an dem teil der auf den ansaugstutzen gesteckt wird ein o-ring zu sehen? oder zumindest eine kerbe drinnen?

    Die StVO entspricht nicht meinem Fahrstil!

  • ChocolateBks
    Fortgeschrittener
    Punkte
    2,100
    Trophäen
    1
    Beiträge
    404
    Wohnort
    Köln
    Vespa Typ
    Pk 50 s Lusso
    • June 5, 2012 at 21:21
    • #12

    Kann ich dir nicht sagen, Vespa steht gerade zu weit weg.
    Soll ich diesen Dichtring zur Sicherheit mitkaufen?

  • köberle
    Fortgeschrittener
    Reaktionen
    1
    Punkte
    1,191
    Trophäen
    1
    Beiträge
    230
    Wohnort
    Deutschlandsberg, Steiermark
    Vespa Typ
    was italienisches
    • June 5, 2012 at 21:23
    • #13

    welchen vergaser hast du denn genau?

    Die StVO entspricht nicht meinem Fahrstil!

  • ChocolateBks
    Fortgeschrittener
    Punkte
    2,100
    Trophäen
    1
    Beiträge
    404
    Wohnort
    Köln
    Vespa Typ
    Pk 50 s Lusso
    • June 5, 2012 at 21:25
    • #14

    Kann ich dir nicht genau sagen, habe sie, als ich sie geholt hatte, direkt in die Garage gestellt.
    Vom Aufbau/Optik des Gasers ist es ein Dell Orto SHB.
    Ist komplett original, daher denke ich 16.XX Vergaser.

    Der ist es, habe auch die weiße Flügelschraube auf der anderen Seite
    der Gaszugansteuerung:


    Scheint, als hätte er die von dir angesprochene Kerbe.
    Also diesen Dichtring erneuern?

  • köberle
    Fortgeschrittener
    Reaktionen
    1
    Punkte
    1,191
    Trophäen
    1
    Beiträge
    230
    Wohnort
    Deutschlandsberg, Steiermark
    Vespa Typ
    was italienisches
    • June 5, 2012 at 21:33
    • #15

    das ist jez nicht eindeutig zu klaeren, ist von modell zu moddel verschieden, ich empfehl dir kauf filzring und oring, die 2€ wirst auch noch haben und musst dich nacher nicht aergern!
    wennst es dann zusammenbaust, musst du nachsehen ob im rohr des vergasers eine nut ist, dort wuerde dann der oring reinkommen und dann FEST auf den ass stecken!

    Die StVO entspricht nicht meinem Fahrstil!

  • ChocolateBks
    Fortgeschrittener
    Punkte
    2,100
    Trophäen
    1
    Beiträge
    404
    Wohnort
    Köln
    Vespa Typ
    Pk 50 s Lusso
    • June 5, 2012 at 21:37
    • #16

    Diesen O Ring finde ich auf der Scootercenter Seite nicht.
    Werde den Verkäufer fragen.

    Der Gaser sitzt nicht fest auf dem Ansaugstutzen, ich konnte ihn drehen/bewegen.
    Ich hoffe nicht, dass eins der Teile am Gaser Richtung Stutzen abgebrochen ist.

    Dichtung Ansaugstutzen an Motorblock auch sicherheitshalber neu?
    Ist bei der PK 50 Lusso 2 loch oder?


    Gruß

  • köberle
    Fortgeschrittener
    Reaktionen
    1
    Punkte
    1,191
    Trophäen
    1
    Beiträge
    230
    Wohnort
    Deutschlandsberg, Steiermark
    Vespa Typ
    was italienisches
    • June 5, 2012 at 21:51
    • #17

    kann durchaus passiert sein, bricht meist zuerst an der gusskappe, danach am vergser, is aber schwer jez ne fernanalyse zu machen warum der wackelte!
    wennste schon bestellst und dir muehe machst das falschluft problem zu beheben machs neu!

    is ne PK S Lusso? dann muessts doch eig. ein 3 Loch ASS sein...
    hat dein tacho eine tankanzeige?

    Die StVO entspricht nicht meinem Fahrstil!

  • ChocolateBks
    Fortgeschrittener
    Punkte
    2,100
    Trophäen
    1
    Beiträge
    404
    Wohnort
    Köln
    Vespa Typ
    Pk 50 s Lusso
    • June 5, 2012 at 21:55
    • #18

    Ja, Tankanzeige und flacher Lenkkopf, ist ne Lusso.
    Gut, mache dann alles neu.

  • köberle
    Fortgeschrittener
    Reaktionen
    1
    Punkte
    1,191
    Trophäen
    1
    Beiträge
    230
    Wohnort
    Deutschlandsberg, Steiermark
    Vespa Typ
    was italienisches
    • June 5, 2012 at 22:31
    • #19

    das internet sagt mir aber: PK S 2-Loch, PK S Lusso 3-Loch

    Die StVO entspricht nicht meinem Fahrstil!

  • ChocolateBks
    Fortgeschrittener
    Punkte
    2,100
    Trophäen
    1
    Beiträge
    404
    Wohnort
    Köln
    Vespa Typ
    Pk 50 s Lusso
    • June 6, 2012 at 12:49
    • #20
    Zitat von köberle

    das internet sagt mir aber: PK S 2-Loch, PK S Lusso 3-Loch

    Hm, bin Freitag an der Vespa und gucke, ob 2 oder 3 Loch und was genau neu muss.
    Dann gehe ich die Teile holen.
    Ist bei einem neuen Vergaser die Schelle und die Bedüsung dabei?


    Gruß

Tags

  • Vespa PK 50
  • Vespa Lusso
  1. Datenschutzerklärung
  2. Impressum
  3. Kontakt
  4. Geschichte der Vespa bei Wikipedia
  5. Nutzungsbedingungen
Made with ♥ in Bavaria
Community-Software: WoltLab Suite™