1. Vespa Forum
    1. Unerledigte Themen
  2. Dashboard
  3. Galerie
    1. Alben
    2. Karte
  4. Lexikon
  • Anmelden oder registrieren
  • Suche
Dieses Thema
  • Alles
  • Dieses Thema
  • Dieses Forum
  • Forum
  • Galerie
  • Lexikon
  • Seiten
  • Erweiterte Suche
  1. VespaOnline Forum: Entdecke die Welt der klassischen Vespa-Roller und teile deine Leidenschaft
  2. Vespa Smallframe Roller
  3. Smallframe: Technik und Allgemeines

PK 50XL: Fragen zum Zündschloss Einbau

  • bigblockbobber
  • June 7, 2012 at 12:00
  • bigblockbobber
    Anfänger
    Punkte
    40
    Beiträge
    7
    Vespa Typ
    PX 50 XL
    • June 7, 2012 at 12:00
    • #1

    Hi Community...

    Vorab möchte ich die neue Vespe vorstellen... eine PX 50 XL.. zu der ich einige Fragen habe:

    1. Zündschloss: dieses habe ich ausgebohrt (Schlüssel ging verloren).. nun habe ich es auch wieder neu eingebaut.. alle Rastungen (Abschliessen) geht.. nur der satte "Klack" bei "ON" fehlt.. und die Zündkerze
    funkt fröhlich vor sich hin, wenn ich auf "Off" bin.. wie baue ich das Ding wieder richtig ein.. in welcher Stellung muss der Sperrring am Rohr stehen?..

    2. Ich habe Kabel gefunden, die scheinbar vom "Start"-Knopf kommen.. habe auch ne Batterie eingebaut.. ABER... wo ist der Anlasser.. ??? ich finde den nirgens.. wo sitzt der? Außerdem funkt die Kerze auch ohne
    Batterie munter vor sich hin..

    Hilfeeeeeeeeee :)

    Grüße

    BBB

  • kasonova
    Foren-Inventar
    Reaktionen
    43
    Punkte
    31,593
    Trophäen
    2
    Beiträge
    6,227
    Bilder
    10
    Einträge
    3
    Wohnort
    Solingen
    Vespa Typ
    Vespa ET2, V50 Spezial, PK 50 XL2
    • June 8, 2012 at 07:21
    • #2

    Hi viele Fragen, zu 1. den Klack gibt es nicht, ich weiß nich wie Du darauf kommst. Zu 2. die Kerze funkt, was ja auch ihre Aufgabe ist, vollig unabhängig von der Batterie und anderen Beleuchtungseinrichtungen, denn die Zündung ist autonom. Die wird mit drei Kabeln direkt von der LIma gesteuert. ZU 3. welchen Sperring meinst Du? am Schloss gibt es eine Sperrwalze welche den Lenker blockiert wenn abgeschlossen, und die kann man nicht falsch einbauen. Zu 4. schön für dich das Du Kabel gefunden hast, wo welche Farbe? Die Aussage ist zu allgemein. Zu 5. der Anlasser versteckt sich auf der linken Seite hinter dem Auspuff, von der rechten Seite kannst Du den nur sehen, wenn das Lüfterrad ab ist. An dieser Stelle ist der dann eingebaut (wenn er dann da ist Bild ). Zu 6. Das Deine Vespa weiter läuft auch wenn der Schlüssel abgezogen ist, liegt daran, dass dieses Teil (zweites Bild) nich eingebaut ist, oder vom Schloss nicht geschaltet wird.

    Bilder

    • B16.jpg
      • 170.97 kB
      • 1,600 × 1,200
      • 282
    • C03.JPG
      • 180.84 kB
      • 1,600 × 1,200
      • 586
  • bigblockbobber
    Anfänger
    Punkte
    40
    Beiträge
    7
    Vespa Typ
    PX 50 XL
    • June 8, 2012 at 10:08
    • #3
    Zitat von kasonova

    Hi viele Fragen, zu 1. den Klack gibt es nicht, ich weiß nich wie Du darauf kommst.

    Nun ja, man hört einen kleinen "Klack" wenn ich das Zündschloss nach rechts drehe.. das Schwarze Teil hinten ist natürlich drauf.. das ist das Eigentliche Zündschloss.. drehung mach ich mit dem Schlüssel.. wie gesagt Abschliessen funktioniert... entriegeln auch.. dann sollte ich 2 Rastungen haben.. OFF und ON... Batterie hatte ich angeschlossen.. Zündung auf ON und es leuchtet gar nichts.. kein Blinker geht nichts... also dachte ich, ich habe das Schloss vielleicht verdreht eingebaut.. In meiner Vespa-Bibel steht: Man soll die Walze, die nachher in das Rohr greift, wenn man also abschliesst paralell zum Standrohr drehen.. von Vorne sieht das aus wie eine Scheibe mit einem "V" Stück drauf.. das greift dann in die Zündung.. ich glaub ich mach ein paar Bilder.. dann wird es deutlicher

    Zu 2. die Kerze funkt, was ja auch ihre Aufgabe ist, vollig unabhängig von der Batterie und anderen Beleuchtungseinrichtungen, denn die Zündung ist autonom. Die wird mit drei Kabeln direkt von der LIma gesteuert. ZU 3. welchen Sperring meinst Du? am Schloss gibt es eine Sperrwalze welche den Lenker blockiert wenn abgeschlossen, und die kann man nicht falsch einbauen.

    Das meine ich ja.. man kann diese Sperrwalze sicher nicht falsch einbauen.. aber hinter der Sperrwalze ist ein Röhrchen und ne Feder.. das Röhrchen hat ne Aussparung, das ganze ding kann ich drehen, wie ich es brauche.. und ich denke, genau da liegt mein Problem...

    Zu 4. schön für dich das Du Kabel gefunden hast, wo welche Farbe? Die Aussage ist zu allgemein.

    Laut Schaltplan (den ich endlich mal im Netz gefunden habe) sind das die Beiden Kabel, die vom Startknopf kommen.. diese sollen
    dannn wohl an den Anlasserschalter (Silbernes Teil) angeschlossen werden.. auf dem Relais sind noch 2 Steckplätze Frei.. muss nochmal nachschauen.. stehen Nummern drauf.. 86 oder so...

    Zu 5. der Anlasser versteckt sich auf der linken Seite hinter dem Auspuff, von der rechten Seite kannst Du den nur sehen, wenn das Lüfterrad ab ist. An dieser Stelle ist der dann eingebaut (wenn er dann da ist Bild ).

    Da schau ich dann nochmal nach.. denn, WENN es da doch Kabel von einem Starterknopf gibt, sollte es doch auch einen Anlasser geben..

    Zu 6. Das Deine Vespa weiter läuft auch wenn der Schlüssel abgezogen ist, liegt daran, dass dieses Teil (zweites Bild) nich eingebaut ist, oder vom Schloss nicht geschaltet wird.

    Das ist eingebaut.. das ist das, was "Klack" macht, wenn man den Schlüssel umdreht.. also ein einrastendes Geräusch.. klingt ganz gut.. ist ja auch logisch.. was mich nur wundert ist, das ich eben bei Eingebauter Batterie und Zündschloss auf ON noch nicht mal Blinker, Hupe, Licht.. oder sonstwas bekomme...

    Grüße

    Andreas

    Alles anzeigen
  • kasonova
    Foren-Inventar
    Reaktionen
    43
    Punkte
    31,593
    Trophäen
    2
    Beiträge
    6,227
    Bilder
    10
    Einträge
    3
    Wohnort
    Solingen
    Vespa Typ
    Vespa ET2, V50 Spezial, PK 50 XL2
    • June 8, 2012 at 13:33
    • #4

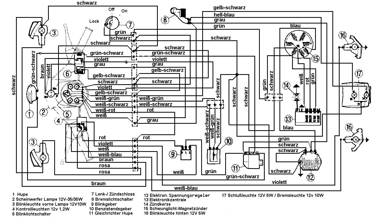
    Hi, hast keine Bedienungsanleitung? Bei der PK geht bei stehendem Motor garnichts, keine Lampe keine Kontrolleuchte, keine Hupe und kein Blinker. Bevor mich jetzt alle der Lüge bezichtigen, ja ich weiß es gibt Ausnahmen. Zunächst sollten wir mal abklären was Du für eine Vespa hast, denn es gibt Unterschiede. Das einzige was eigentlich immer stimmt ist, dass der Motor ohne das restliche elektrische Gelump funktioniert. Wenn an Startrelais Steckplätze frei sind, ist da wohl was im Argen. Schau erst mal nach, ob Du einen Anlasser im Roller hast, nicht das da ein anderer Motor ohne Anlasser eingesetzt wurde. Als Anhang mal die zwei Schaltpläne.

    Bilder

    • Schaltplan.jpg
      • 232.34 kB
      • 1,452 × 840
      • 1,948
    • Schaltplan-Batterie.jpg
      • 290.93 kB
      • 1,818 × 1,200
      • 395
  • bigblockbobber
    Anfänger
    Punkte
    40
    Beiträge
    7
    Vespa Typ
    PX 50 XL
    • June 8, 2012 at 15:01
    • #5

    So... habe die beiden Kabel angeschlossen... Auf einem Bild erkennt man die beiden Kabel.. Eines ist Rosa und das andere ist Grün-Schwarz.. das Gü/s hab ich auf die 86 gelegt (Wie Schaltzeichnung)... So...

    Batterie eingebaut.. und verkabelt.. dann den Anlasser gesucht.. so wie auf Deinem Bild.. weder auf der einen, noch auf der anderen Seite nach Abnahme des Deckels fand ich da was...

    Auf einem Bild erkennst du welche Maschine es ist.. (Typenschild)

    Ich habe die gute Betankt.. und gestartet.. beides ging problemlos.. allerdings ist es ihr völlig egal wie der Schlüssel steckt.. ich kann sogar abschließen und Rausziehen.. die läuft einfach weiter...
    Und obwohl sie läuft geht elektrisch gar nichts.. Blinker, Hupe, Lampe.. nix nix nix... denke es liegt immer noch am Zündschloss.. erklären kann ich es mir nicht..

    Wenn Batterie eingebaut ist, habe ich beim Zündschloss auf allen Kabeln (gegen masse gemessen) die 12,6V der Batterie.. aber Strom kommt bei den Verbrauchern nicht an...
    Die Batterie wird auch nicht geladen.. sie bleibt bei 12,6 V stehen..

    [Blockierte Grafik: http://www.radkranz.de/pool/01.jpg] [Blockierte Grafik: http://www.radkranz.de/pool/02.jpg] [Blockierte Grafik: http://www.radkranz.de/pool/03.jpg] [Blockierte Grafik: http://www.radkranz.de/pool/04.jpg] [Blockierte Grafik: http://www.radkranz.de/pool/05.MOV]

  • kasonova
    Foren-Inventar
    Reaktionen
    43
    Punkte
    31,593
    Trophäen
    2
    Beiträge
    6,227
    Bilder
    10
    Einträge
    3
    Wohnort
    Solingen
    Vespa Typ
    Vespa ET2, V50 Spezial, PK 50 XL2
    • June 8, 2012 at 15:27
    • #6

    Ja das war das, was ich vermutet hatte, der Motor gehört nicht zu der Karosse. Jetzt ist aber noch eins intressant, am Motor ist ein Stecker wo der Motor mit dem Chassis verbunden wird, wie viele Kontakte (Pins) hat der? Die Elektrik erwartet einen 5-Poligen Stecker (siehe Schaltplan) ich vermute Du hast nur einen 3-Poligen. Das passt denn nicht.

  • bigblockbobber
    Anfänger
    Punkte
    40
    Beiträge
    7
    Vespa Typ
    PX 50 XL
    • June 8, 2012 at 15:29
    • #7

    Volltreffer... der hat nen 3poligen stecker... was nun?

  • bigblockbobber
    Anfänger
    Punkte
    40
    Beiträge
    7
    Vespa Typ
    PX 50 XL
    • June 10, 2012 at 19:38
    • #8

    Hi...

    Hab nochmal nachgeschaut.. und den Stecker vom Motor abgezogen.. die Gummitülle runtergezogen.. und da sind 3 Kabel... mehr nicht..

    Also nochmal... sollte es ein Stecker mit 5 Belegungen sein?.. es sind defakto 3...

    Was passt da nicht zusammen?

  • kasonova
    Foren-Inventar
    Reaktionen
    43
    Punkte
    31,593
    Trophäen
    2
    Beiträge
    6,227
    Bilder
    10
    Einträge
    3
    Wohnort
    Solingen
    Vespa Typ
    Vespa ET2, V50 Spezial, PK 50 XL2
    • June 11, 2012 at 08:34
    • #9

    Ja da gibt es nun mehrere Möglichkeiten. Bei der dreipoligen Lima sind alle Lichtspulen zusammen geschlossen, gibt ein Massekabel ein Stromkabel und das Killkabel. Bei der 5-poligen Lima sind die Spulen in zwei Kreise getrennt, einmal Lichstrom und einmal Ladestrom für die Batterie plus Killkabel macht 5 Anschlüsse. Da gibt es jetzt keine einfache Lösung, für das Problem. Du kannst die Lima gegen eine 5-polige tauschen und wenn Du möchtest noch einen Anlasser nachrüsten. Verkabelung und alle vorhandenen Anschlüsse passen dann. Die Vespa auf 3-polig umrüsten: dann brauchst Du einen Hupengleichrichter und einen anderen Spannungsregler und eventuell ein anderes Blinkrelais. Dazu müssen dann noch Kabel verlegt werden, weil die Hupe ja anders angeschlossen wird. Beides nicht so lustig. Ich könnte Dir den Umbau deiner Lima auf 5-polig anbieten, dann würde die Vespa erst einmal funktionieren. Hupe, Blinker und auch das Stoppen des Motors. Der Anlasser muss nicht unbedingt drin sein.

    Wo bist Du zu Hause, dann ging es eventuell besser zu regeln.

  • bigblockbobber
    Anfänger
    Punkte
    40
    Beiträge
    7
    Vespa Typ
    PX 50 XL
    • June 19, 2012 at 10:23
    • #10

    Hi kasonova,

    also ich wohne Stuttgart...

    Folgendes ist nun passiert.. ich habe mir den Stecker, von dem Du mir berichtet hast, nochmal geprüft.. dabei festgestellt, das er
    nicht richtig einrastet... Motorseitig hab ich 3 Pins... der Stecker hat 3 Belegungen.. das passt also.. zusammengesteckt und dann Zündung an.. und siehe da.. beim Ankicken ging bereits die Benzinuhr nach oben.. und dann lief sie.. Blinker gehen.. Licht und Hupe verweigern nach wie vor den Dienst.. man kann sie sogar mit dem Zündschloss wieder ausmachen.. so weit so gut...

    Kann der Anlasser vielleicht noch wo anders sein?.. an der Stelle, die Du mir beschrieben hattest, finde ich keinen.. auch hat das Lüfterrad keinen Zahnkranz... Die restliche Elektrik entspricht wohl der Anlasser-Version... die Kabel sagen das nach Schaltplan ebenfalls..

    Muss die Batterie jetzt trotzdem angeschlossen werden?.. nicht das ich jetzt noch den Regler durchbrate...????

    Grüße

    Andreas

  • kasonova
    Foren-Inventar
    Reaktionen
    43
    Punkte
    31,593
    Trophäen
    2
    Beiträge
    6,227
    Bilder
    10
    Einträge
    3
    Wohnort
    Solingen
    Vespa Typ
    Vespa ET2, V50 Spezial, PK 50 XL2
    • June 19, 2012 at 10:47
    • #11

    Das hatte ich bereits geschrieben. Hier noch mal für die, welche die Posts nicht lesen.

    Erstens es gibt nur diese Anlasserkonfiguration. Zweitens der Motor gehört nicht zu der Vespa der ist nachgerüstet. Drittens Fehlerbehebung; Hupe / Blinker. Diese Beiden benötigen Gleichstrom, welcher der Motor nicht liefert. 1. Ich bau Dir die LIMA auf 5-poligen Stecker um, oder Du kaufst eine LIMA 5-polig. Damit steht Dir dann der Gleichstrom für Hupe Blinker und Batterieladung zur Verfügung. Anlasser hast Du dann aber immer noch nicht. Dafür muss das Loch im Motorgehäuse geöffnet werden, zwei Gewinde geschnitten werden, die Stehbolzen eingesetzt werden, dann kannst Du den Anlasser einsetzen. Aber der benötigt noch ein Polrad mit einem Zahnkranz in welchen der Anlasser eingreift.

    Zweite Alternative Umbau auf reinen Wechselstrom, dafür benötigst Du einen Hupengleichrichter, einen anderen Spannungsregler und ein anderes Blinkrelais. Dann sind in der Verkabelung noch einige Anpassungen nötig.

  • bigblockbobber
    Anfänger
    Punkte
    40
    Beiträge
    7
    Vespa Typ
    PX 50 XL
    • June 25, 2012 at 23:32
    • #12

    Also... ich bin ja sicherlich nicht doof...

    Die scheiss karre läuft, nachdem ich die blöden durchgebrannten lampen (Alle) gewechselt habe leuchtet die Kiste.. blinkt die Kiste... und das Cockpit funzt... alles funzt... nur die scheiss Hupe will nicht...

    Da die blinker "Gleichstrom" brauchen verstehe ich nicht warum die gehen.. und die Lichter auch...

    sicher hat da jemand am Kabelbaum herumgefummelt.. das kann ich nachdem ich das Überraschungsei als Einzelteile geliefert bekommen habe nicht mehr nachvollziehen...

    Also:

    Umloten der Lima ist hier aus meiner Sicht nicht notwenig.. Motor passt.. Schaltung passt.. Lichter passt... Blinker passt.. alles passt bis auf die Hupe... habe dutzende Schaltpläne studiert und komm nicht
    auf den Fehler...

    Kann es sein, das das sog. "Anlasserrelais" ein Hupengleichrichter ist.. ???..

    BBB

Tags

  • Vespa PK 50
  1. Datenschutzerklärung
  2. Impressum
  3. Kontakt
  4. Geschichte der Vespa bei Wikipedia
  5. Nutzungsbedingungen
Made with ♥ in Bavaria
Community-Software: WoltLab Suite™