Hallo Vespa Freunde habe mir vor 3 tagen eine Vespa 50 special zugelegt bj. 73,
sie ist umgebaut auf 12V und schnurrt wie ein kätzchen.
mein Problem: licht ohne funktion, habe die birnen kontrolliert, da der verkäufer gesagt hat es liege nur an den defekten birnen, Leider sind sie ganz! habe das model ohne tacho, also abdeckung ab und siehe da: 2 dünne grüne kabel komen von unten (holm) hoch und liegen lose im lenker, dazu von der amatur licht schalter hupe etc. 1 dickes grünes kabel übrig ![]()
der killer zum ausmachen funktioniert auch nicht, muss sie absaufen lassen! habe schon versucht die 3 kabel irgendwie zu verbinden aber dann geht sie aus! hab es mit den 3 kabel auf verschiedensten anschlussvarianten versucht aber ohne resultat
schaltpläne hab ich versucht zu verstehen und habe mein bestes getan aber leider find ich nicht die richtigen kabel (farben stimmen nicht) oder es fehlen sogar welche! kp echt kann nur mittags fahren wenn licht nicht notwendig ist
vll könnt ihr mir sagen wie ich vorgehen sollte oder sonstwas bin echt verzweifelt ![]()
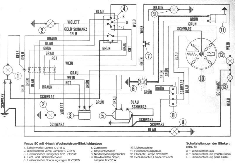
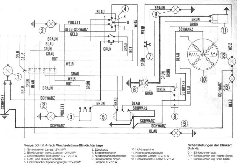
Elektrik nicht vollständig angeschlossen und kein Licht 12v Umbau
-
-
vll könnt ihr mir sagen wie ich vorgehen sollte oder sonstwas bin echt verzweifelt
ein foto vom kabelkästchen unten am motor wäre schön und ein foto vom schalter von vorne. allerdings ist der schalter nicht für 12v, ist noch ein "öffner", dass heißt der müsste noch umgebaut werden.
der dicke grüne vom schalter ist für die schnarre(hupe)
-
habe kein kabelkästchen! die kabel hängen so am unterboden dran
schwarz zu schwarz, grün zu grün und blau auf rot
ans rücklicht geht nur ein kabel, normal
MfG eddie -
Ich mag falsch liegen, aber sollte 12 V nicht einen Spannungsregler haben?
-
Spannungsregler hab ich keinen gefunden,
hab auch versucht den kabeln der Zündung nach zu gehen aber hab keinen regler gefunden!?
wenn ich die drei kabel im lenker verbinde geht die vespa aus!
kann man nicht irgendwie ohne regler auskommen, direkt verkabeln oder so

-
laut den kabelfarben die bei dir so am unterboden dranhängen, hast du auch 12volt und ohne spannungsregler gehts nicht.
schwarz zu schwarz, grün zu grün und blau auf rot
schwarz zu schwarz, grün zu rot und blau zu grün und grün in den spannungsregler und von dort aus zu den verbrauchern bzw. schalter. wenn du erstmal nur ohne licht fahren willst, kannst du erstmal schwarz und rot am schalter anschließen. dann kannst du sie schon mal ausmachen.
-
welchen brauche ich dann? 3polig oder?! bei sip gibts einen!?
lg eddie -
entweder der 3 polige oder der 5 polige A A G B+ masse, dann erfolgt anschluss der regelspannung über A. der 5 polige ist meist günstiger gebraucht zu bekommen. aber vorsicht nur diesen 5 poligen der andere mit G G B+ masse C kannst du nicht nehmen.
ansonsten musst du noch deinen kabelbaum umstricken, weil auf deinem bild sieht es so aus als ob du den kabelbaum für 6v mit hupe ohne blinker und bremslicht hast.
-
welchen sollte ich den besser nehmen? 3 oder 5 polig?
gibts eig einen passenden kabelbaum auch fertig (nur verkabeln und fertig)
ohne groß was zu machen, weil mit elektrik hab ich meine probleme!
wenn ja bitte mit link antworten!wäre der passend:
Spannungsregler RMS für Vespa
PK50 S/SS/Automatica/XL/XL2
/PK80-125 S/Automatica/ETS
/P125-150X-S mit Blinker
/P200E/PX80-200 E/Lusso/T5,
12V/20A, 3 Anschlüsse, für
"ohne" Batterie, passt auch
für Vespa V50/PV/ET3 (nach
Umrüstung) -
wenn du sowieso neu kaufst dann nimm den 3 poligen. war nur ein hinweis falls du gebraucht nach nem spannugsregler suchst.
bei sip gibts doch extra kabelbäume zur umrüstung von v50 auf e-zündung. aber keine ahnung wie die sind, stricke meine immer selbst.
-
so sieht mein besstelliung aus:
[Blockierte Grafik: https://vespaonline.sip-scootershop.com/Products/Images/a9b63ef7-edf2-405b-9bdf-f7dff0fe47dd/Kabelbaum+SERIE+PRO+fur.jpg]
Kabelbaum SERIE PRO für Umrüstung auf E-Zündung für Vespa Smallframe/Largeframe, ohne Batterie, ohne Blinker, ECO-Qualität
Gewicht: 0,300 kg[Blockierte Grafik: https://vespaonline.sip-scootershop.com/Producer/Images/3f7ebf25-2133-423c-b175-859d81ce80e5/SERIE+PRO.jpg]
[Blockierte Grafik: https://vespaonline.sip-scootershop.com/images/shared/stockgraph/stockgraph_2.gif]86134000 49,00 € 49,00 €
Spannungsregler RMS für Vespa PK50 S/SS/Automatica/XL/XL2 /PK80-125 S/Automatica/ETS /P125-150X-S mit Blinker /P200E/PX80-200 E/Lusso/T5, 12V/20A, 3 Anschlüsse, für "ohne" Batterie, passt auch für Vespa V50/PV/ET3 (nach Umrüstung)
Gewicht: 0,205 kg
[Blockierte Grafik: https://vespaonline.sip-scootershop.com/Producer/Images/18262fa4-6e64-4f8f-bb29-69434bf90312/RMS+Classic.jpg]
[Blockierte Grafik: https://vespaonline.sip-scootershop.com/images/shared/stockgraph/stockgraph_2.gif]85160000 31,00 € 31,00 €
Lichtschalter für Vespa 50 R/Special, mit Fern-/Abblendlicht, Funktion: Schließer Hupenknopf: rund, schwarz
Gewicht: 0,082kg
hoffe hab kein Müll gekauft

Vielen Vielen Dank Basjoe du hast mir sehr geholfen!!!
ps: den kabelbaum selber machen, wäre bei mir nie in frage gekommen, hab echt kp von dem zeug
falls ich was falsches bestellt hab lass es mich bitte wissen!
Gruß edgar -
soweit alles richtig, aber könntest du noch ein foto von deinem polrad zeigen. nicht das du doch 6volt hast und der vorbesitzer die kabelfarben von ner 12volt angelötet hat.
edit: bevor ichs vergesse, hast du ein bremslicht? wenn ja brauchst du auch noch nen neuen bremslichtschalter(schließer)
-
also auf dem Lüfterrad steht XPK hab leider keine zeit gehabt bis jetzt! hab auch ne zündspule!
hab kein bremslicht! muss auch nicht sein!
bei sip stand dran ich bekom ein [lexicon='schaltplan',''][/lexicon] mit zum kabelbaum aber leider nichts mit bei
hab zwar einige im netz gefunden aber immer mit bremslicht oder blinkanlage!
kennst du vll wo es einen gibt ohne den krims kram? passend auf mein blech baby
wenns geht für unwissende für elektrik
PS: wieso sieht jetzt mein lichtschalter aus wie auf dem bild von sip? hab exra ohne blinker bestellt!?
LG eddie -
es wird wirklich zeit fürn foto von deiner zgp.
XPK aufn polrad kenn ich nur von den 6volt bzw. 6volt/12volt italienischen kontaktlosen pk zündungen.
-
So Basjoe hab´s endlich auf die reihe gebracht pics zu machen
Lg eddie -
ist ne italienische 6/12volt zündung. 6volt beleuchtung und 12volt blinker. die hat keinen spannungsregler sondern ne diode, allerdings weiß ich net was die macht. kenn mich auch nicht wirklich damit aus.
normalerweise hat sie 4kabel, braun, grün, schwarz und blau. braun ist 6volt, blau 12volt und grün ist zündung. du kannst blau weglassen und sie wie ne 6volt kontakzündung anschließen.
-
das heißt alles umsonst gekauft??? :pinch: -
wie ne 6volt kontakzündung anschließen.
leicht falsch, ich meinte wie ne 6volt kontaktlose zündung. schalter ist der richtige, weil schließer... und der kabelbaum, wenns nen [lexicon='schaltplan',''][/lexicon] gibt kann ich dir sagen obs funktioniert. nur den spannungsregler brauchst du nicht. kannst du doch bestimmt noch zurücksenden.
-
hmmm aber der kabelbaum passt auch nicht! der hat 4 anschlüsse an den spannungsregler
vll strick ich auch selber einen, der von s.i.p hat mich 50€ gekostet!
also ist das ne originale alte zündung von vespa 50 special mit blinker!?
wenn ich ehrlich bin, ich check schon garnichts mehr
schaltpläne die ich finde die haben nen spannungsregler?!
was passt jetzt sicher oder nicht?! [lexicon='schaltplan',''][/lexicon] wäre super!!! (ohne bremslicht ohne blinker!)
HILFE bitte
lg eddie -
...nein, das ist eine PK(S)-Zündung für kl. Konus, war vorwiegend an den ital. Serien verbaut, hat auch ein Polrad, dass nur für diese Grundplatte passt (und es war kein Spannungsregler von Nöten).
Die 12Volt Zündung der Spezial war eine mit Unterbrecherkontakt und Spannungsregler in der Seitenbacke untergebracht.
bzw. die österr. Ausführungen hatten dann noch Fernlichtkontrollleuchte und Zündschloss (Abblendlicht, Fernlicht etc.) daher einen anderen
Kabelbaum da links der Blinkerschalter und rechts der Schalter für die Lichter war. -
