1. Vespa Forum
    1. Unerledigte Themen
  2. Dashboard
  3. Galerie
    1. Alben
    2. Karte
  4. Lexikon
  • Anmelden oder registrieren
  • Suche
Dieses Thema
  • Alles
  • Dieses Thema
  • Dieses Forum
  • Forum
  • Galerie
  • Lexikon
  • Seiten
  • Erweiterte Suche
  1. VespaOnline Forum: Entdecke die Welt der klassischen Vespa-Roller und teile deine Leidenschaft
  2. Vespa Smallframe / Largeframe / Wideframe Roller
  3. Vespa Elektrik

V50: Wie ist die Belegung des Lichtschalter beim Rundlenker bei Umrüstung?

  • Kalle78
  • January 7, 2013 at 21:05
  • Kalle78
    Schüler
    Reaktionen
    1
    Punkte
    556
    Beiträge
    90
    Vespa Typ
    V50N Spezial
    • January 7, 2013 at 21:05
    • #1

    Hallo,

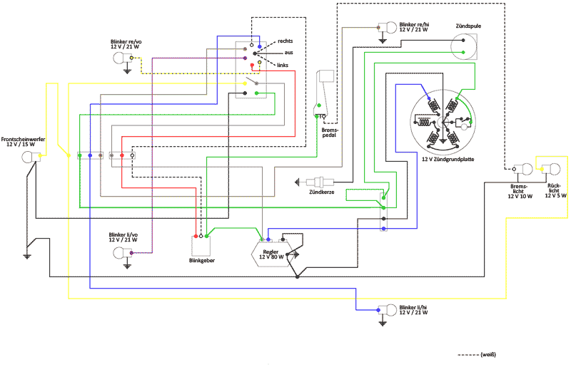
    ich habe eine V50 4 Blinker mit beigefügten Kabelbaum.
    Da ich jetzt von Trapezlenker auf Rundlenker umrüsten will musste ein neuer Lichtschalter für meinen Rundlenker her
    (siehe beigefügte Bilder).

    Am Lenker habe ich folgende 10 Kabel:

    schwarz-gelb -> Lenkerendenblinker VR
    schwarz-lila -> Lenkerendenblinker VL

    braun -> Blinker HR
    hellblau -> Blinker HL
    rot -> kommt vom Blinkgeber
    weiß -> kommt vom Blinkgeber

    grün -> kommt von der Zündung / Zündgrundplatte
    schwarz -> Masse???
    grau -> kommt vom Spannungsregler
    gelb -> Scheinwerfer und Rückleuchte

    Hupe bzw. Schnarre hab ich auch, aber ich weiß nicht welches Kabel dafür vorgesehen ist oder ob ich ev.
    ein zusätzliches Kabel dafür ziehen muss. Im Schaltplan ist ebenfalls keine Hupe aufgeführt. Nachrüsten
    müsste doch möglich sein oder???

    Na ja mich interessiert jetzt in erster Linie welche der angegebenen Kabel auf welchen PIN am neuen
    Lichtschalter gelegt werden müssen, dafür hab ich einfach mal Nummern drangeschrieben.

    Please help :thumbup:

    Bilder

    • v50special Schaltplan.gif
      • 23.16 kB
      • 800 × 515
      • 6,281
    • Grabor Lichtschalter.jpg
      • 25.33 kB
      • 800 × 800
      • 1,054
    • Grabor Lichtschalter PINs.jpg
      • 37.96 kB
      • 800 × 800
      • 10,675

    4 Mal editiert, zuletzt von Kalle78 (January 8, 2013 at 23:18)

  • Basjoe
    Profi
    Reaktionen
    7
    Punkte
    4,342
    Trophäen
    1
    Beiträge
    830
    Bilder
    6
    Wohnort
    Dietzenbach
    Vespa Typ
    so langsam zu viele
    • January 8, 2013 at 17:42
    • #2

    falscher schalter, du brauchst ein schließer modell...oder umbasteln
    hupe bzw. schnarre nachrüsten ist möglich, musst halt noch 2 kabel ziehen.

  • Kalle78
    Schüler
    Reaktionen
    1
    Punkte
    556
    Beiträge
    90
    Vespa Typ
    V50N Spezial
    • January 8, 2013 at 18:32
    • #3

    Umbau auf "Schliesser" is ja kein Ding, aber danke für den Hinweis.
    :D

    Ich bräuchte aber wirklich dringend die Info welches Kabel auf welchen PIN beim neuen Schalter muss.
    Wo die 2 zusätzlichen Kabel für die Hupe bzw. Schnarre aufgelegt werden müssen wüsste ich dann
    natürlich auch gerne.

  • Kalle78
    Schüler
    Reaktionen
    1
    Punkte
    556
    Beiträge
    90
    Vespa Typ
    V50N Spezial
    • January 8, 2013 at 23:18
    • #4

    PLEASE HELP :whistling:

  • rassmo
    Foren-Himbeertoni
    Reaktionen
    2,597
    Punkte
    62,132
    Trophäen
    3
    Beiträge
    11,831
    Einträge
    10
    • January 9, 2013 at 08:52
    • #5

    Das scheitert m.E.n. schon beim Blinker. Der Schalter den du abgebildt hast hat Schnarre, Licht ein/aus, und Fern-/Stadtlicht. Also keinen Schalter mit 3 Stellungen wie du ihn für den Blinker brauchst. Wenn du per SuFu suchst wirst du feststellen das das Problem schon häufiger auftrat und nur mittels einem zusätzlichen Blinkerschalter lösbar ist.

    Jeder will alt werden, aber keiner will alt sein.

  • Kalle78
    Schüler
    Reaktionen
    1
    Punkte
    556
    Beiträge
    90
    Vespa Typ
    V50N Spezial
    • January 9, 2013 at 09:06
    • #6

    Moin,

    einen zusätzlichen Blinkerschalter hätte ich auch noch liegen, ist kein Thema. War mir nicht sicher ob man den benötigt.
    Ich stell später mal Bilder davon ein. Kannst du mir denn sagen wie man den Lichtschalter verkabeln muss???

  • splash3
    Fortgeschrittener
    Reaktionen
    1
    Punkte
    1,081
    Trophäen
    1
    Beiträge
    174
    Bilder
    5
    Wohnort
    Jasperallee, Braunschweig, Deutschland
    Vespa Typ
    50R 1971 Azzurro Chiaro, 50 Spezial 1978 Orange 919
    • January 9, 2013 at 11:42
    • #7

    Schau mal ob dir das Hilft. Wichtig ist die Hupe umzubauen. Den Cut mit dem neuen Kabel (Trennstelle/Verbindung) kannst du dir m.M.n. sparen. Wenn du ihn nicht machst, geht die Hupe nur wenn dein Licht an ist. Da viele immer mit Licht an fahren geht das auch ohne. Blinker geht mit diesem Schalter nicht dafür hat er zu wenig Schalterstellungen. Grüße

    Bilder

    • post-5049-1263237643_thumb.jpg
      • 265.73 kB
      • 1,710 × 1,200
      • 1,389
  • Kalle78
    Schüler
    Reaktionen
    1
    Punkte
    556
    Beiträge
    90
    Vespa Typ
    V50N Spezial
    • January 9, 2013 at 12:44
    • #8

    Super,
    sieht ja schon mal ganz hilfreich aus!!! :thumbup:
    Den Cut und die Verbindung zu machen ist ja kein Ding, dann funzt die Hupe ja wenigstens immer
    wenn ich dich richtig verstanden habe.

    Hast du ev. auch noch eine Zeichnung für die Verkabelung des Blinkerschalters???

Tags

  • Vespa Lenker
  • Vespa V50
  1. Datenschutzerklärung
  2. Impressum
  3. Kontakt
  4. Geschichte der Vespa bei Wikipedia
  5. Nutzungsbedingungen
Made with ♥ in Bavaria
Community-Software: WoltLab Suite™