Hallo,
ich habe eine V50 4 Blinker mit beigefügten Kabelbaum.
Da ich jetzt von Trapezlenker auf Rundlenker umrüsten will musste ein neuer Lichtschalter für meinen Rundlenker her
(siehe beigefügte Bilder).
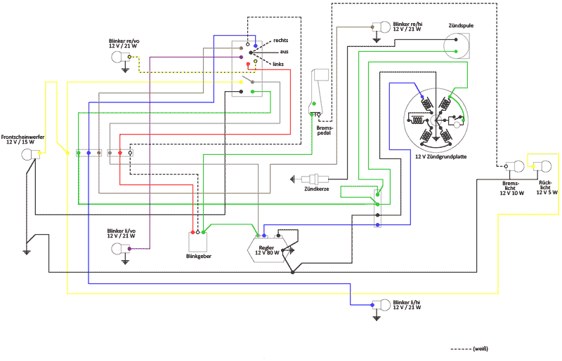
Am Lenker habe ich folgende 10 Kabel:
schwarz-gelb -> [lexicon='Lenkerendenblinker',''][/lexicon] VR
schwarz-lila -> [lexicon='Lenkerendenblinker',''][/lexicon] VL
braun -> Blinker HR
hellblau -> Blinker HL
rot -> kommt vom Blinkgeber
weiß -> kommt vom Blinkgeber
grün -> kommt von der Zündung / Zündgrundplatte
schwarz -> Masse???
grau -> kommt vom Spannungsregler
gelb -> Scheinwerfer und Rückleuchte
Hupe bzw. Schnarre hab ich auch, aber ich weiß nicht welches Kabel dafür vorgesehen ist oder ob ich ev.
ein zusätzliches Kabel dafür ziehen muss. Im [lexicon='Schaltplan',''][/lexicon] ist ebenfalls keine Hupe aufgeführt. Nachrüsten
müsste doch möglich sein oder???
Na ja mich interessiert jetzt in erster Linie welche der angegebenen Kabel auf welchen PIN am neuen
Lichtschalter gelegt werden müssen, dafür hab ich einfach mal Nummern drangeschrieben.
Please help ![]()
